

作品包括:
Word版说明书1份,共49页,约20000字
任务书一份
开题报告一份
外文翻译一份
CAD版本图纸,共4张
某堆浸铀矿山100tU/a密实移动床离子交换工艺设计
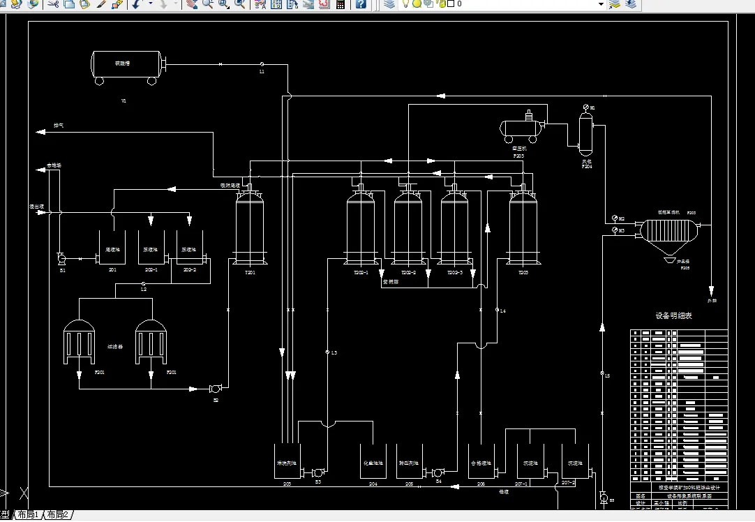
摘要:本文是应用密实移动床离子交换技术对某铀矿山100tU/a工艺进行设计,主要的工艺过程为堆浸浸出液 → 过滤 → 吸附 →淋洗 →沉淀 →压滤→“111”产品。浸出液平均浓度为200 mg.L-1,每年生产时间按300天计,水冶总回收率92%。树脂饱和容量为30mgU/mLR,贫树脂残余铀量0.50mgU/mLR,淋洗剂采用5g/L H2SO4 + 1mol/L NaCl,沉淀剂采用片碱(固态NaOH) 。经过各个工艺过程的计算确定了所需物料的量、各种设备的型号数量、管道尺寸。本设计采用单塔吸附,三塔串联淋洗的操作方式。最终合格液中铀浓度可达10.03g.L-1。经过各个工艺的操作处理最终得到产品。
关键词:密实移动床;离子交换;堆浸;铀
目录
引 言 1
1设计部分 2
1.1设计主要参数 2
1.2产品方案及生产规模 3
1.2.1产品方案 3
1.2.2生产规模 3
1.3工作制度 3
1.4设计的指导思想及原则 3
1.4.1指导思想: 3
1.4.2设计原则: 4
2主要工艺原理介绍 4
2.1堆浸 4
2.1.1堆浸发展 4
2.1.2堆浸的工艺流程 4
2.1.3堆浸的优缺点 5
2.2密实移动床离子交换法 6
2.3离子交换树脂 7
2.3.1离子交换反应 7
2.3.2离子交换树脂的分类 7
2.4主要反应过程 8
3主要工艺流程简介 9
3.1浸出液过滤 10
3.2吸附 10
3.3淋洗 10
3.4树脂转型 11
3.5合格液沉淀及压滤 11
3.6母液回用 11
4初步物料衡算 11
4.1生产方式的选择 11
4.2生产能力计算 12
5主要工艺过程计算 12
5.1吸附过程的工艺计算 12
5.1.1 物料衡算 12
5.1.2 吸附塔直径、塔高、塔数和塔壁的确定 12
5.2淋洗工序计算 17
5.2.1淋洗塔直径 17
5.2.2塔高 18
5.2.3锥形底部计算 18
5.2.4塔设备的参数 18
5.3沉淀工段的计算 18
5.3.1 沉淀过程的计算 19
6工艺过程物料和铀平衡计算 20
6.1工艺过程所需物料计算 20
7铀平衡计算 21
8工艺设备选型与计算 21
8.1管道 21
8.1.1PVC-U管道 21
8.1.2 304不锈钢无缝管 24
8.2多袋式过滤器 24
8.3管路计算及设备选型 25
8.3.1集液池到过滤器管路计算 25
8.3.2多袋式过滤器串联管路计算 26
8.3.3过滤器到吸附塔管路计算 26
8.3.4淋洗剂管路计算 26
8.3.6转型管路计算 26
8.3.7沉淀槽到板框压滤机管道计算 27
8.4各工序段集液池的计算选型 27
8.4.1原液池 27
8.4.2淋洗剂配制槽、化盐池、转型剂池 27
8.4.3合格液池、沉淀池 27
8.4.4硫酸罐 28
8.4.5尾液池 28
8.5产品过滤和干燥设备的选择 28
8.5.1板框压滤机的选型 29
8.6泵的选型 29
8.6.1原液到吸附塔及反冲洗水所需的泵 30
8.6.2淋洗剂到淋洗塔所需的泵 30
8.6.3浓浆泵的选择 30
8.6.4转型泵、尾液泵 31
9工艺参数一览表 31
10设备一览表 32
11生产车间布置简单说明 32
11.1厂区布置原则 32
11.2吸附塔布置 33
11.3储槽布置 33
11.4泵布置 34
11.5管道安装原则 34
12供电要求 35
13环境保护及安全生产 35
13.1三废的主要来源及处理方法: 36
13.2 个人安全必须严格遵循的防护规程 37
14工艺总结 37
参考文献 38
谢辞 40
温馨提示:
1、题目前面的备注【字母数字编号】为本站整理分类的编号,与课题内容无关,请选题时忽视;
2、若题目上备注三维,则表示文件里包含三维源文件,由于三维组成零件数量较多,为保证预览截图的简洁性,本站将三维文件夹进行了打包。三维及CAD预览截图,均为本站电脑打开软件进行截图的,保证能够打开,下载原件超高清,下载后解压即可;
3、本站所有资源如无特殊说明,都需要本地电脑安装Office2007。图纸软件为AutoCAD,PROE,UG,SolidWorks,CATIA等;
4、本站所有图文资料仅供用户学习参考,不作为任何商用或其他用途;
5、本站不保证下载资源的准确性、安全性和完整性, 不包修改,不支持退换,同时也不承担用户因使用这些下载资源对自己和他人造成任何形式的伤害或损失;
6、 下载文件中如有侵权或不适当内容,请与我们联系,我们立即纠正。