

作品包括:
说明书一份,41页,约16000字
工序卡一套
工艺过程卡一份
CAD版本图纸,共6张

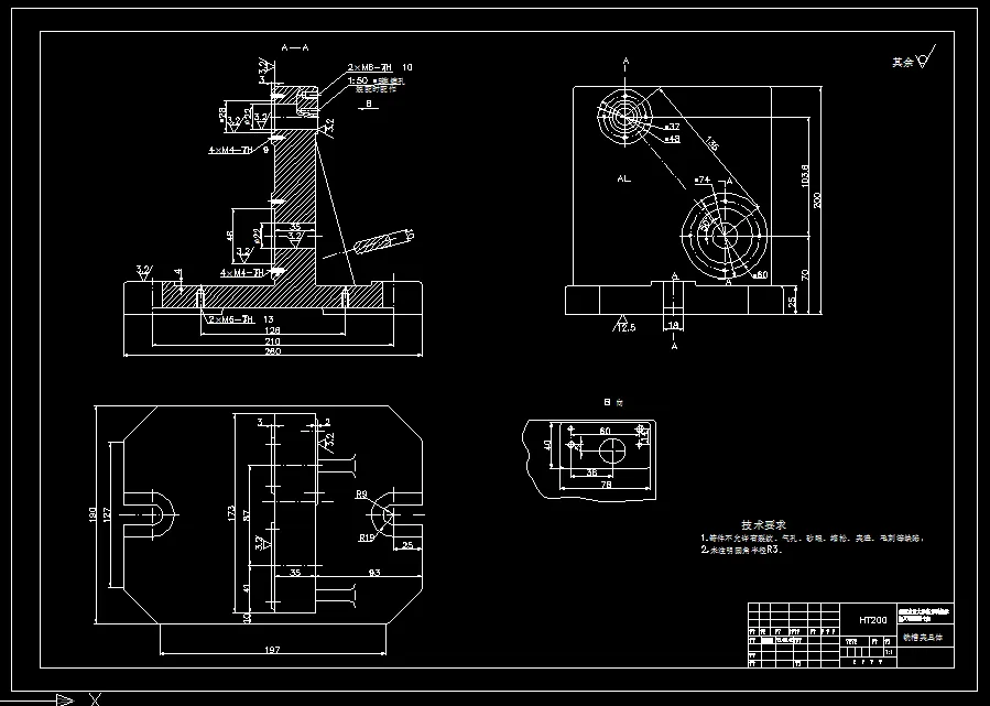
拨叉加工工艺及夹具设计
摘 要:此次设计是进行拨叉零件的加工工艺和夹具设计,其零件为锻件,具有体积小,零件复杂的特点,由于面比孔易加工,在制定工艺规程时,就先加工面,再以面为基准来加工其它加工面,其中各工序夹具都采用专用夹具,特别的对于加工大头孔和槽的工序中,选一面两销的定位方式,并以操作简单的手动夹紧方式夹紧,其机构设计简单,方便且能满足要求。
关键词:拨叉;加工工艺;夹具设计
目 录
摘要 1
关键词 1
1 前言 1
2 拨叉的工艺分析 2
3 工艺规程设计 4
3.1 加工工艺过程 4
3.2 确定各表面加工方案 4
3.2.1 影响加工方法的因素 5
3.2.2 加工方案的选择 5
3.3 确定定位基准 5
3.3.1 定位基准的选择 5
3.3.2 精基准的选择 5
3.3.3 粗基准的选择 6
3.4 工艺路线的拟订 6
3.4.1 工序的合理组合 6
3.4.2 加工阶段的划分 7
3.4.3 加工工艺路线方案的比较 8
3.5 拨叉的机械加工余量,工序尺寸及毛坯尺寸的确定 10
3.5.1 毛坯的结构工艺要求 10
3.5.2 确定毛坯尺寸及机械加工总余量 11
3.5.3 工序间加工余量的确定 11
3.6 确定切削用量及基本工时 12
3.7 时间定额计算及生产安排 21
4 镗孔夹具设计 25
4.1 定位、夹紧方案的选择 25
4.2 切削力及夹紧力的分析计算 25
4.3 误差分析与计算 27
4.4 零、部件的设计与选用 28
4.4.1 定位销选用 28
4.4.2 夹紧装置的选用 29
4.5 夹具设计及操作的简要说明 29
5 铣槽夹具设计 29
5.1 定位基准的选择 29
5.2 切削力及夹紧分析计算 29
5.3 误差分析及计算 31
5.4 零、部件的设计与选用 31
5.4.1 定位销选用 31
5.4.2 夹紧装置的选用 32
5.4.3 定向键与对刀装置设计 32
5.5 夹具设计及操作的简要说明 34
6 结论 35
参考文献 35
致谢 36
附录 36
温馨提示:
1、题目前面的备注【字母数字编号】为本站整理分类的编号,与课题内容无关,请选题时忽视;
2、若题目上备注三维,则表示文件里包含三维源文件,由于三维组成零件数量较多,为保证预览截图的简洁性,本站将三维文件夹进行了打包。三维及CAD预览截图,均为本站电脑打开软件进行截图的,保证能够打开,下载原件超高清,下载后解压即可;
3、本站所有资源如无特殊说明,都需要本地电脑安装Office2007。图纸软件为AutoCAD,PROE,UG,SolidWorks,CATIA等;
4、本站所有图文资料仅供用户学习参考,不作为任何商用或其他用途;
5、本站不保证下载资源的准确性、安全性和完整性, 不包修改,不支持退换,同时也不承担用户因使用这些下载资源对自己和他人造成任何形式的伤害或损失;
6、 下载文件中如有侵权或不适当内容,请与我们联系,我们立即纠正。