

作品包括:
Word版说明书1份,共23页,7300字
工序卡1张
工艺过程卡1张
任务书一份
CAD版本图纸,共4张
Proe三维图一份
仿真动画一份
![1751253823575459.webp H9[IAC{X%_J$UVNKFX~]_YD.webp](/static/upload/image/20250630/1751253823575459.webp)
摘要
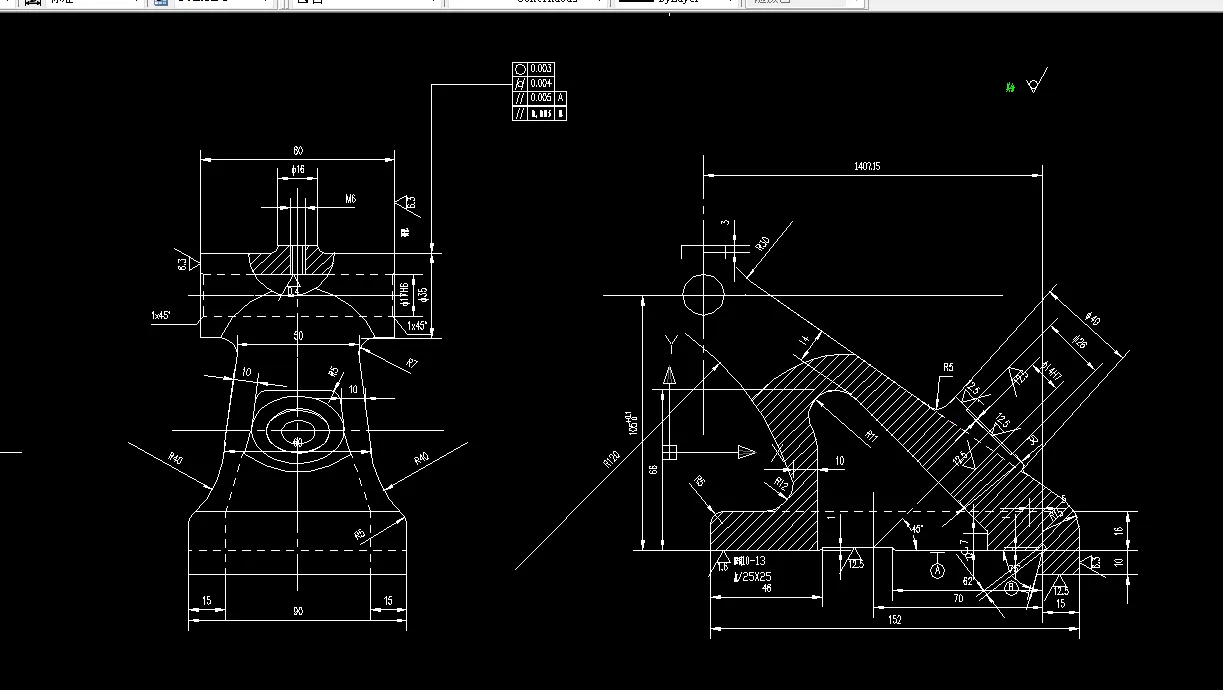
本设计的零件为杠杆零件,选用灰铸铁200。根据零件的形状、尺寸精度、生产的经济效益等各方面的详细分析其加工工艺,多采钻床加工。通过对零件的分析,此工件外形轮廓尺寸小,重量轻,加工要求不高。因此在保证质量和提高生产率的前提下,尽量简化结构,做到经济合理。
关键词:等臂杠杆、工艺分析、工艺设计、夹具设计
目录
摘要I
第1章等臂杠杆工艺分析1
1.1等臂杠杆的作用与结构1
1.1.1杠杆的作用1
1.1.2等臂杠杆的结构特点2
1.1.3等臂杠杆的结构工艺性2
1.2等臂杠杆关键表面的技术要求2
第2章杠杆工艺设计4
2.1杠杆生产类型的确定4
2.2杠杆毛胚的选择与毛胚图说明4
2.3杠杆工艺路线的确定4
2.3.1粗、精基准的选择4
2.3.2各表面加工方法的确定4
2.3.3选择加工设备及刀具、量具、夹具5
2.3.4工艺路线6
2.3.5工艺方案的比较和分析7
2.4加工余量、切削余量、工时定额的确定8
2.4.1加工余量8
2.4.2工时定额9
2.5工序尺寸与公差的确定11
第3章Ф10孔夹具设计12
3.1设计思想与不同方案对比12
3.2定位误差计算15
3.3对刀及引导装置设计16
3.4夹紧机构设计及夹紧力计算17
3.5夹紧操作动作说明18
设计心得19
参考文献20
附录钻夹具三维图21
温馨提示:
1、题目前面的备注【字母数字编号】为本站整理分类的编号,与课题内容无关,请选题时忽视;
2、若题目上备注三维,则表示文件里包含三维源文件,由于三维组成零件数量较多,为保证预览截图的简洁性,本站将三维文件夹进行了打包。三维及CAD预览截图,均为本站电脑打开软件进行截图的,保证能够打开,下载原件超高清,下载后解压即可;
3、本站所有资源如无特殊说明,都需要本地电脑安装Office2007。图纸软件为AutoCAD,PROE,UG,SolidWorks,CATIA等;
4、本站所有图文资料仅供用户学习参考,不作为任何商用或其他用途;
5、本站不保证下载资源的准确性、安全性和完整性, 不包修改,不支持退换,同时也不承担用户因使用这些下载资源对自己和他人造成任何形式的伤害或损失;
6、 下载文件中如有侵权或不适当内容,请与我们联系,我们立即纠正。