

作品包括:
Word版说明书1份,共37页,约11000字
工序卡13张
工艺过程卡1张
CAD版本图纸,共8张

摘要
壳体机械加工工艺及其铣底面夹具,由老师发的任务书和壳体部分零件图知,此设计大体分成两部分,一为工艺部分;二为夹具部分。
工艺部分主要包括零件的分析、毛坯余量的确定及工时计算等,详细查看壳体部分知道,其材料为HT150,再上网查了下壳体的资料,知道其为机床的重要零件,用在操纵机构中,壳体对于仪器来说是一个很好的保障发展作用。因为有了壳体的存在,被保障的产品才能让寿命延长,发挥重要的作用。
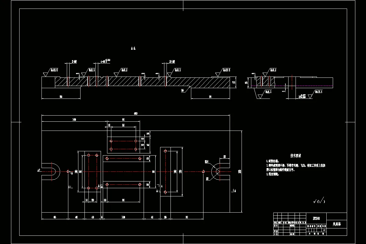
设计铣底面的夹具,首先依据工艺规程、工件图及六点定位原理,采用的定位元件为:支承板、A型支承钉A25×17和A型支承钉A8×8;夹紧方案采用在A型光面压块、螺杆、螺杆支座和滚花螺母等组成的夹紧机构来夹紧工件;引导装置采用圆形对刀块、平塞尺等保证铣刀位置。
关键词:壳体;工艺分析;铣底面夹具
目录
摘要I
Abstract II
1绪论1
1.1选题的意义与目的1
1.2夹具领域的发展方向1
1.3铣床夹具设计2
1.4设计的主要内容3
2壳体零件分析4
2.1壳体的结构分析4
2.2壳体毛坯制造形式4
3工艺规程设计6
3.1定位基准的选择6
3.3.1精基准的选择原则6
3.3.2粗基准的选择原则6
3.2制定加工工艺路线6
3.3选择切削用量、确定时间定额7
4铣床夹具设计28
4.1选择定位基准28
4.2确定夹具的结构以及夹紧机构的方案28
4.3设计整体夹具装配图28
4.4切削力的计算28
4.4.1计算铣削力28
4.4.2计算夹紧力29
4.5分析与计算误差29
4.6定向键与对刀装置设计29
结论32
参考文献33
温馨提示:
1、题目前面的备注【字母数字编号】为本站整理分类的编号,与课题内容无关,请选题时忽视;
2、若题目上备注三维,则表示文件里包含三维源文件,由于三维组成零件数量较多,为保证预览截图的简洁性,本站将三维文件夹进行了打包。三维及CAD预览截图,均为本站电脑打开软件进行截图的,保证能够打开,下载原件超高清,下载后解压即可;
3、本站所有资源如无特殊说明,都需要本地电脑安装Office2007。图纸软件为AutoCAD,PROE,UG,SolidWorks,CATIA等;
4、本站所有图文资料仅供用户学习参考,不作为任何商用或其他用途;
5、本站不保证下载资源的准确性、安全性和完整性, 不包修改,不支持退换,同时也不承担用户因使用这些下载资源对自己和他人造成任何形式的伤害或损失;
6、 下载文件中如有侵权或不适当内容,请与我们联系,我们立即纠正。