

作品包括:
Word版说明书1份,共41页,约10000字
工序卡21张
工艺过程卡1张
CAD版本图纸,共6张

摘要
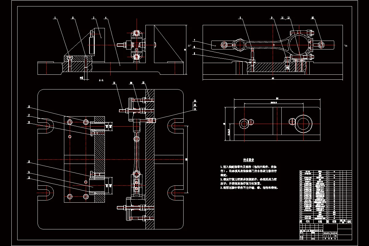
我的设计题目是汽车连杆机械加工工艺规程及其精镗大端孔和小端孔夹具设计,汽车连杆材料为40Mn,壁厚、应力分布均匀。设计分为两部分:汽车连杆工艺和精镗大端孔和小端孔夹具。
由文献[1]得出汽车连杆毛坯类型及各加工表面毛坯余量,基准、机床、刀具等的选择并进行工时计算,最后编写工艺路线。
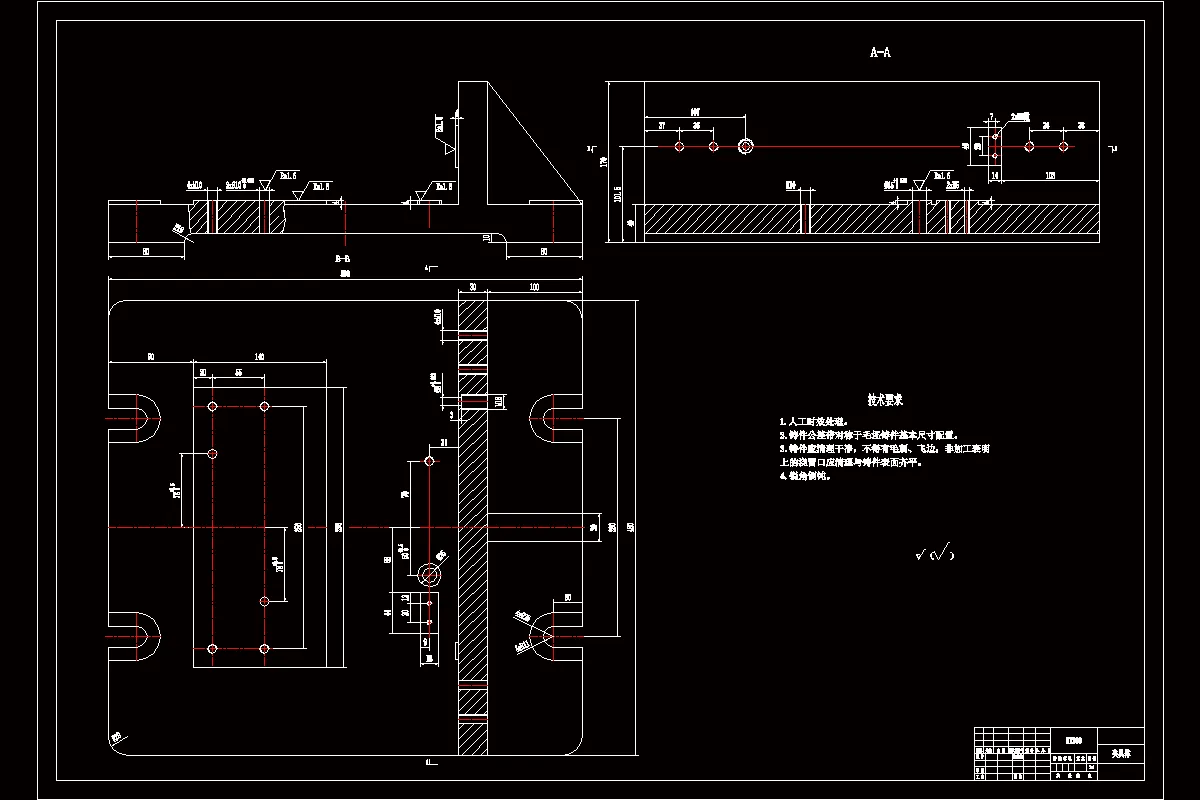
夹具选择精镗大端孔和小端孔,设计出夹具并绘制出各非标零件图。夹具设计方案采用汽车连杆右端面、连杆肋板、汽车连杆大头前端面、小头前端面和螺栓孔端面定位,夹紧则由移动压板、螺杆和六角法兰面螺母等组成的夹紧机构夹紧工件,导向采用镗模结构。
关键词:汽车连杆;工艺路线;镗夹具
目录
摘要1
ABSTRACT 2
第1章引言3
1.1镗床夹具概况3
1.2镗床专用夹具的原理与基本组成3
1.3工件的安装和定位3
1.4课题的研究内容和意义4
第2章汽车连杆工艺分析5
2.1汽车连杆作用分析5
2.2汽车连杆材料分析5
2.3零件的结构分析5
第三章汽车连杆工艺规程7
3.1定位基准的选择7
3.1.1粗基准选择7
3.1.2精基准选择7
3.2制定加工工艺路线7
3.3毛坯的制造方法8
3.4毛坯余量的选择8
3.5选择切削用量、确定时间定额9
第四章汽车连杆镗床夹具34
4.1问题的提出34
4.2夹具定位分析34
4.3定位误差分析35
4.4镗削力和夹紧力计算35
4.4.1计算镗削力35
4.4.2计算夹紧力36
4.5镗模的类型36
4.6镗模的设计要求36
4.7镗套的选择37
参考文献39
致谢40
温馨提示:
1、题目前面的备注【字母数字编号】为本站整理分类的编号,与课题内容无关,请选题时忽视;
2、若题目上备注三维,则表示文件里包含三维源文件,由于三维组成零件数量较多,为保证预览截图的简洁性,本站将三维文件夹进行了打包。三维及CAD预览截图,均为本站电脑打开软件进行截图的,保证能够打开,下载原件超高清,下载后解压即可;
3、本站所有资源如无特殊说明,都需要本地电脑安装Office2007。图纸软件为AutoCAD,PROE,UG,SolidWorks,CATIA等;
4、本站所有图文资料仅供用户学习参考,不作为任何商用或其他用途;
5、本站不保证下载资源的准确性、安全性和完整性, 不包修改,不支持退换,同时也不承担用户因使用这些下载资源对自己和他人造成任何形式的伤害或损失;
6、 下载文件中如有侵权或不适当内容,请与我们联系,我们立即纠正。