

作品包括:
Word版说明书1份,共21页,约6500字
工序卡1张
工艺流程图1张
CAD版本图纸,共4张

摘 要
机械制造工艺学课程设计是我们学完了大学的全部基础课、技术基础课以及大部分专业课之后进行的.这是我们在进行毕业设计之前对所学各课程的一次深入的综合性的总复习,也是一次理论联系实际的训练,因此,它在我们四年的大学生活中占有重要的地位。
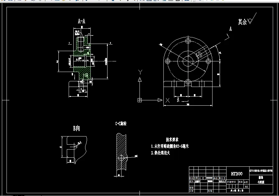
这次设计的是前盖,有零件图、毛坯图、装配图各一张,机械加工工艺过程卡片和与所设计夹具对应那道工序的工序卡片各一张。首先我们要熟悉零件,题目所给的零件是前盖。了解了前盖的作用,接下来根据零件的性质和零件图上各端面的粗糙度确定毛坯的尺寸和机械加工余量。然后我们再根据定位基准先确定精基准,后确定粗基准,最后拟定前盖的工艺路线图,制定该工件的夹紧方案,画出夹具装配图。目录
摘 要 I
Abstract II
1、端盖的工艺分析及生产类型的确定 2
1.1、端盖的用途 2
1.2、端盖的技术要求 2
1.3、审查端盖的工艺性 2
1.4、确定端盖的生产类型 3
2、确定毛胚、绘制毛胚简图 3
2.1选择毛胚 3
2.2确定毛胚的尺寸公差和机械加工余量 3
2.2.1公差等级 3
2.2.2前盖铸造毛坯尺寸工差及加工余量 3
2.2.3绘制端盖毛坯简图 4
3、拟定前盖工艺路线 5
3.1、定位基准的选择 5
3.1.1.精基准的选择 5
3.2.2.粗基准的选择 5
3.2 、表面加工方法的确定 5
3.3、加工阶段的划分 6
3.4、工序的集中与分散 6
3.5、工序顺序的安排 6
3.5.1机械加工工序 6
3.5.2.热处理工序 7
3.5.3.辅助工序 7
3.6、确定工艺路线 7
4、加工余量、工序尺寸和工差的确定 8
5、切削用量、时间定额的计算 9
5.1钻4×Ф7孔工步 9
5.2锪4×Ф11孔工步 10
6.钻床夹具设计 11
6.1 问题的提出 11
6.2 定位基准的选择 11
6.3定位分析 11
6.4 定位误差分析 12
6.5 切削力的计算 12
6.6夹具设计及操作简要说明 13
7. 体会与展望 14
8.参考文献 15
温馨提示:
1、题目前面的备注【字母数字编号】为本站整理分类的编号,与课题内容无关,请选题时忽视;
2、若题目上备注三维,则表示文件里包含三维源文件,由于三维组成零件数量较多,为保证预览截图的简洁性,本站将三维文件夹进行了打包。三维及CAD预览截图,均为本站电脑打开软件进行截图的,保证能够打开,下载原件超高清,下载后解压即可;
3、本站所有资源如无特殊说明,都需要本地电脑安装Office2007。图纸软件为AutoCAD,PROE,UG,SolidWorks,CATIA等;
4、本站所有图文资料仅供用户学习参考,不作为任何商用或其他用途;
5、本站不保证下载资源的准确性、安全性和完整性, 不包修改,不支持退换,同时也不承担用户因使用这些下载资源对自己和他人造成任何形式的伤害或损失;
6、 下载文件中如有侵权或不适当内容,请与我们联系,我们立即纠正。