

作品包括:
Word版说明书1份,共34页,约11000字
工艺卡片10张
工艺过程卡1张
CAD版本图纸,共7张
UG三维工件图1张
![1697622719616178.webp ]17@BLL}$9PMHG%A[(XCC$7.webp](/static/upload/image/20231018/1697622719616178.webp)
摘 要
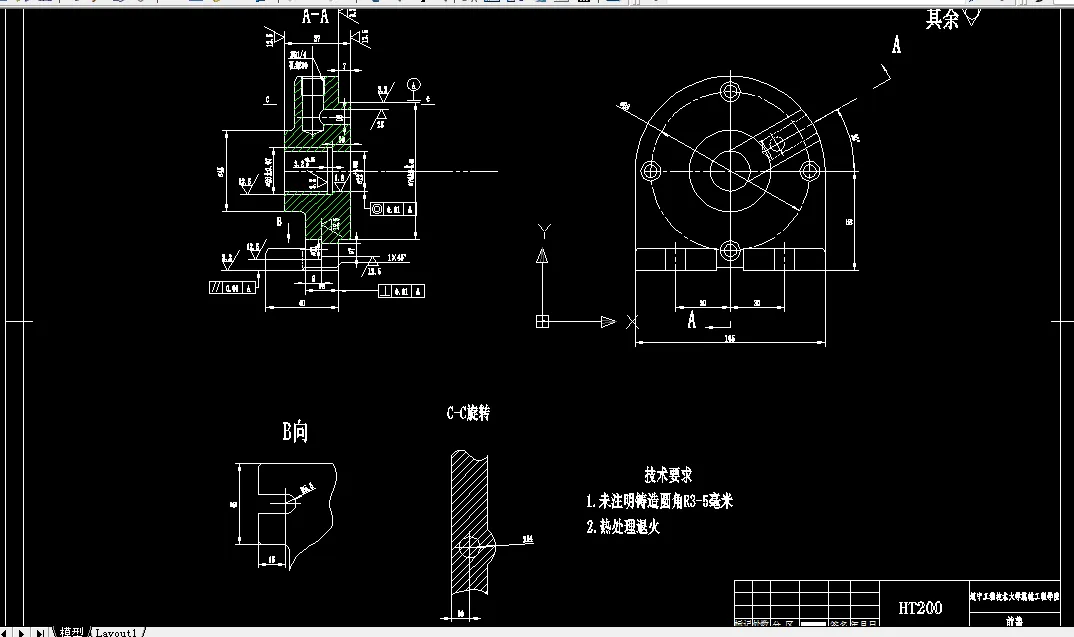
链锯发动机缸体加工工艺规程及其夹具设计,首先依据链锯发动机缸体实体图绘制出二维CAD图(利用游标卡尺、卡规等测量工具),接着对产品结构和工艺性进行分析,编写工艺(参考《典型零件工艺分析与加工》、《机械切削工人实用手册》),然后在工艺内选择钻攻2xM5螺纹夹具,并拆画非标零件图(参考《机床夹具设计与使用一本通》)。
发动机缸体材料一般为铝合金和铸铁,本产品的尺寸规格都比较小,如果采用铸铁侧很容易损坏,故链锯发动机缸体材料为铝合金。铝合金重量轻,导热性良好,硬度高不易磨损。铝合金材料的发动机缸体采用铸造毛坯,淬火加时效处理,再由《机械切削工人实用手册》查出链锯发动机缸体各加工表面的毛坯余量,绘制出毛坯图,选择刀具、机床和量具等,并计算出各加工表面的工时。再以六点定位原理,选择夹具定位机构,计算分析定位误差,接着再参考常用夹紧机构和发动机缸体形状结构,选择合适的夹紧机构夹紧工件,计算出切削力和夹紧力,并校核,最后一步设计引导装置。
关键词:链锯发动机缸体;夹具设计;工艺分析;定位机构
目录
摘 要 1
Abstract 2
目录 1
1绪论 1
2 零件分析 2
2.1 发动机缸体的结构分析 2
2.2 发动机缸体毛坯制造形式 2
2.3 发动机缸体机械加工余量 2
3工艺规程设计 4
3.1 定位基准的选择 4
3.2 制定加工工艺路线 4
3.3 选择切削用量、确定时间定额 5
4钻床夹具设计 25
4.1 问题的提出 25
4.2夹具定位分析 25
4.3 定位误差分析 25
4.4 钻削力和夹紧力计算 25
致谢 27
参考文献 28
温馨提示:
1、题目前面的备注【字母数字编号】为本站整理分类的编号,与课题内容无关,请选题时忽视;
2、若题目上备注三维,则表示文件里包含三维源文件,由于三维组成零件数量较多,为保证预览截图的简洁性,本站将三维文件夹进行了打包。三维及CAD预览截图,均为本站电脑打开软件进行截图的,保证能够打开,下载原件超高清,下载后解压即可;
3、本站所有资源如无特殊说明,都需要本地电脑安装Office2007。图纸软件为AutoCAD,PROE,UG,SolidWorks,CATIA等;
4、本站所有图文资料仅供用户学习参考,不作为任何商用或其他用途;
5、本站不保证下载资源的准确性、安全性和完整性, 不包修改,不支持退换,同时也不承担用户因使用这些下载资源对自己和他人造成任何形式的伤害或损失;
6、 下载文件中如有侵权或不适当内容,请与我们联系,我们立即纠正。