

作品包括:
Word版说明书1份,共21页,约8800字
工序卡4张
工艺规程卡1张
CAD版本图纸,共4张
![1699838994646858.webp RZS)KH3AHZF7F78D]EY7V6C.webp](/static/upload/image/20231113/1699838994646858.webp)
目 录
目 录 1
摘 要 1
1.工艺规程设计 2
1.1 工件生产类型 2
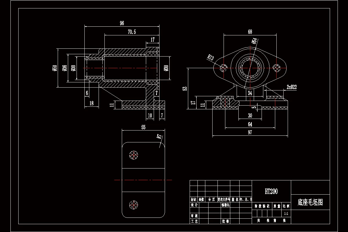
1.2 零件分析 3
1.3确定毛坯制定形式 4
1.4基准选择 6
1.4.1精基准选择 6
1.4.2粗基准选择 7
1.5工艺规程设计 8
1.5.1表面加工方案选择 8
1.5.2加工阶段划分 8
1.5.3工序的集中与分散 9
1.5.4机械加工顺序的安排 10
1.6工序内容 10
1.6.1加工设备选择 10
1.6.2切削用量选择 10
1.6.3工序尺寸及公差 10
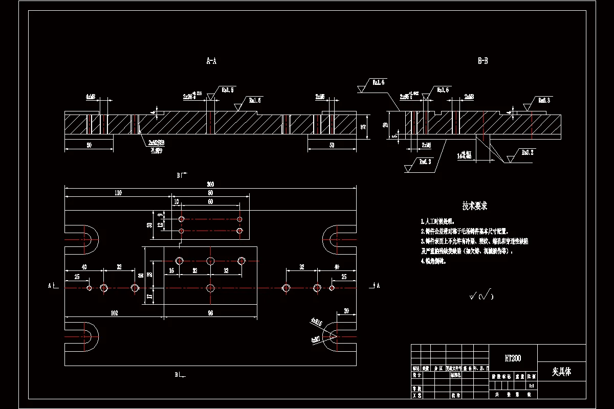
2. 铣床夹具设计 13
2.1设计任务 13
2.2夹具方案分析 13
2.2.1工件的定位方案分析 13
2.2.2夹紧方案分析 14
2.2.3对刀方案确定 15
2.2.4夹具体设计及与机床的连接 16
3. 总结与体会 18
致谢词 19
参考文献 20
温馨提示:
1、题目前面的备注【字母数字编号】为本站整理分类的编号,与课题内容无关,请选题时忽视;
2、若题目上备注三维,则表示文件里包含三维源文件,由于三维组成零件数量较多,为保证预览截图的简洁性,本站将三维文件夹进行了打包。三维及CAD预览截图,均为本站电脑打开软件进行截图的,保证能够打开,下载原件超高清,下载后解压即可;
3、本站所有资源如无特殊说明,都需要本地电脑安装Office2007。图纸软件为AutoCAD,PROE,UG,SolidWorks,CATIA等;
4、本站所有图文资料仅供用户学习参考,不作为任何商用或其他用途;
5、本站不保证下载资源的准确性、安全性和完整性, 不包修改,不支持退换,同时也不承担用户因使用这些下载资源对自己和他人造成任何形式的伤害或损失;
6、 下载文件中如有侵权或不适当内容,请与我们联系,我们立即纠正。