

作品包括:
Word版说明书1份,共28页,约8800字
工序卡2张
工艺流程图1张
机械加工检验卡片1张
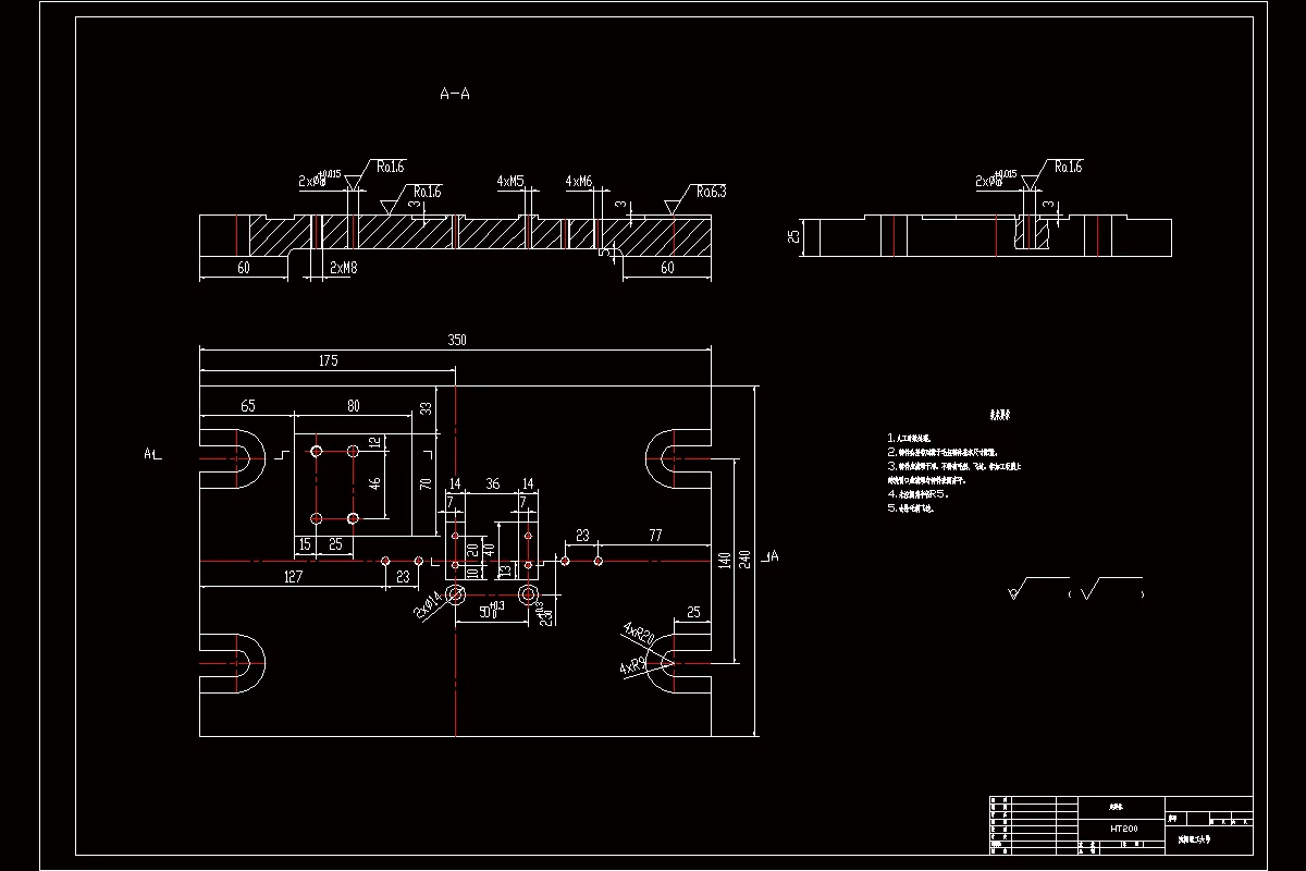
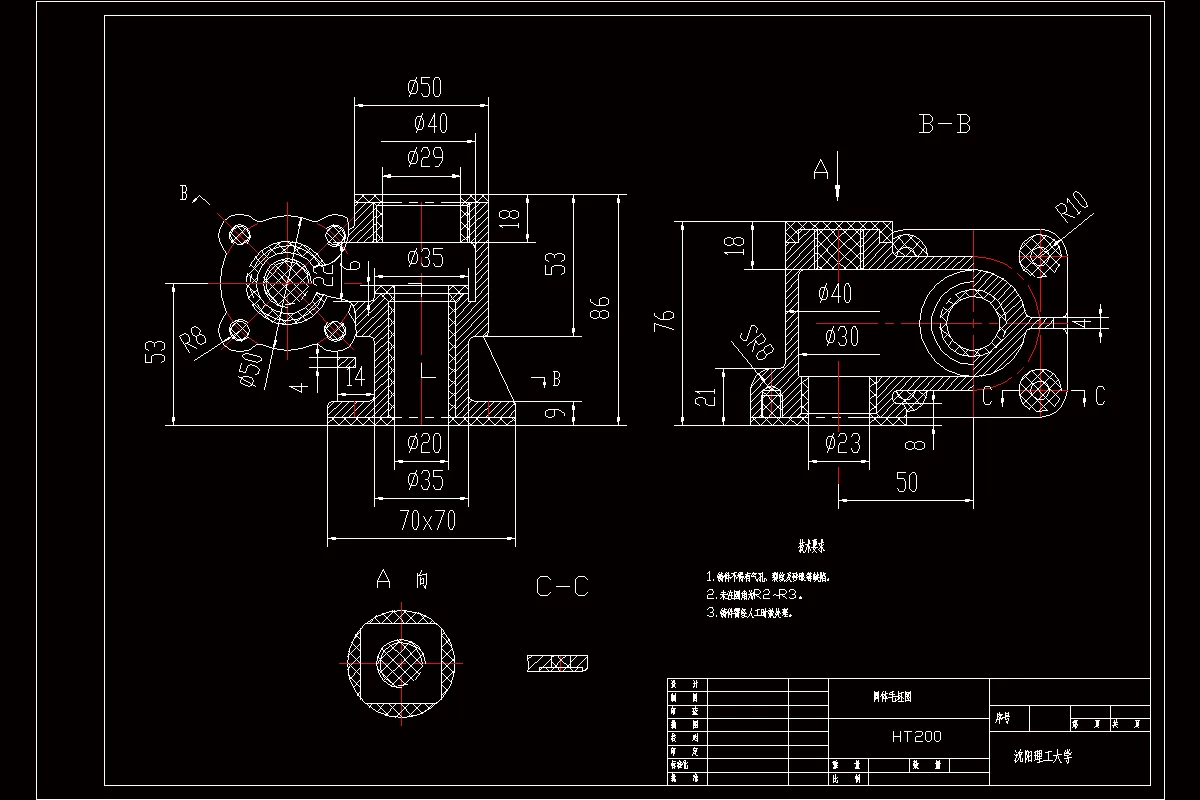
CAD版本图纸,共4张

目录
1 绪论 1
2 零件分析 2
3 工艺规程设计 3
3.1 毛坯制造形式 3
3.2定位基准的选择 3
3.3工艺路线的拟订 4
3.4工艺设计及计算 5
3.4.1工序尺寸及毛坯尺寸的确定 5
3.4.2工序设计 5
4 夹具设计 19
4.1定位设计 19
4.1.1 定位方案分析 19
4.1.2 定位元件选择及布置 19
4.1.3 定位误差的计算 19
4.2夹紧机构设计 19
4.3引导(或导向)机构的设计 20
4.4夹具体设计 21
4.5夹具装配图 23
4.5.1尺寸标注 23
4.5.2夹具装配图 23
4.6夹具使用说明 24
结束语 25
致 谢 26
参考文献27
温馨提示:
1、题目前面的备注【字母数字编号】为本站整理分类的编号,与课题内容无关,请选题时忽视;
2、若题目上备注三维,则表示文件里包含三维源文件,由于三维组成零件数量较多,为保证预览截图的简洁性,本站将三维文件夹进行了打包。三维及CAD预览截图,均为本站电脑打开软件进行截图的,保证能够打开,下载原件超高清,下载后解压即可;
3、本站所有资源如无特殊说明,都需要本地电脑安装Office2007。图纸软件为AutoCAD,PROE,UG,SolidWorks,CATIA等;
4、本站所有图文资料仅供用户学习参考,不作为任何商用或其他用途;
5、本站不保证下载资源的准确性、安全性和完整性, 不包修改,不支持退换,同时也不承担用户因使用这些下载资源对自己和他人造成任何形式的伤害或损失;
6、 下载文件中如有侵权或不适当内容,请与我们联系,我们立即纠正。