

作品包括:
Word版说明书1份,共22页,约5500字
工序卡2张
检验卡1张
工艺流程图1张
CAD版本图纸,共4张

目 录
摘 要 1
第1章 摇臂轴支座的分析 2
1.1 摇臂轴支座的作用 2
1.2 摇臂轴支座工艺分析 3
第2章 摇臂轴支座加工工艺 4
2.1 摇臂轴支座毛坯 4
2.2 摇臂轴支座加工余量的确定 4
2.3 工艺路线的拟定 5
2.4 各工序加工设备及工艺装备的选择 6
第3章 工时计算 7
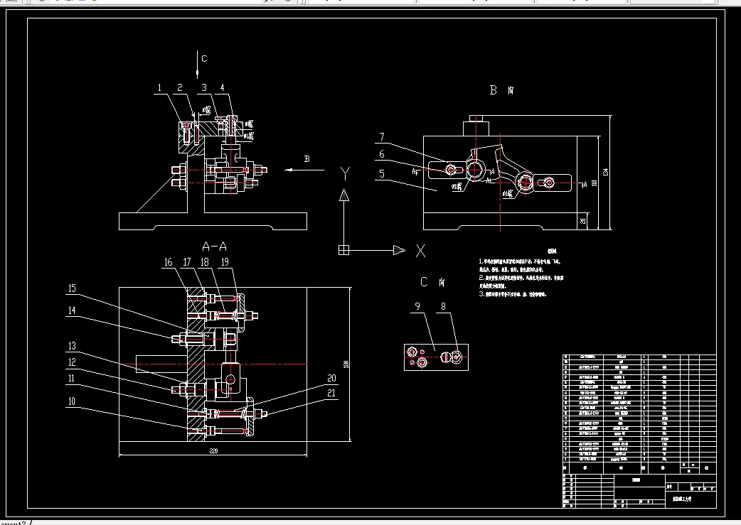
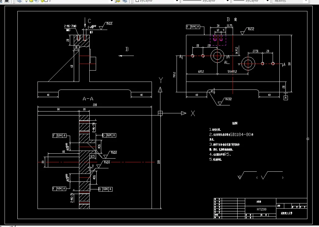
第4章 钻床夹具 15
4.1问题提出 15
4.2 定位分析 15
4.3 定位误差分析 15
4.4切削力和夹紧力的计算 16
4.5 钻套的设计 16
4.6 夹具设计及操作简要说明 19
总 结 20
参考文献 21
温馨提示:
1、题目前面的备注【字母数字编号】为本站整理分类的编号,与课题内容无关,请选题时忽视;
2、若题目上备注三维,则表示文件里包含三维源文件,由于三维组成零件数量较多,为保证预览截图的简洁性,本站将三维文件夹进行了打包。三维及CAD预览截图,均为本站电脑打开软件进行截图的,保证能够打开,下载原件超高清,下载后解压即可;
3、本站所有资源如无特殊说明,都需要本地电脑安装Office2007。图纸软件为AutoCAD,PROE,UG,SolidWorks,CATIA等;
4、本站所有图文资料仅供用户学习参考,不作为任何商用或其他用途;
5、本站不保证下载资源的准确性、安全性和完整性, 不包修改,不支持退换,同时也不承担用户因使用这些下载资源对自己和他人造成任何形式的伤害或损失;
6、 下载文件中如有侵权或不适当内容,请与我们联系,我们立即纠正。