

作品包括:
Word版说明书1份,共26页,约9600字
工序卡7张
工艺过程卡1张
CAD版本图纸,共5张
Creo三维图1套
STP三维通用格式1份
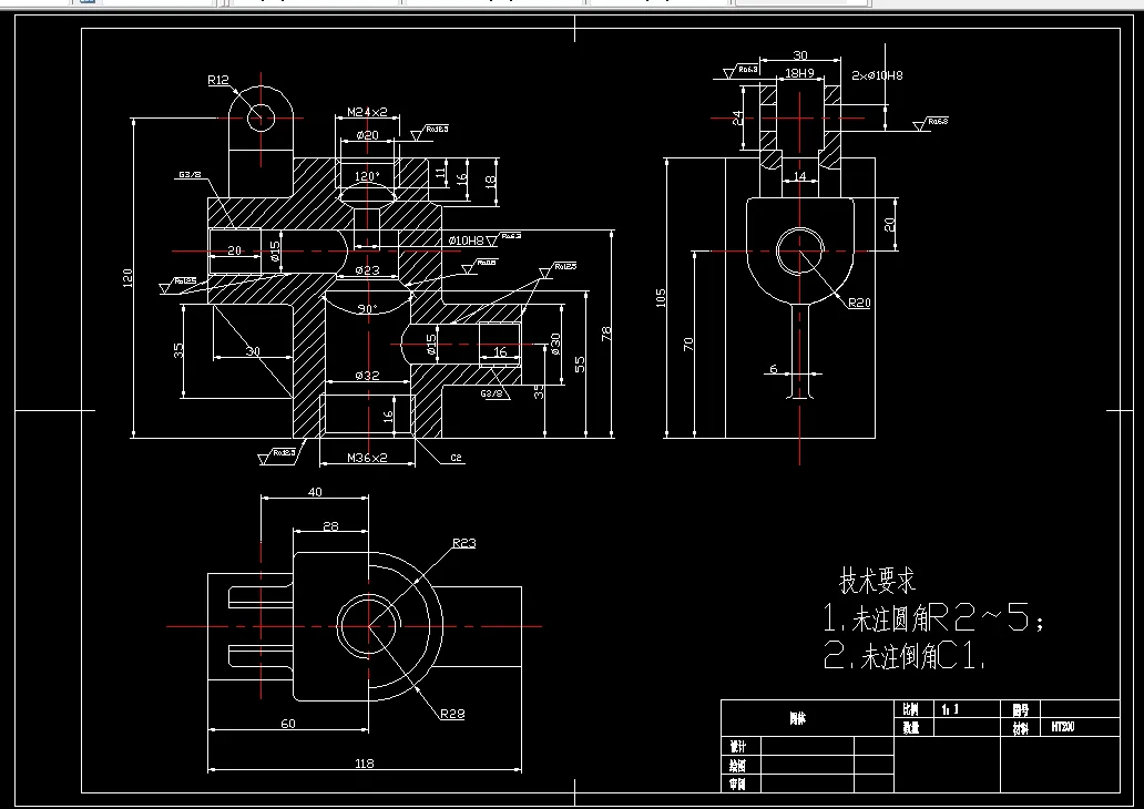
![Z2764-铣刀盘工艺及铣削铣刀槽4分度夹具设计[含Creo三维图] Z2764-铣刀盘工艺及铣削铣刀槽4分度夹具设计[含Creo三维图]](/static/upload/image/20260327/1774607744680741.webp)
摘要
本次毕业设计是对铣刀盘三维建模以及机械加工工艺方案的设计,在此基础上设计加工键槽的专用铣床夹具设计,设计需要对专用夹具进行三维建模,最后再对该零件的所有加工工序进行必要的计算,包括切削三要素的计算确定以及工序时间的计算等。
该铣刀盘生产纲领为大批生产,加工路线长,有多个有较高精度要求的孔和面需要加工,并且待加工的面之间还存在一定的位置公差,在对其按机械加工工艺要求设计工艺路线时,还应考虑到生产成本和生产效率的问题。
在对该铣刀盘夹具设计时,分析对该零件的加工要求,应限制几个自由度,及零件的表面特征而确定出定位方案与定位误差,而后分析夹紧力的方向及大小与夹紧点的位置,在此基础上考虑夹紧的效率与夹紧的刚度和强度的需求进而确定出专用夹具的夹紧方案。在确定夹具的基本方案后根据生产条件确定出夹具动力装置的类型,最后对专用夹具进行装配图和主要零件图的绘制。
关键词:工艺,夹具,夹紧,定位
目 录
摘 要 3
1. 绪论 4
2 零件的分析 5
2.1零件的作用 5
2.2零件的工艺分析 6
3 工艺规程设计 6
3.1 确定毛坯的制造形式 7
3.2 基面的选择 7
3.3 基准的选择 7
3.3.1 粗基准的选择 8
3.3.2 精基准的选择 8
3.4 制订工艺路线 9
4 铣刀盘工艺过程 10
5 确定切削用量及基本工时 11
6 专用夹具设计 18
6.1 机床夹具设计的基本要求和一般步骤 18
6.1.1 对专用夹具的基本要求 18
6.1.2 专用夹具设计步骤 18
6.2 多件铣夹具设计 19
6.2.1 研究原始资料 20
6.2.2 定位基准的选择 20
6.2.3 夹具方案的设计选择 20
6.2.4 切削力及夹紧分析计算 21
6.2.5 误差分析与计算 21
6.2.6 夹具设计及操作的简要说明 22
参考文献 23
附录 24
结束语 25
致谢 26
温馨提示:
1、题目前面的备注【字母数字编号】为本站整理分类的编号,与课题内容无关,请选题时忽视;
2、若题目上备注三维,则表示文件里包含三维源文件,由于三维组成零件数量较多,为保证预览截图的简洁性,本站将三维文件夹进行了打包。三维及CAD预览截图,均为本站电脑打开软件进行截图的,保证能够打开,下载原件超高清,下载后解压即可;
3、本站所有资源如无特殊说明,都需要本地电脑安装Office2007。图纸软件为AutoCAD,PROE,UG,SolidWorks,CATIA等;
4、本站所有图文资料仅供用户学习参考,不作为任何商用或其他用途;
5、本站不保证下载资源的准确性、安全性和完整性, 不包修改,不支持退换,同时也不承担用户因使用这些下载资源对自己和他人造成任何形式的伤害或损失;
6、 下载文件中如有侵权或不适当内容,请与我们联系,我们立即纠正。