

作品包括:
Word版说明书1份,共47页,约15000字
工序卡8张
工艺过程卡1张
CAD版本图纸,共4张
SW三维图一套

目录
目录 3
1 绪论 6
2 零件的分析 7
2.1 零件的作用 7
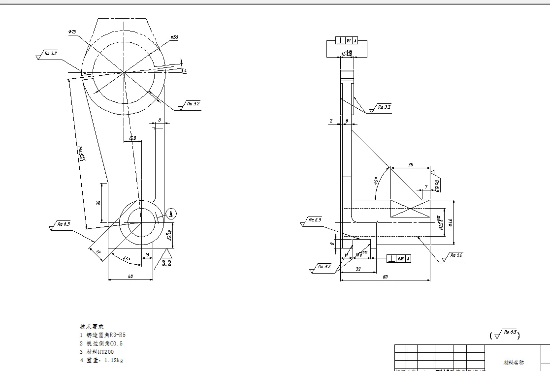
2.2 拨叉A的工艺分析 7
2.3 拨叉A的工艺 7
2.3.1 加工要求 7
2.3.2 平面的加工 8
2.3.3 大头孔的加工 8
2.3.4 小头孔的加工 8
2.4 本章小结 9
3 工艺规程设计 10
3.1确定毛坯的制造形式 10
3.2 加工工艺过程 10
3.3 基面的选择 10
3.3.1 粗基准的选择 10
3.3.2 精基准的选择 11
3.4工艺路线的拟订 12
3.4.1 确定工序的原则 12
3.4.2 工序的特点 12
3.4.3 加工精度的划分 13
3.4.4 制定工艺路线 14
3.5 本章小结 16
4 工序参数选择、计算 17
4.1 毛坯的确定 17
4.1.1 毛坯的工艺要求 17
4.1.2 毛坯形状、尺寸要求 17
4.2 拨叉A的偏差计算 18
4.2.1 拨叉平面的偏差及加工余量计算 18
4.2.2 大小头孔的偏差及加工余量计算 19
4.2.3 粗、精铣 槽 20
4.3 确定切削用量及基本工时(机动时间) 21
4.3.1 工序1:粗、精铣 孔上平面 21
4.3.2 工序2:加工孔 到要求尺寸 23
4.3.3 工序3 粗、精铣两侧面 27
4.3.4 工序4 粗、精车 孔 29
4.3.5 工序5:粗、精铣下平面 31
4.3.6 工序6:粗、精铣 槽 33
4.3.7 工序7 粗铣斜平面 35
4.3.8 工序8 铣断 36
4.4 时间定额计算及生产安排 37
4.4.1 粗、精铣 孔上平面 37
4.4.2 钻、扩、铰 孔 38
4.4.3 粗、精铣两侧面 38
4.4.4 粗、精镗 孔 38
4.4.5 粗、精铣下平面 39
4.4.6 粗、精铣 槽 40
4.4.7 粗铣斜平面 40
4.4.8 铣断 41
4.5 本章小结 41
5 夹具设计 42
5.1 定位基准的选择 42
5.2 切削力及夹紧力的计算 42
5.3 定位误差分析 43
5.4 夹具设计及操作的简要说明 43
5.5 本章小结 44
结论 45
参 考 文 献 46
致 谢 47
温馨提示:
1、题目前面的备注【字母数字编号】为本站整理分类的编号,与课题内容无关,请选题时忽视;
2、若题目上备注三维,则表示文件里包含三维源文件,由于三维组成零件数量较多,为保证预览截图的简洁性,本站将三维文件夹进行了打包。三维及CAD预览截图,均为本站电脑打开软件进行截图的,保证能够打开,下载原件超高清,下载后解压即可;
3、本站所有资源如无特殊说明,都需要本地电脑安装Office2007。图纸软件为AutoCAD,PROE,UG,SolidWorks,CATIA等;
4、本站所有图文资料仅供用户学习参考,不作为任何商用或其他用途;
5、本站不保证下载资源的准确性、安全性和完整性, 不包修改,不支持退换,同时也不承担用户因使用这些下载资源对自己和他人造成任何形式的伤害或损失;
6、 下载文件中如有侵权或不适当内容,请与我们联系,我们立即纠正。