

作品包括:
Word版说明书1份,共42页,约15000字
工序卡5张
工艺过程卡1张
CAD版本图纸,共4张

目 录
摘 要 I
ABSTRACT II
目 录 3
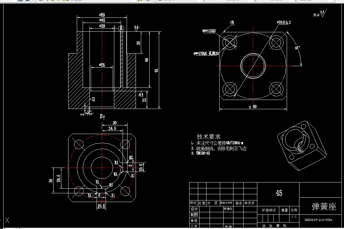
1 后托架加工工艺 4
1.1 后托架的工艺分析 4
1.2 后托架的工艺要求及工艺分析 4
1.2.1 后托架的技术要求 5
1.3 加工工艺过程 5
1.4 确定各表面加工方案 4
1.4.1 在选择各表面及孔的加工方法时,要综合考虑以下因素 4
1.4.2 平面的加工 4
1.4.3孔的加工方案 4
1.5 确定定位基准 5
1.5.1 粗基准的选择 5
1.5.2 精基准选择的原则 6
1.6 工艺路线的拟订 6
1.6.1工序的合理组合 7
1.6.2 工序的集中与分散 7
1.6.3 加工阶段的划分 8
1.6.4 加工工艺路线方案的比较 9
1.7 后托架的偏差,加工余量,工序尺寸及毛坯尺寸的确定 12
1.7.1 毛坯的结构工艺要求 12
1.7.2 后托架的偏差计算 12
1.8 确定切削用量及基本工时(机动时间) 16
1.8.1 工序1:粗、精铣底面 16
1.8.2 工序2 粗、半精、铰孔CA6140侧面三杠孔 18
1.8.3 工序3:钻顶面四孔 24
1.8.4 工序4:钻侧面两孔 28
1.9 时间定额计算及生产安排 30
1.9.1 粗、精铣底面 30
1.9.2 钻侧面三杠孔 31
1.9.3 钻顶面四孔 32
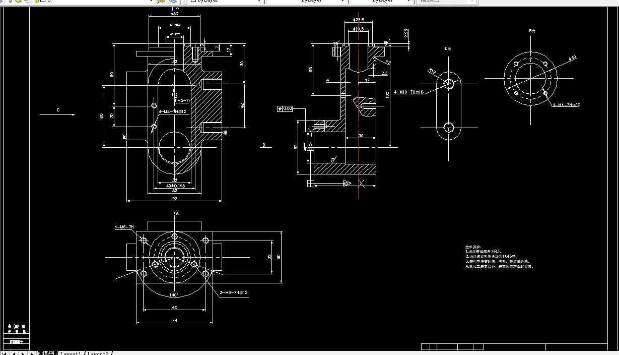
2 钻40孔夹具设计专用夹具设计 34
2.1 研究原始质料 34
2.2 定位基准的选择 34
2.3 切削力及夹紧力的计算 34
2.4 误差分析与计算 36
2.5 夹具设计及操作的简要说明 36
结 论 37
参考文献 39
温馨提示:
1、题目前面的备注【字母数字编号】为本站整理分类的编号,与课题内容无关,请选题时忽视;
2、若题目上备注三维,则表示文件里包含三维源文件,由于三维组成零件数量较多,为保证预览截图的简洁性,本站将三维文件夹进行了打包。三维及CAD预览截图,均为本站电脑打开软件进行截图的,保证能够打开,下载原件超高清,下载后解压即可;
3、本站所有资源如无特殊说明,都需要本地电脑安装Office2007。图纸软件为AutoCAD,PROE,UG,SolidWorks,CATIA等;
4、本站所有图文资料仅供用户学习参考,不作为任何商用或其他用途;
5、本站不保证下载资源的准确性、安全性和完整性, 不包修改,不支持退换,同时也不承担用户因使用这些下载资源对自己和他人造成任何形式的伤害或损失;
6、 下载文件中如有侵权或不适当内容,请与我们联系,我们立即纠正。