

作品包括:
Word版说明书1份,共32页,约10000字
工序卡15张
工艺过程卡1张
CAD版本图纸,共5张
SW三维图一套

目 录
第1章 绪论 1
1.1 选题的意义 1
1.2夹具的发展方向 1
1.3本章小结 2
第2章 拨叉的加工工艺规程设计 4
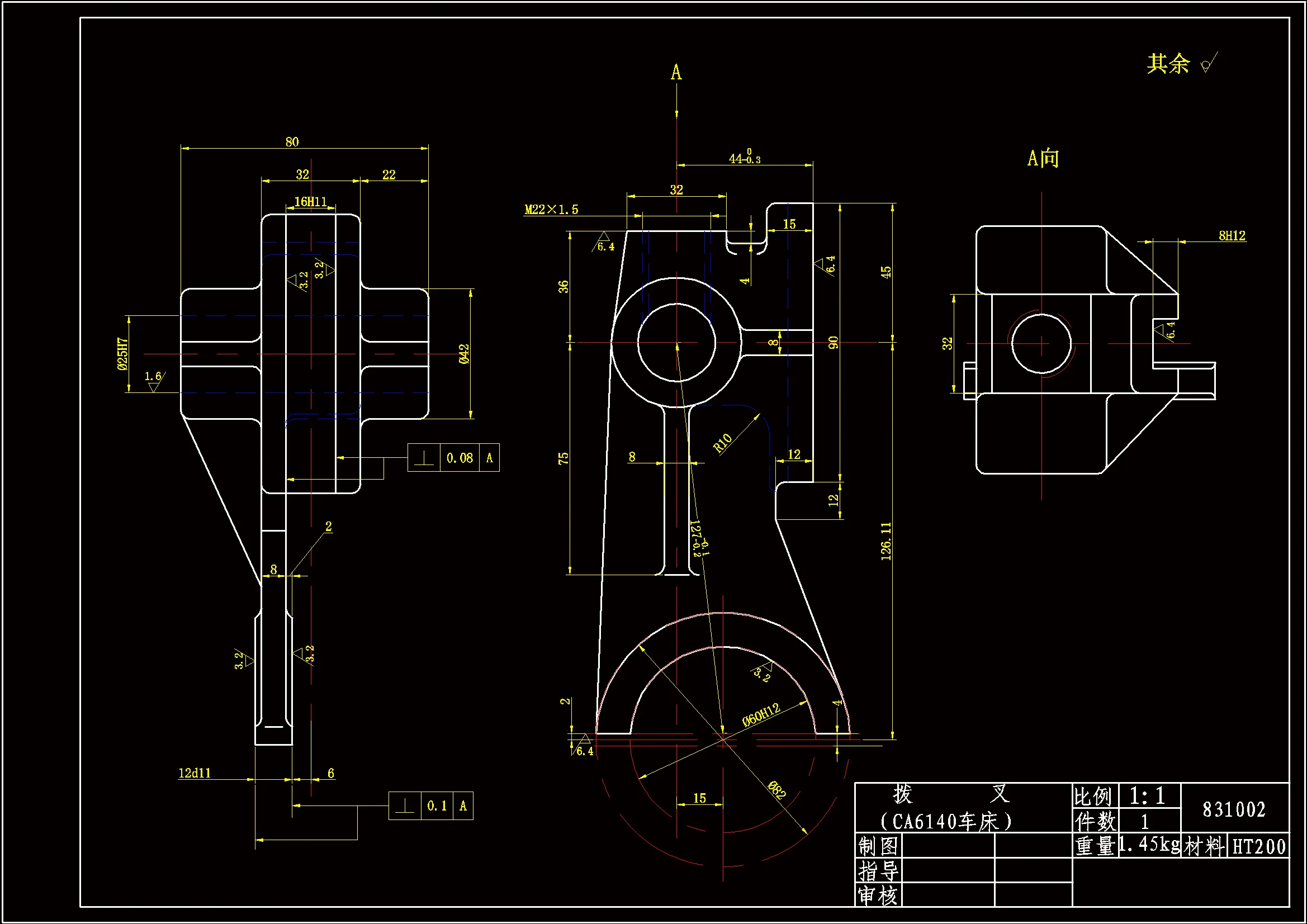
2.1零件的分析 4
2.1.1零件的作用 4
2.1.2零件的工艺分析 4
2.2确定生产类型 5
2.3确定毛坯 5
2.3.1确定毛坯种类 5
2.3.2确定铸件加工余量及形状 5
2.3.3绘制铸件零件图 6
2.4工艺规程设计 6
2.4.1选择定位基准 6
2.4.2制定工艺路线 7
2.4.3选择加工设备和工艺设备 8
2.4.4机械加工余量、工序尺寸及公差的确定 8
2.5确定切削用量及基本工时 9
工序10粗铣Φ25H7两端面 10
工序20钻Φ25H7通孔 10
工序30粗镗下端Φ60H12孔 14
工序40 半精镗下端Φ60H12孔 14
工序50粗铣a、b面 15
工序60钻Φ20.50孔 17
工序70攻M22×1.5螺纹 18
工序80粗铣16H11槽 19
工序90半精铣16H11的槽 20
工序100铣断Φ60H12孔 21
工序110粗铣Φ60H12孔两端面 22
工序120精铣Φ60H12孔两端面 23
2.6本章小结 23
第3章 专用夹具设计 25
3.1问题的提出 25
3.2定位基准的选择 25
3.3 切削力及夹紧力的计算 25
3.4定位误差分析 26
3.5夹具设计及简要操作说明 26
结论 28
致谢 29
参考文献 30
温馨提示:
1、题目前面的备注【字母数字编号】为本站整理分类的编号,与课题内容无关,请选题时忽视;
2、若题目上备注三维,则表示文件里包含三维源文件,由于三维组成零件数量较多,为保证预览截图的简洁性,本站将三维文件夹进行了打包。三维及CAD预览截图,均为本站电脑打开软件进行截图的,保证能够打开,下载原件超高清,下载后解压即可;
3、本站所有资源如无特殊说明,都需要本地电脑安装Office2007。图纸软件为AutoCAD,PROE,UG,SolidWorks,CATIA等;
4、本站所有图文资料仅供用户学习参考,不作为任何商用或其他用途;
5、本站不保证下载资源的准确性、安全性和完整性, 不包修改,不支持退换,同时也不承担用户因使用这些下载资源对自己和他人造成任何形式的伤害或损失;
6、 下载文件中如有侵权或不适当内容,请与我们联系,我们立即纠正。