

作品包括:
Word版设计说明书1份
CAD版本图纸,共5张
摘要
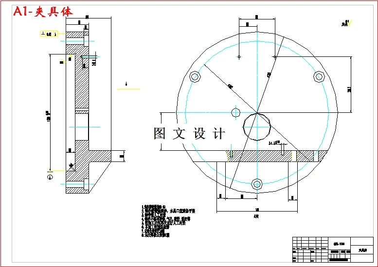
本夹具主要用于磨削三拐轴径,主要的技术要求是保证三轴径的圆柱度和两端轴心线的位置精度。主要应考虑如何提高劳动生产率,降低劳动强度同时,还要考虑技术上的要求。由零件图可知:要磨削三拐轴径,主要的技术要求是保证锥孔中心线对三拐轴径的径向跳动误差。则设计夹具时,必须要限制Z轴的移动,转动;X轴的转动,移动;Y轴的移动也要有控制,这种定位属于部分定位。由零件图可知:前支承轴颈作为定位基准且与锥孔互为基准。有利于保证锥孔中心线对φ70轴径的径向跳动误差。
温馨提示:
1、题目前面的备注【字母数字编号】为本站整理分类的编号,与课题内容无关,请选题时忽视;
2、若题目上备注三维,则表示文件里包含三维源文件,由于三维组成零件数量较多,为保证预览截图的简洁性,本站将三维文件夹进行了打包。三维及CAD预览截图,均为本站电脑打开软件进行截图的,保证能够打开,下载原件超高清,下载后解压即可;
3、本站所有资源如无特殊说明,都需要本地电脑安装Office2007。图纸软件为AutoCAD,PROE,UG,SolidWorks,CATIA等;
4、本站所有图文资料仅供用户学习参考,不作为任何商用或其他用途;
5、本站不保证下载资源的准确性、安全性和完整性, 不包修改,不支持退换,同时也不承担用户因使用这些下载资源对自己和他人造成任何形式的伤害或损失;
6、 下载文件中如有侵权或不适当内容,请与我们联系,我们立即纠正。