

作品包括:
说明书一份,35页,约21000字
CAD版本图纸,共7张
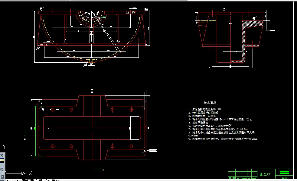
JH-14型回柱绞车蜗轮箱加工工艺及夹具设计
摘 要:本设计主要讲述了回柱绞车蜗轮箱的加工工艺规程及一些工序的专用夹具设计。回柱绞车蜗轮箱的主要加工表面是平面及孔系。本蜗轮箱是JH-14回柱绞车的主要零件,主要用于矿山机械中。通过查阅各种相关书籍,分析蜗轮箱的结构及其功能,编写了蜗轮箱的加工工艺;经过计算选择其切削用量、选择机床和工艺设备,设计出了专用夹具。
关键词:蜗轮箱;加工工艺;夹具
目 录
摘要 1
关键词 1
1 前言 2
1.1 课题背景 2
1.2 国内外研究现状 2
1.3 本课题的主要研究内容 2
2 零件的工艺分析 3
2.1 箱体零件的功用和结构特点 3
2.2 箱体零件图样分析 3
2.3 箱体零件工艺分析 4
2.4 箱体零件的主要技术要求 5
2.4.1 孔径精度 5
2.4.2 孔和平面的位置精度 5
2.4.3 主要平面的精度 5
2.4.4 表面粗糙度 5
2.5 主要设计内容 5
2.5.1 分析零件图 6
2.5.2 工艺分析 6
2.5.3 设计两套专用夹具 6
3 工艺规程设计 7
3.1 箱体的材料及毛坯 7
3.1.1 毛坯的种类 7
3.1.2 毛坯的形状及尺寸确定 8
3.1.3 毛坯的热处理 8
3.2 减速箱箱体加工的问题和加工工艺过程设计所应采取的措施 8
3.2.1 孔和平面的加工顺序 8
3.2.2 孔系加工方案的选择 9
3.3 减速箱体加工定位基准的选 9
3.3.1 粗基准的选择 9
3.3.2 精基准的选择 10
3.4 加工工艺路线的拟定 11
3.4.1 工艺路线方案一 11
3.4.2 工艺路线方案二 14
3.4.3 工艺方案的比较与分析 16
3.5 机械加工余量、工序尺寸及毛坯尺寸的确定 16
3.5.1 JH-14回柱绞车减速机机盖机械加工余量确定 16
3.5.2 JH-14回柱绞车减速机机座机械加工余量确定 17
3.5.2 JH-14回柱绞车减速机合箱后机械加工余量确定 19
4 夹具设计 22
4.1 设计精铣JH-14型回柱绞车蜗轮箱箱座上平面夹具 22
4.1.1 设计任务分析 22
4.1.2 定位基准的选择 23
4.1.3 定位元件的设计 23
4.1.4 夹紧元件的设计 24
4.1.5 定向键与对刀装置设计 26
4.1.6 夹具操作的简要说明 27
4.1.7 夹具的公差 27
4.2 镗床夹具设计 28
4.2.1 结构分析 29
4.2.2 夹紧力大小的确定原则 30
4.2.3 夹紧元件的刚度、强度校核 30
4.2.4 定位销尺寸确定与高度计算 31
4.2.5 镗杆的直径与长度 32
4.2.6 镗孔夹具的装配说明 32
5 结束语 33
参考文献 34
致谢 35
附录 35
温馨提示:
1、题目前面的备注【字母数字编号】为本站整理分类的编号,与课题内容无关,请选题时忽视;
2、若题目上备注三维,则表示文件里包含三维源文件,由于三维组成零件数量较多,为保证预览截图的简洁性,本站将三维文件夹进行了打包。三维及CAD预览截图,均为本站电脑打开软件进行截图的,保证能够打开,下载原件超高清,下载后解压即可;
3、本站所有资源如无特殊说明,都需要本地电脑安装Office2007。图纸软件为AutoCAD,PROE,UG,SolidWorks,CATIA等;
4、本站所有图文资料仅供用户学习参考,不作为任何商用或其他用途;
5、本站不保证下载资源的准确性、安全性和完整性, 不包修改,不支持退换,同时也不承担用户因使用这些下载资源对自己和他人造成任何形式的伤害或损失;
6、 下载文件中如有侵权或不适当内容,请与我们联系,我们立即纠正。