

作品包括:
说明书1份,共37页,约11000字左右
工序卡7张
工艺过程卡1张
CAD版本图纸,共4张
SW三维图一套

目 录
摘 要 I
Abstract II
目 录 III
序 言 1
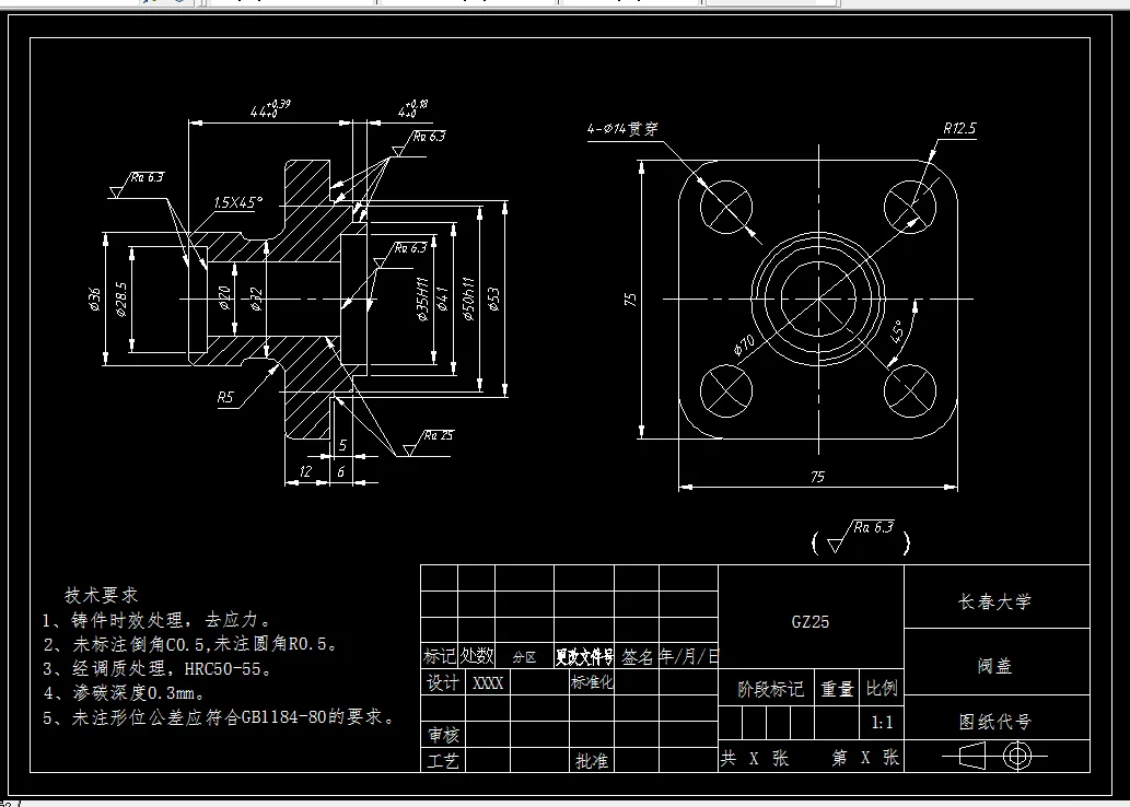
一、零件分析及毛胚形式确定 2
1.1.零件的工艺分析 2
1.2.零件的生产类型 2
1.3.选择毛坯 2
二、选择加工方法,制定工艺路线 3
2.1.定位基准的选择 3
2.2.零件表面加工方法的选择 3
2.3.制定工艺路线 3
2.4确定毛胚尺寸 4
三、工艺参数计算 6
3.1工序一粗车、半精车、精车阀盖两端面 6
3.2工序二钻、扩孔Φ20 14
3.3 工序三:粗车内孔Φ35及内侧面 15
3.4 工序四:车Φ41、Φ53外圆及端面 18
3.5 工序五:磨Φ50外圆 22
3.6 工序六:车Φ28.5孔及内侧面 24
3.7 工序八:钻4-Φ14孔 27
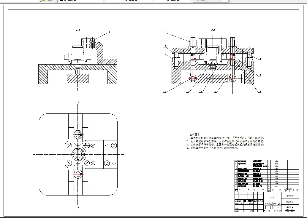
四、夹具设计 28
4.1 拟定定位方案和选择定位元件 28
4.2工件定位的基本原理 28
4.3工件定位的类型 28
4.4定位基准的选择 29
4.5工件定位方式及其定位元件 29
4.6夹具的分类 29
4.6切削力和夹紧力的计算 30
4.8夹具体的设计 31
4.11夹具装配图 31
设计体会 32
参考文献 33
温馨提示:
1、题目前面的备注【字母数字编号】为本站整理分类的编号,与课题内容无关,请选题时忽视;
2、若题目上备注三维,则表示文件里包含三维源文件,由于三维组成零件数量较多,为保证预览截图的简洁性,本站将三维文件夹进行了打包。三维及CAD预览截图,均为本站电脑打开软件进行截图的,保证能够打开,下载原件超高清,下载后解压即可;
3、本站所有资源如无特殊说明,都需要本地电脑安装Office2007。图纸软件为AutoCAD,PROE,UG,SolidWorks,CATIA等;
4、本站所有图文资料仅供用户学习参考,不作为任何商用或其他用途;
5、本站不保证下载资源的准确性、安全性和完整性, 不包修改,不支持退换,同时也不承担用户因使用这些下载资源对自己和他人造成任何形式的伤害或损失;
6、 下载文件中如有侵权或不适当内容,请与我们联系,我们立即纠正。