

作品包括:
Word版说明书1份,共33页,约9200字
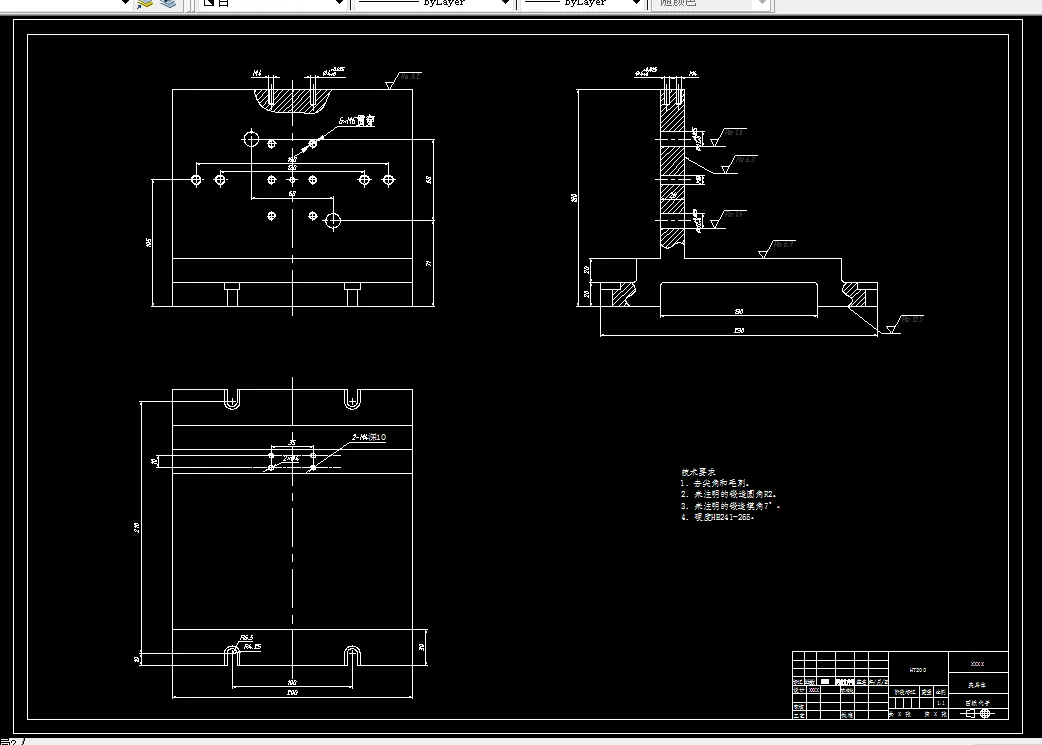
工序卡7张
工艺过程卡1张
CAD版本图纸,共4张
SW三维图一套
![1751724048656678.webp THUDAQD_]AKB`LZ(JJQZH9H.webp](/static/upload/image/20250705/1751724048656678.webp)
目 录
摘要 1
abstract 2
目 录 3
序 言 5
第一章 零件的分析 6
1.1零件的作用 6
1.2 零件的工艺分析 6
第二章 工艺规程设计 7
2.1确定毛坯的制造形式 7
2.2基面的选择 7
2.3制定工艺路线 8
2.4机械加工余量、工序尺寸及毛坯尺寸的确定 10
第三章 切削用量计算 11
3.1 工序30 铣 端面、凸台外圆机凸台端面 11
3.1.1 工步一:粗铣 端面 11
3.1.2 工步二 精铣 端面 12
3.1.3 工步三:粗铣 凸台 14
3.1.4 工步四 粗铣 凸台 15
3.2 工序40 钻、扩2-Φ11对角底孔 17
3.2.1 工步一:钻孔至Φ13.5 17
3.2.2 工步二:扩孔至Φ11 18
3.3 工序50 铣118mm两侧面 19
3.3.1 工步一 粗铣侧面 19
3.3.2 工步二 精铣侧面 21
3.4 工序60 铣叉口三角4x12mm 22
3.5 工序70 车 mm内孔 24
3.5.1 工步一:粗车 mm内孔至 24
3.5.2 工步二:精车 mm内孔 25
3.6 工序80 钻2-Φ11对角底孔 26
3.7 工序90 钻、攻4-M8螺纹孔 28
3.7.1 工步一:钻 螺纹底孔 28
3.7.2 工步二:攻螺纹 28
第四章 夹具设计 28
4.1问题的提出 29
3.2定位基准的选择 29
3.3 切削力和夹紧力的计算 29
3.4 定位误差分析与计算 30
3.5 夹具设计及操作的简要说明 31
总 结 31
参考文献 33
致 谢34
温馨提示:
1、题目前面的备注【字母数字编号】为本站整理分类的编号,与课题内容无关,请选题时忽视;
2、若题目上备注三维,则表示文件里包含三维源文件,由于三维组成零件数量较多,为保证预览截图的简洁性,本站将三维文件夹进行了打包。三维及CAD预览截图,均为本站电脑打开软件进行截图的,保证能够打开,下载原件超高清,下载后解压即可;
3、本站所有资源如无特殊说明,都需要本地电脑安装Office2007。图纸软件为AutoCAD,PROE,UG,SolidWorks,CATIA等;
4、本站所有图文资料仅供用户学习参考,不作为任何商用或其他用途;
5、本站不保证下载资源的准确性、安全性和完整性, 不包修改,不支持退换,同时也不承担用户因使用这些下载资源对自己和他人造成任何形式的伤害或损失;
6、 下载文件中如有侵权或不适当内容,请与我们联系,我们立即纠正。