

作品包括:
Word版设计说明书1份,共41页,约15000字
中期报告一份
工序卡全套
工艺过程卡1套
CAD版本图纸,共15张
Proe三维图一份

摘要
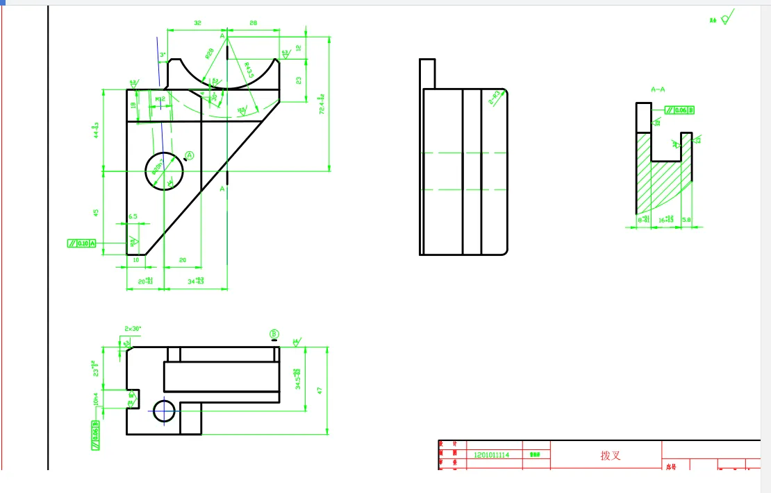
本次毕业设计课题是加工刀架座指定面的夹具及其制造工艺设计。
在对该刀架座夹具设计时,分析对该零件的加工要求,应限制几个自由度,及零件的表面特征而确定出定位方案与定位误差,而后分析夹紧力的方向及大小与夹紧点的位置,在此基础上考虑夹紧的效率与夹紧的刚度和强度的需求进而确定出专用夹具的夹紧方案。在确定夹具的基本方案后根据生产条件确定出夹具动力装置的类型,最后对专用夹具进行装配图和主要零件图的绘制。
对刀架座夹具体的工艺设计,首先对夹具体零件进行分析和生产类型的确定,然后确定毛坯、选择定位基准和加工方法,再然后制订工艺路线、确定加工余量及毛坯尺寸和工序设计,最后确定切削用量和基本时间。
最后设计专用夹具的装配工艺,确定装配单元。
关键词:刀架座,夹具体,工艺,夹具
目 录
摘要 I
ABSTRACT II
第1章 绪论 3
1.1 课题目的及意义 3
1.2 国内外发展动态 4
1.3主要研究内容和设计思路 5
第2章 专用机床夹具设计 8
2.1接受设计任务、明确加工要求 8
2.2确定定位方案、选择定位元件 8
2.3确定夹紧方案、设计夹紧机构 9
2.4确定定位元件 11
2.5设计主夹紧螺杆 12
2.6设计螺母滑座 13
2.7设计固定导轨 14
2.8车床夹具配重设计 15
2.9绘制夹具装配图,标注有关尺寸及技术要求 16
第3章 夹具体的设计 17
3.1车夹具中夹具体的类型 17
3.2夹具体总体结构设计 18
3.3安装凸台面设计 20
3.4夹具体中的找正圆设计 20
第4章 夹具体的机械加工工艺规程制定 22
4.1确定生产类型 22
4.2零件的工艺分析 22
4.3确定毛坯制造形式 22
4.3选择定位基准 23
4.4选择加工方法 24
4.5制定工艺路线 24
4.6确定加工余量及毛坯尺寸 26
4.6.1确定加工余量 26
4.6.2确定毛坯基本尺寸 27
4.6.3确定毛坯尺寸公差 28
4.6.4绘制毛坯简图 28
4.7工序设计 29
4.7.1选择加工设备与工艺装备 29
4.7.2确定工序尺寸 31
第5章 立轴分度铣床夹具装配工艺 32
5.1装配的基本概念及规范 32
5.2装配的工艺过程 33
5.3夹具的装配要求 35
5.4装配零件 35
5.5装配工艺步骤 37
5.5.1夹紧装配单元 37
5.5.2辅助夹紧装配单元 37
5.5.3支座装配单元 37
第6章 总结与展望 38
6.1总结 38
6.2展望 38
参考文献 39
致谢 40
温馨提示:
1、题目前面的备注【字母数字编号】为本站整理分类的编号,与课题内容无关,请选题时忽视;
2、若题目上备注三维,则表示文件里包含三维源文件,由于三维组成零件数量较多,为保证预览截图的简洁性,本站将三维文件夹进行了打包。三维及CAD预览截图,均为本站电脑打开软件进行截图的,保证能够打开,下载原件超高清,下载后解压即可;
3、本站所有资源如无特殊说明,都需要本地电脑安装Office2007。图纸软件为AutoCAD,PROE,UG,SolidWorks,CATIA等;
4、本站所有图文资料仅供用户学习参考,不作为任何商用或其他用途;
5、本站不保证下载资源的准确性、安全性和完整性, 不包修改,不支持退换,同时也不承担用户因使用这些下载资源对自己和他人造成任何形式的伤害或损失;
6、 下载文件中如有侵权或不适当内容,请与我们联系,我们立即纠正。