

作品包括:
说明书1份,共44页,约15000字左右
工序卡6张
工艺过程卡1张
CAD版本图纸,共6张
Creo三维图一套
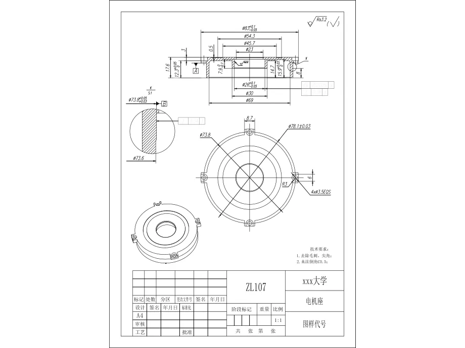
![1751115587510099.webp %S3CEIS8[A~45PKDQ}`]AS6.webp](/static/upload/image/20250628/1751115587510099.webp)
目 录
摘要 I
ABSTRACT II
第1章 绪论 2
1.1 课题目的及意义 2
1.2 国内外发展动态 3
1.3主要研究内容和设计思路 4
第2章 零件分析 7
2.1零件的功用分析 7
2.2零件的工艺分析 7
第3章 机械加工工艺规程制定 8
3.1确定生产类型 8
3.2确定毛坯制造形式 8
3.3选择定位基准 9
3.4选择加工方法 10
3.5制定工艺路线 10
3.6确定加工余量及毛坯尺寸 12
3.6.1确定加工余量 12
3.6.2确定毛坯基本尺寸 14
3.6.3确定毛坯尺寸公差 14
3.6.4绘制毛坯简图 15
3.7工序设计 15
3.7.1选择加工设备与工艺装备 15
3.7.2确定工序尺寸 18
3.8确定切削用量和基本时间 19
第4章 专用机床夹具设计 34
4.1接受设计任务、明确加工要求 34
4.2确定定位方案、选择定位元件 34
4.3确定夹紧方案、设计夹紧机构 36
4.4确定定位元件 38
4.5确定导向方案和选择导向元件 39
4.6选择夹具与机床工作台的定位元件 39
4.7夹具体的设计 40
4.8夹具精度分析 41
4.9绘制夹具装配图,标注有关尺寸及技术要求 42
第5章 总结与展望 42
5.1总结 42
5.2展望 43
参考文献 43
致谢 44
温馨提示:
1、题目前面的备注【字母数字编号】为本站整理分类的编号,与课题内容无关,请选题时忽视;
2、若题目上备注三维,则表示文件里包含三维源文件,由于三维组成零件数量较多,为保证预览截图的简洁性,本站将三维文件夹进行了打包。三维及CAD预览截图,均为本站电脑打开软件进行截图的,保证能够打开,下载原件超高清,下载后解压即可;
3、本站所有资源如无特殊说明,都需要本地电脑安装Office2007。图纸软件为AutoCAD,PROE,UG,SolidWorks,CATIA等;
4、本站所有图文资料仅供用户学习参考,不作为任何商用或其他用途;
5、本站不保证下载资源的准确性、安全性和完整性, 不包修改,不支持退换,同时也不承担用户因使用这些下载资源对自己和他人造成任何形式的伤害或损失;
6、 下载文件中如有侵权或不适当内容,请与我们联系,我们立即纠正。