

作品包括:
Word版说明书1份,共42页,约12000字
工序卡12张
工艺过程卡1张
CAD版本图纸,共7张
SW三维图一套

目录
摘 要 1
ABSTRACT 2
第 1章 引 言 3
1.1 钻床夹具概况 3
1.2钻床专用夹具的原理与基本组成 3
1.3 工件的安装和定位 3
1.4 课题的研究内容和意义 4
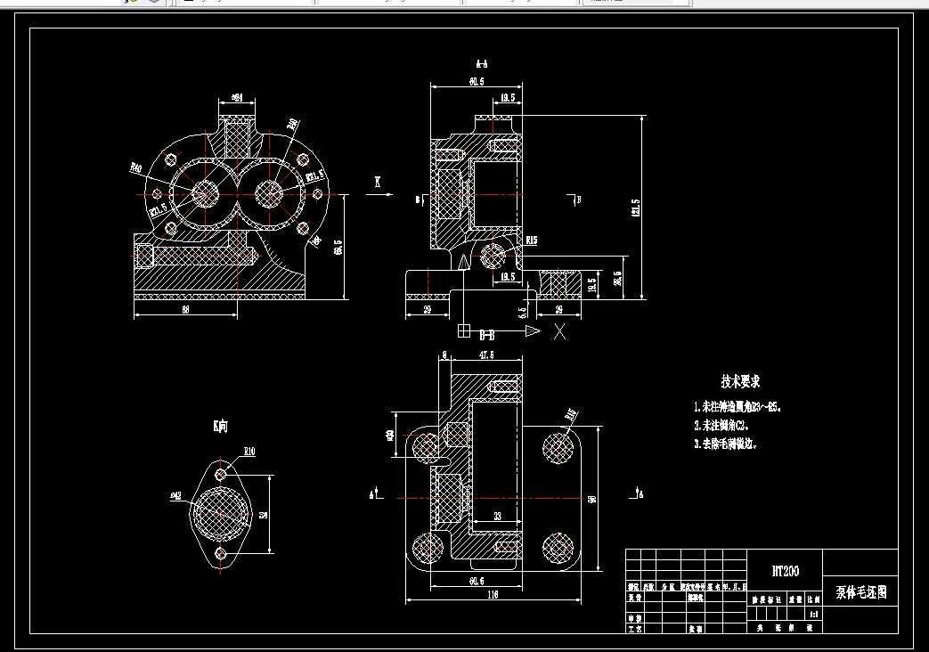
第2章 泵体结构分析 5
2.1泵体作用分析 5
2.2泵体材料分析 5
2.3 零件的结构分析 5
第3章 泵体工艺分析 7
3.1 定位基准的选择 7
3.1.1粗基准选择 7
3.1.2精基准选择 7
3.2 制定加工工艺路线 8
3.3泵体毛坯余量选择 9
3.4 选择切削用量、确定时间定额 11
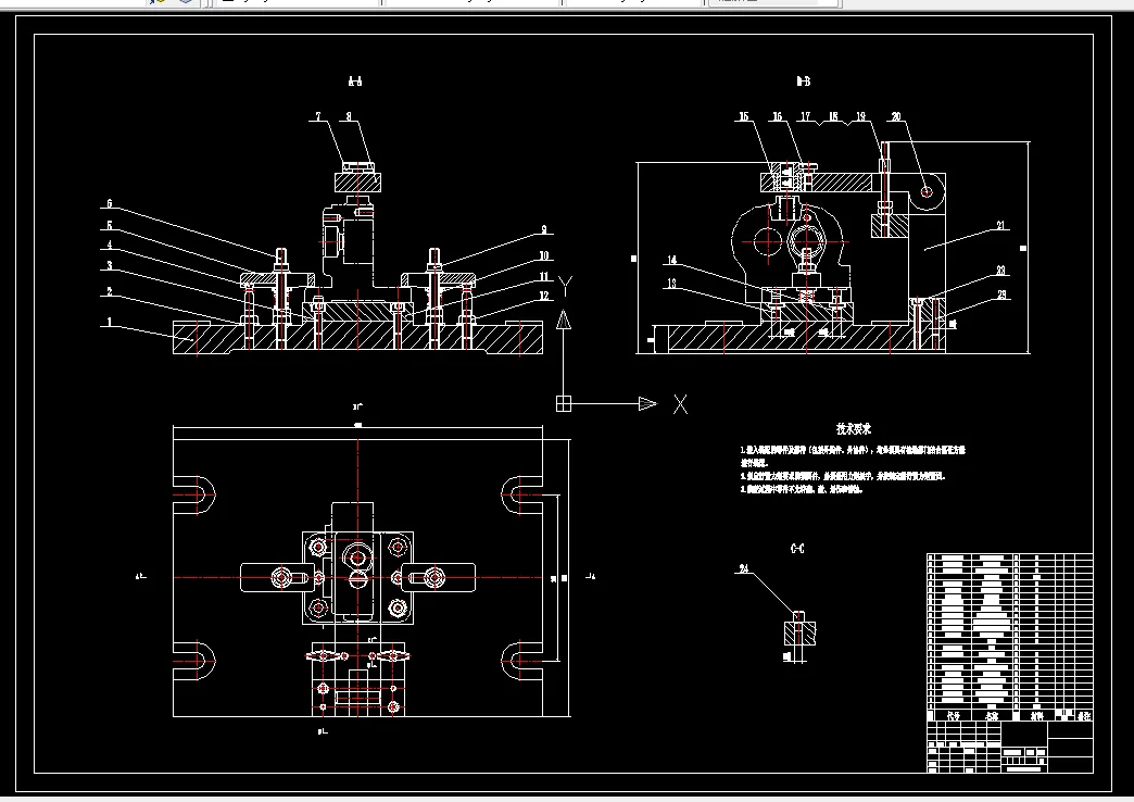
第4章 泵体钻床夹具 31
4.1 问题的提出 31
4.2夹具定位分析 31
4.3 定位误差分析 32
4.3.1移动时基准位移误差 32
4.3.2转角误差 32
4.4 钻削力和夹紧力计算 33
4.4.1计算钻削力 34
4.4.2计算螺旋夹紧机构夹紧力 34
4.5 钻模设计 35
4.5.1 钻模的选择 35
4.5.2 钻模板的选择 36
4.5.3 钻套的选择 36
4.6 简要操作说明 37
参 考 文 献 39
致 谢 40
温馨提示:
1、题目前面的备注【字母数字编号】为本站整理分类的编号,与课题内容无关,请选题时忽视;
2、若题目上备注三维,则表示文件里包含三维源文件,由于三维组成零件数量较多,为保证预览截图的简洁性,本站将三维文件夹进行了打包。三维及CAD预览截图,均为本站电脑打开软件进行截图的,保证能够打开,下载原件超高清,下载后解压即可;
3、本站所有资源如无特殊说明,都需要本地电脑安装Office2007。图纸软件为AutoCAD,PROE,UG,SolidWorks,CATIA等;
4、本站所有图文资料仅供用户学习参考,不作为任何商用或其他用途;
5、本站不保证下载资源的准确性、安全性和完整性, 不包修改,不支持退换,同时也不承担用户因使用这些下载资源对自己和他人造成任何形式的伤害或损失;
6、 下载文件中如有侵权或不适当内容,请与我们联系,我们立即纠正。