

作品包括:
Word版说明书1份,共40页,约11000字
任务书月份
开题报告一份
外文翻译一份
CAD版本图纸,共15张
UG三维图一份
SW三维图一套
![1711945138788205.webp F~}B]MUEDLR~N]M7UQ7C4`6.webp](/static/upload/image/20240401/1711945138788205.webp)
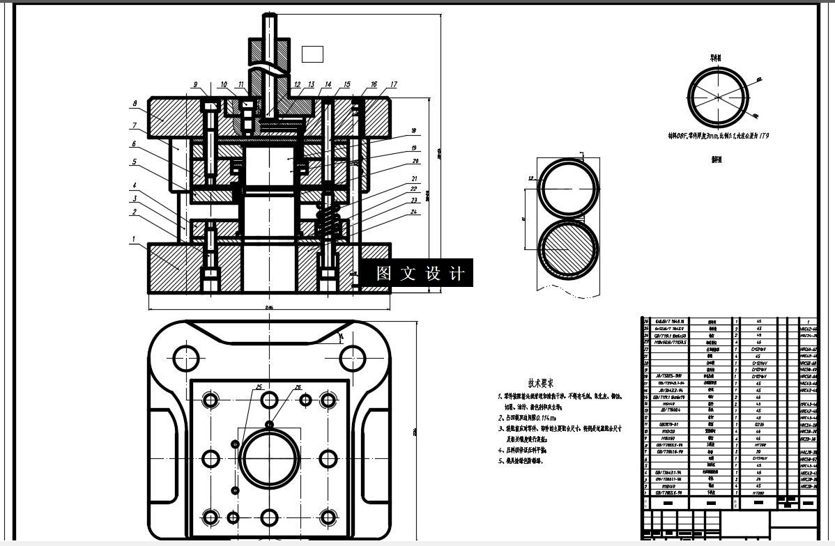
摘要:本设计的内容为游戏手柄外壳的注塑模具。模具作为生产工业之母,在我国已有悠久历史,其中,注塑模在塑料外壳制品领域应用及其广泛,本次设计的塑件是游戏手柄外壳,以设计一款合理的注塑模具设计为主题,我将应用所学的UG软件进行塑件的三维建模以及相对应的模具设计,并运用CAD软件对模具进行工程出图以及在设计过程中运用Moldflow软件对模具进行浇注系统的布局和冷却系统的模流优化分析。以如何设置模具的各部分参数使其更加合理化为设计思路,并进行型芯,型腔的合理分型,标准件的合理选择,冷却系统设计,模流优化分析等一系列步骤。在满足塑件工艺,表面质量和精度的前提下使得设计出的模具可以最终应用在实际生产中,实现高质量,大批量的生产出一款小巧可爱,更适合女性使用,满足市场需求的游戏手柄。因此,注塑模具研究对塑料产品的生产过程的了解及提高产品的质量很有必要。
关键词:塑料; NX; 注塑模具设计; Moldflow
目 录
第一章 绪论 1
第二章 塑件成型工艺性分析 2
2.1 塑件介绍 2
2.2 塑件制品的工艺性分析 3
2.2.1 塑件的选材 3
2.2.2 注射成型工艺参数 3
2.2.3 塑件的尺寸和精度 4
2.2.4 塑件的表面质量 5
2.2.5 塑件几何形状和结构设计 6
2.2.6 孔的设计 6
2.3 确定注塑机的型号 6
2.3.1 质量计算 6
2.3.2注射机的选用及注塑量的校核 8
第三章 浇注系统的设计 10
3.1 分型面的选择 10
3.1.1 分型面的确定 10
3.2 主流道的设计 11
3.3 模流设计及优化 13
3.3.1模流分析中的模型导入及网格划分 13
3.4 浇口设计 14
3.4.1 方案设计 14
3.4.2 分流道设计 15
3.4.3 浇注系统的设计 15
3.5设计冷料穴 18
第四章 模具结构零件设计 19
4.1成型零件结构设计和计算 19
4.1.1成型零件结构设计 19
4.1.2成型零件选材 20
4.1.3成型零件工作尺寸计算 20
4.2 注塑模模架的设计 23
4.2.1 注塑模模架的选择 23
4.2.2 各个模板尺寸的确定 24
4.2.2模具厚度和开模行程的校核 24
4.3排气槽的设计 24
4.4 推出机构设计 24
4.4.1推出方式的确定 24
4.4.2计算脱模力 24
4.4.3校核推出机构作用在塑件上的单位压应力 25
4.5导向机构的设计 25
第五章 温度调节系统 28
5.1 冷却水道的设计 28
5.1.1 冷却水道设计原则 28
5.1.2 方案设计 28
5.2.冷却系统简单计算 30
5.2.1.冷却时间的确定 30
5.2.2.冷却水道传热面积及水道数目的计算 31
第六章 模具装配图 33
第七章 总结 35
参考文献 36
致 谢 37
温馨提示:
1、题目前面的备注【字母数字编号】为本站整理分类的编号,与课题内容无关,请选题时忽视;
2、若题目上备注三维,则表示文件里包含三维源文件,由于三维组成零件数量较多,为保证预览截图的简洁性,本站将三维文件夹进行了打包。三维及CAD预览截图,均为本站电脑打开软件进行截图的,保证能够打开,下载原件超高清,下载后解压即可;
3、本站所有资源如无特殊说明,都需要本地电脑安装Office2007。图纸软件为AutoCAD,PROE,UG,SolidWorks,CATIA等;
4、本站所有图文资料仅供用户学习参考,不作为任何商用或其他用途;
5、本站不保证下载资源的准确性、安全性和完整性, 不包修改,不支持退换,同时也不承担用户因使用这些下载资源对自己和他人造成任何形式的伤害或损失;
6、 下载文件中如有侵权或不适当内容,请与我们联系,我们立即纠正。