

犁刀变速齿轮箱体钻孔攻丝双工位组合机床设计
47页-20000字数+说明书+3张CAD图纸
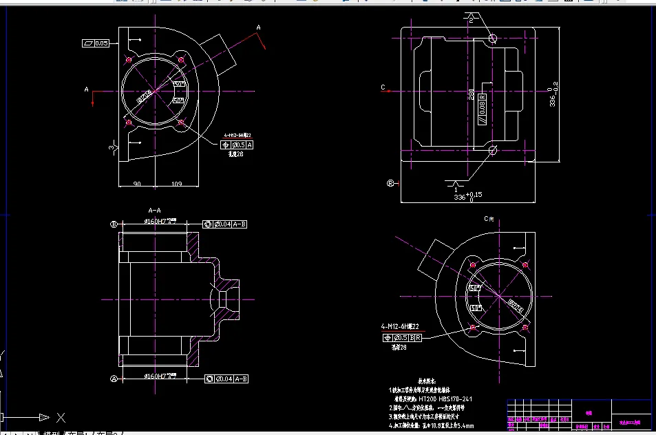
加工工序图.dwg
多轴箱.dwg
犁刀变速齿轮箱体钻孔攻丝双工位组合机床设计说明书.doc
联系尺寸图.dwg
目录
摘要 I
Abstract II
第一章 组合机床概述 1
第二章 犁刀变速齿轮箱体工艺分析 5
2.1 被加工零件的功用 5
2.2 编制工艺规程及分析 5
2.2.1 被加工零件的技术要求 5
2.2.2 计算生产纲领 5
2.2.3 毛坯的选用 6
2.3 零件加工工艺路线的拟定 7
2.3.1 工件定位 7
2.3.2 定位基准的选择 8
2.3.3 工序的集中和分散 8
2.3.4 加工工序的设计 9
2.3.5 热处理的安排 9
2.3.6 初步拟定工艺规程 9
2.4 攻丝切削用量的选择 10
第三章 钻孔、攻丝组合机床的结构设计 11
3.1 组合机床的配置形式的选择 11
3.2 动力部件的选择 11
3.3 通用部件选择 12
3.3.1 主轴箱的轮廓尺寸的确定 12
3.3.3 侧底座 13
3.3.4 中间底座 14
3.3.5 动力部件工作行程及循环的确定 14
3.3.7 初步确定装料高度 15
第四章 绘制“三图一卡” 16
4.1 绘制被加工零件工序图 16
4.2 绘制被加工零件加工示意图 16
4.3 机床联系尺寸图的绘制 18
4.4 专用机床生产率计算卡的编制 18
4.4.1 生产率的计算 18
4.4.2 编写生产率计算卡 20
第五章 组合机床攻螺纹多轴箱设计 21
5.1 攻螺纹概述 21
5.2.1 内容及注意事项 21
5.2.2 主轴外伸尺寸及切削用量 22
5.3 主轴齿轮的确定及计算 发 22
5.3.1 主轴形式和直径,齿轮模数的确定 22
5.3.2 多轴箱所需动力计算 23
5.4 多轴箱的传动设计 24
5.4.1 对多轴箱的传动系统的一般要求 25
5.4.2 拟订多轴箱传动系统的方法 25
5.5 主轴、传动轴坐标计算 28
5.5.1加工基准坐标系xoy,计算主轴驱动轴坐标 28
5.5.2 验算中心误差 30
5.5.3制坐标检查图 31
5.6 对传动零件进行校核 32
5.6.1 轴的挍核 32
5.6.2 齿轮的挍核 33
5.7 攻螺纹装置的设计 35
5.7.1 攻螺纹靠模机构及卡头 35
5.7.2 攻螺纹装置 35
5.7.3 攻螺纹行程的控制 36
5.8 多轴箱总图及零件图的绘制 37
5.8.1 主视图 37
5.8.2 展开图 37
5.9 多轴箱技术条件 38
第六章 结论 40
参考文献 41
附录 42
致谢 43
摘要
本设计介绍了犁刀变速齿轮箱体多轴箱的设计,其中包含了零件加工工艺的确定,设计中首先要了解工件的加工工艺路线及工序的计算,确定攻螺纹主轴的直径,初步选用电机型号及机床各部分部件。编制三图一卡(被加工零件工序图,加工示意图,机床联系尺寸图,机床生产率计算卡)。在多轴箱设计中,确定传动系统,计算主轴坐标,传动部件的校核及主轴箱的总图绘制。
本设计将钻孔、攻丝两工艺结合为一体,降低了机器成本,而且节省了加工时间,提高了工作生产效率。
关键词: 齿轮箱体 组合机床 总体设计 攻丝多轴箱
温馨提示:
1、题目前面的备注【字母数字编号】为本站整理分类的编号,与课题内容无关,请选题时忽视;
2、若题目上备注三维,则表示文件里包含三维源文件,由于三维组成零件数量较多,为保证预览截图的简洁性,本站将三维文件夹进行了打包。三维及CAD预览截图,均为本站电脑打开软件进行截图的,保证能够打开,下载原件超高清,下载后解压即可;
3、本站所有资源如无特殊说明,都需要本地电脑安装Office2007。图纸软件为AutoCAD,PROE,UG,SolidWorks,CATIA等;
4、本站所有图文资料仅供用户学习参考,不作为任何商用或其他用途;
5、本站不保证下载资源的准确性、安全性和完整性, 不包修改,不支持退换,同时也不承担用户因使用这些下载资源对自己和他人造成任何形式的伤害或损失;
6、 下载文件中如有侵权或不适当内容,请与我们联系,我们立即纠正。