

文档包括:
说明书一份,36页,15000字左右.
翻译一份.
专题综述一份
生产率计算卡一份
CAD图纸共6张:

目 录
第一章 绪论………………………………………………………………………………4
1.1组合机床的概论……………………………………………………………………4
1.2组合机床的发展现状与趋势………………………………………………………4
1.3机床设计的目的、内容、要求……………………………………………………5
1.3.1 设计的目的………………………………………………………………………5
1.3.2 设计内容…………………………………………………………………………5
1.3.3 设计要求…………………………………………………………………………6
1.4机床的设计步骤……………………………………………………………………6
1.4.1 调查研究…………………………………………………………………………6
1.4.2 拟定方案…………………………………………………………………………6
1.4.3 工作图设计………………………………………………………………………7
第二章 零件分析
2.1 零件的结构特点及其技术要求…………………………………………………7
2.1.1零件结构特点……………………………………………………………………7
2.1.2技术要求…………………………………………………………………………8
2.2零件的生产批量及其机床的使用…………………………………………………9
2.2.1零件的生产批量 …………………………………………………………………9
2.2.2机床的使用条件 …………………………………………………………………9
2.3 零件工艺方案………………………………………………………………………9
2.3.1 生产工艺方案 ……………………………………………………………………9
第三章 组合机床的总体设计 ………………………………………………………10
3.1组合机床方案的制定………………………………………………………………10
3.1.1制定工艺方案……………………………………………………………………10
3.1.2确定组合机床的配置形式和结构方案…………………………………………11
3.2确定切削用量及选择刀具 ……………………………………………………… 12
3.2.1确定工序间余量 ……………………………………………………………… 12
3.2.2选择切削用量…………………………………………………………………12
3.2.3确定切削力、切削扭矩、切削功率…………………………………………12
3.2.4选择刀具结构…………………………………………………………………13
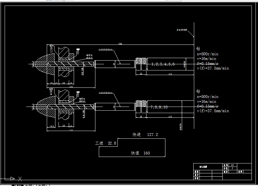
3.3钻孔组合机床总设计“三图一卡”的编制……………………………………14
3.3.1被加工零件工序图……………………………………………………………15
3.3.2加工示意图……………………………………………………………………16
3.3.3机床联系尺寸图………………………………………………………………19
3.3.4生产率计算卡…………………………………………………………………21
3.4 多轴箱的设计…………………………………………………………………23
3.4.1 绘制多轴箱设计原始依据图……………………………………………… 23
3.4.2 多轴箱的传动设计………………………………………………………… 24
3.4.3 绘制传动系统图……………………………………………………………26
3.4.4 传动零件的校核……………………………………………………………26
第四章 夹具设计……………………………………………………………………31
4.1 机床夹具的概述…………………………………………………………… 31
4.1.1机床夹具的组成……………………………………………………………31
4.1.2机床夹具的类型……………………………………………………………31
4.2夹紧方案和夹紧元件的设计…………………………………………………31
4.3夹具的性能及优点……………………………………………………………32
4.4夹具体的设计…………………………………………………………………32
4.5夹具精度分析计算……………………………………………………………33
4.6 夹具操作的简要说明…………………………………………………………34
结论…………………………………………………………………………………… 34
参考文献………………………………………………………………………………35
致谢…………………………………………………………………………………… 36
温馨提示:
1、题目前面的备注【字母数字编号】为本站整理分类的编号,与课题内容无关,请选题时忽视;
2、若题目上备注三维,则表示文件里包含三维源文件,由于三维组成零件数量较多,为保证预览截图的简洁性,本站将三维文件夹进行了打包。三维及CAD预览截图,均为本站电脑打开软件进行截图的,保证能够打开,下载原件超高清,下载后解压即可;
3、本站所有资源如无特殊说明,都需要本地电脑安装Office2007。图纸软件为AutoCAD,PROE,UG,SolidWorks,CATIA等;
4、本站所有图文资料仅供用户学习参考,不作为任何商用或其他用途;
5、本站不保证下载资源的准确性、安全性和完整性, 不包修改,不支持退换,同时也不承担用户因使用这些下载资源对自己和他人造成任何形式的伤害或损失;
6、 下载文件中如有侵权或不适当内容,请与我们联系,我们立即纠正。