

文档包括:
说明书一份,共31页,约15000字
CAD版本图纸,共7张
SW三维图一份
摘要
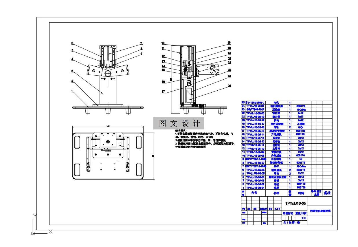
茶树修剪机是一种园林上专为茶园修剪茶树的小型修剪机器,其结构简单,而且质量要求较轻,实现自身的便捷的特点,茶树修剪机的结构研制和设计的开发,针对茶树的生产和产量来说都是一个良好生长机器,对茶树的生产有重要的意义。在茶园茶树的生产过程中,为了增强茶树在生长时候的树冠生长的密度,培育出比较优质的茶树生产茶叶,就是为了能够使茶树在生长中得到更为旺盛的修剪过程增加茶树的生产密度,在茶园,就必须对茶树进行定期的有效修剪。所有对茶树的修剪,是茶树在生长上分的主要的一个技术手段之一,本次设计的茶树修剪机,即可更高的地完成对茶树的修剪,实现这项技术的运用。但现有市场上的茶树修剪机,一般都是存在一些不好的地方,比如存在手持部分质量过重,无法使得人长期工作,会造成劳动强度非常较大等不足之处的存在。本次的设计茶树修剪机,主要的结构设计针对的是一种工作时候的便携式刃面,实现往复式修剪茶树的茶树修剪机,以小电机缸体为主要动力,在通过减速齿轮装置传动减速实现变速传递,传递到工作的部分,实现与执行机构的一个很好的连接。
本次设计的茶树修剪机的结构中减速器的设计,采用的是直齿圆柱齿轮的传递机构,减速器将产生的动力,通过齿轮传动传到曲柄上的滑块机构,再由曲柄上的滑块机构,在力的作用吓带动切割刀片,在不断的做往复运动,实现对茶树的修剪,在设计中对切割刀片的选择,在根据实情况和生产上的调研,切割刀片的结构设计,要与茶圆种植茶树的宽幅相互对应,才能实现宽度上的一致,实现更好的对茶树进行切割,切割大采用单动刃刀片。本文所设计的结构,就是依靠于往复式运动的方式。
关键词:修剪机;茶树;轻便;环保
目 录
第一章 绪论 2
1.1茶树修剪机背景及意义 2
1.2 茶树修剪机的发展 3
1.3 本次结构设计的主要技术指标 5
第二章 茶树修剪机方案的结构设计 6
2.1 茶树修剪机的传动方案 6
2.2总体结构 8
2.3茶树修剪机主要设计技术参数 8
第三章 动力选择和传动的结构设计 9
3.1茶树修剪机的动力选择 9
3.2茶树修剪机的传动部分结构设计 9
3.3茶树修剪机的曲柄压力机滑块机构的分析 12
3.4 茶树修剪机齿轮传动相关设计计算 17
第四章 茶树修剪机执行机构机架的结构设计 24
4.1茶树修剪机往复式刀片机构 24
4.2 机架的的结构设计 25
4.3茶树修剪机的使用注意事项 26
结论 27
参考文献 28
温馨提示:
1、题目前面的备注【字母数字编号】为本站整理分类的编号,与课题内容无关,请选题时忽视;
2、若题目上备注三维,则表示文件里包含三维源文件,由于三维组成零件数量较多,为保证预览截图的简洁性,本站将三维文件夹进行了打包。三维及CAD预览截图,均为本站电脑打开软件进行截图的,保证能够打开,下载原件超高清,下载后解压即可;
3、本站所有资源如无特殊说明,都需要本地电脑安装Office2007。图纸软件为AutoCAD,PROE,UG,SolidWorks,CATIA等;
4、本站所有图文资料仅供用户学习参考,不作为任何商用或其他用途;
5、本站不保证下载资源的准确性、安全性和完整性, 不包修改,不支持退换,同时也不承担用户因使用这些下载资源对自己和他人造成任何形式的伤害或损失;
6、 下载文件中如有侵权或不适当内容,请与我们联系,我们立即纠正。