

作品包括:
说明书1份,共62页,约16000字左右
CAD版本图纸,共4张
工程洒水车设计(五吨载重量)变速器改造设计和校核
摘 要
伴随着现代物流的加快,专用车已成为我国汽车发展的一个重要方向,国家每年对城市专用车的需求量正在加大,市场对专用车产品技术含量和附加值的要求越来越高,而洒水车作为一种城市洒水和公路养护的专用作业车辆,对其功能和性能的要求也越来越高。本次设计的内容是五吨载重量工程洒水车的设计(改装),其中重点介绍和研究分析洒水车总体布置及变速器的改装设计。
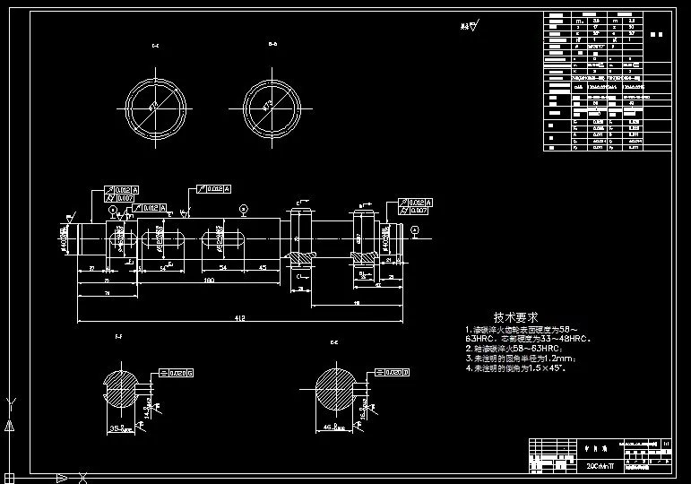
本次洒水车的设计通过增加底盘原有变速器一、二档的传动比来增大扭矩;然后通过取力器从变速器中间轴常啮合齿轮取力,通过传动轴来带动水泵工作。水泵通过安装在底盘车架上的水箱总成和管路总成,根据作业工况的不同进行喷洒作业。
变速器一、二档传动比主要是根据洒水量而设计的。一档传动比的改变主要是适应于洒水量多的作业工况,因为一档传动比大,车速慢,在水箱容积和洒水宽度不变的情况下,洒水距离短,洒水量就多。而二档传动比的改变主要是适应于洒水量少的作业工况,因为二档传动比相对小些,车速快,在水箱容积和洒水宽度不变的情况下,洒水距离长,洒水量就相应的变少。
关键词:洒水车,底盘,变速器,取力器,洒水量
目 录
第一章前言............................................. 1
第二章 洒水车的总体设计.................................3
§2.1总体设计要求............................. ......3
§2.2各总成的布置或参数要求.............. ...........6
第三章 车架的改装设计........................... ......11
第四章 管路总成的设计................................25第五章 水罐总成的设计..................................28第六章 变速器的改装设计................................30
§6.1 一、二档传动比的确定............................30
§6.2 齿轮齿数的确定.................................33
§6.3 变速器轴直径选择与校核.........................37
§6.4 变速器齿轮校核.................................43
§6.5变速器轴键选择与校核...........................48
第七章 取力器的设计...................................50
第八章 成本估算........................................55
第九章 结论............................................56
参考文献............................................57
致谢...................................................58
温馨提示:
1、题目前面的备注【字母数字编号】为本站整理分类的编号,与课题内容无关,请选题时忽视;
2、若题目上备注三维,则表示文件里包含三维源文件,由于三维组成零件数量较多,为保证预览截图的简洁性,本站将三维文件夹进行了打包。三维及CAD预览截图,均为本站电脑打开软件进行截图的,保证能够打开,下载原件超高清,下载后解压即可;
3、本站所有资源如无特殊说明,都需要本地电脑安装Office2007。图纸软件为AutoCAD,PROE,UG,SolidWorks,CATIA等;
4、本站所有图文资料仅供用户学习参考,不作为任何商用或其他用途;
5、本站不保证下载资源的准确性、安全性和完整性, 不包修改,不支持退换,同时也不承担用户因使用这些下载资源对自己和他人造成任何形式的伤害或损失;
6、 下载文件中如有侵权或不适当内容,请与我们联系,我们立即纠正。