

作品包括:
Word说明书1份,共82页,约22000字
CAD版本图纸,共10张
摘 要
钢筋自动下料机,是一种能够将钢筋拉直,并将钢筋切成一定长度的工程机械。机械结构分钢筋调直和钢筋切断两部分;工作时钢筋自动下料机的进给机构可以自动送入钢筋,并将钢筋拉直;当输出的钢筋达到一定长度时再由液压控制的钢筋切断机构将钢筋切断。
一、校直系统的设计。通过施加高频率的周期性交变应力,使材料产生超过其弹性限度的变形,原弯曲被抵消,达到校直目的。
二、切断机构的设计。当钢筋达到所需长度时,切断机构自动进行切断,切断后活动切刀回到原始位置。
三、传动系统的设计。电机通过一组的V带、减速器、齿轮、主动辊轮和从动辊轮,达到校直钢筋的目的。
四、辅助装置的设计。主要是起到辅助作用的支架和主体钢架。
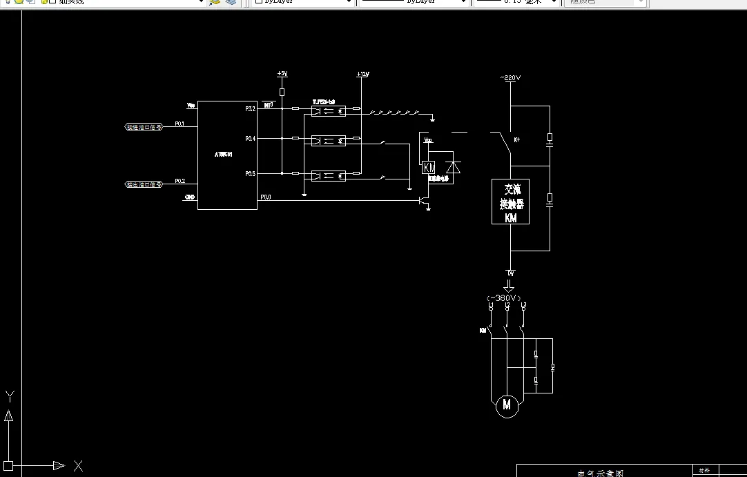
五、电气控制系统的设计。选用AT89C51型单片机控制钢筋自动下料机的自动化动作。
关键词 钢筋自动下料机,辊轮调直,电气控制,液压剪切装置。
目 录
摘 要 I
ABSTRACT II
第1章 绪论 1
1.1 钢筋自动下料机的应用、现状及其前景 2
1.2 自动下料机的分类及特点 4
1.3 钢筋自动下料机的基本结构及工作原理 8
第2章 钢筋自动下料机设计方案 12
2.1传动方案比较 12
2.2设计方案确定 12
2.3总体结构示意图 13
2.4 本章小结 14
第3章 自动下料机的机构设计 15
3.1 传动机构的设计 15
3.1.1电机的选择 15
3.1.2带传动设计 17
3.1.3 双级减速器设计计算 20
3.1.4 齿轮传动部分的设计 48
3.1.5 传输轴的校核 55
3.1.6 传输用轴承的选用与校核 60
3.1.7 键的选取与校核 60
3.2 进给辊轮的结构设计 61
3.3 控制长度用直线导轨的选择及计算 62
3.4 切削用液压缸的选择 63
3.5 本章小结 68
第4章 自动下料机辅助装置设计 69
4.1 用于防止进给时钢筋下落用支架设计 69
4.2 自动下料机整体机架的结构设计 70
4.3 本章小结 70
第5章 电气控制部分设计 71
5.1 单片机控制示意图设计 71
5.2 单片机控制程序设计 71
5.3 控制部分原理及电气元件安装位置 73
5.4 本章小结 73
结 论 74
本课题研究的内容总结 74
参考文献 75
谢 辞 77
附 录 78
温馨提示:
1、题目前面的备注【字母数字编号】为本站整理分类的编号,与课题内容无关,请选题时忽视;
2、若题目上备注三维,则表示文件里包含三维源文件,由于三维组成零件数量较多,为保证预览截图的简洁性,本站将三维文件夹进行了打包。三维及CAD预览截图,均为本站电脑打开软件进行截图的,保证能够打开,下载原件超高清,下载后解压即可;
3、本站所有资源如无特殊说明,都需要本地电脑安装Office2007。图纸软件为AutoCAD,PROE,UG,SolidWorks,CATIA等;
4、本站所有图文资料仅供用户学习参考,不作为任何商用或其他用途;
5、本站不保证下载资源的准确性、安全性和完整性, 不包修改,不支持退换,同时也不承担用户因使用这些下载资源对自己和他人造成任何形式的伤害或损失;
6、 下载文件中如有侵权或不适当内容,请与我们联系,我们立即纠正。