

作品包括:
word说明书一份,共46页,约20000字
任务书一份
CAD版本图纸,共5张
摘 要: 介绍了电火花成型机床的加工原理、特点及其发展历程:它是通过脉冲直流电源不断产生火花放电来去除工件材料,且在工件与工具之间有绝缘液体介质。
分析并设计了电火花成型机床结构系统。机床总体布局为单柱立式,主轴采用步进电机拖动滚珠丝杆完成升降,利用步进电机多级可变细分技术,实现伺服系统的变频、变步距双重伺服调节,提高系统的跟踪能力和稳定性。进给系统采用滚珠丝杆和十字滑座实现工作台的横向、纵向移动,运动平稳。
电火花成形加工要在加工精度、加工效率、加工范围等方面取得重大突破,一个重要的发展方向就是对机床成形运动方式的创新和多样化。本课题的研究,是对电火花成型加工发展方向的一次有益尝试,通过改进电火花加工机床的伺服系统、控制系统、机床结构等,在保证加工精度的前提下提高了加工效率;通过开放式的控制系统,提高了电火花成型加工过程的自动化。
关键词:电火花; 主轴; 滚珠丝杆; 十字滑座; V型导轨
目 录
中文摘要 ?????????????????????????????????????????????????????????????????1
英文摘要 ?????????????????????????????????????????????????????????????????2
一、引言 ????????????????????????????????????????????????????????????????3
1.1 题研究的目的和意义????????????????????????????????????????????????3
1.2 本设计国内外研究历史与现状 ???????????????????????????????????????4
1.3 本设计拟解决的关键问题和研究方法??????????????????????????????????5
1.4 电火花成型加工特点和适用范围??????????????????????????????????????5
二、 电火花成型机床总体结构设计 ?????????????????????????????????????8
2.1 电火花成型机的结构 形式???????????????????????????????????????????8
2.2 电火花成型机结构设计???????????????????????????????????????????????9
三、 主轴系统设计??????????????????????????????????????????????????????13
3.1 主轴系统设计方案??????????????????????????????????????????????????13
3.2 电机的选择 ???????????????????????????????????????????????????????14
3.3 同步齿形带设计 ???????????????????????????????????????????????????19
3.4 滚珠丝杆副的设计??????????????????????????????????????????????????22
3.5 直线导轨的设计 ???????????????????????????????????????????????????27
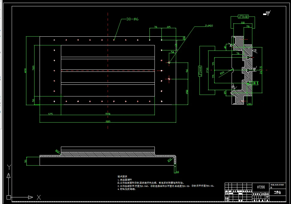
四、工作台设计 ????????????????????????????????????????????????????????29
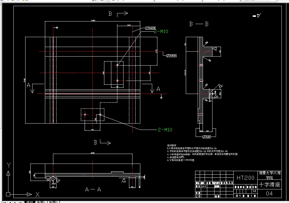
五、十字滑座设计??????????????????????????????????????????????????????34
六、电极夹头设计???????????????????????????????????????????????????????37
七、机床润滑系统设计 ?????????????????????????????????????????????????40
八、工作液循环装置结构设计 ??????????????????????????????????????????42
参考文献???????????????????????????????????????????????????????????????.45
谢辞 ???????????????????????????????????????????????????????????????????46
附录?????????????????????????????????????????????????????????????????????47
翻译??????????????????????????????????????????????????????????52
温馨提示:
1、题目前面的备注【字母数字编号】为本站整理分类的编号,与课题内容无关,请选题时忽视;
2、若题目上备注三维,则表示文件里包含三维源文件,由于三维组成零件数量较多,为保证预览截图的简洁性,本站将三维文件夹进行了打包。三维及CAD预览截图,均为本站电脑打开软件进行截图的,保证能够打开,下载原件超高清,下载后解压即可;
3、本站所有资源如无特殊说明,都需要本地电脑安装Office2007。图纸软件为AutoCAD,PROE,UG,SolidWorks,CATIA等;
4、本站所有图文资料仅供用户学习参考,不作为任何商用或其他用途;
5、本站不保证下载资源的准确性、安全性和完整性, 不包修改,不支持退换,同时也不承担用户因使用这些下载资源对自己和他人造成任何形式的伤害或损失;
6、 下载文件中如有侵权或不适当内容,请与我们联系,我们立即纠正。