

作品包括:
word说明书一份,共45页,约18000字
任务书一份
开题报告一份
CAD版本图纸,共2张
摘 要
随着汽车电子技术、自动控制技术的逐步成熟和汽车网络通信技术的广泛应用,汽车线控技术也逐步得到青睐和深入研究是汽车未来的发展趋势。
汽车线控技术就是将驾驶员的操纵动作经过传感器变成电信号,通过电缆直接传输到执行机构的一种系统。目前包括线控换档系统、线控制动系统、线控悬架系统、线控增压系统、线控油门系统及线控转向系统。其中线控转向系统在高级轿车、跑车及概念车上有广泛的应用,它为自动驾驶提供了良好的平台。
汽车离合器操纵形式有液压和拉线式两种。其中拉线式布置方便,摩擦损失大机械式受车架、车身变形影响大,两种机械式操纵机构的比较杆系传动优点:结构简单;成本低;寿命长;可靠性高;缺点:关节点多,摩擦损失大,不适合远距离操纵,受车身或车架的变形影响。拉线传动优点:结构简单;成本低;克服了杆系传动的不适合远距离操纵,受车身或车架的变形影响缺点;可采用吊挂式的踏板;缺点:寿命短,拉伸刚度小;拉伸变形导致增加踏板行程。
本设计针对拉线操纵式离合器设计线控操纵系统,可与原系统的功能进行切换工作。
关键词:线控离合器;H桥;PWM控制;控制策略;传感器
目 录
摘要 I
Abstract Ⅱ
第1章 绪论 1
1.1 选题的目的和意义 1
1.2 线控技术现状分析 7
1.3 线控技术发展前景 2
1.4 研究内容和需解决的主要问题 3
第2章 线控离合器系统 4
2.1线控离合器控制系统 4
2.2线控离合器控制系统结构 4
2.2.1 机械式离合器结构、原理 4
2.2.2 线控离合器结构、原理 5
2.3 线控离合器系统存在主要问题 7
2.3.1 线控离合器的优点 7
2.3.2 系统存在的主要问题 8
2.4 本章小结 8
第3章 线控离合器数学模型和控制策略 10
3.1 系统建模 10
3.1.1 线控离合器机构 10
3.1.2 工作过程分析 10
3.1.3 齿轮传动及齿隙影响 10
3.2 控制策略分析 11
3.3 本章小结 12
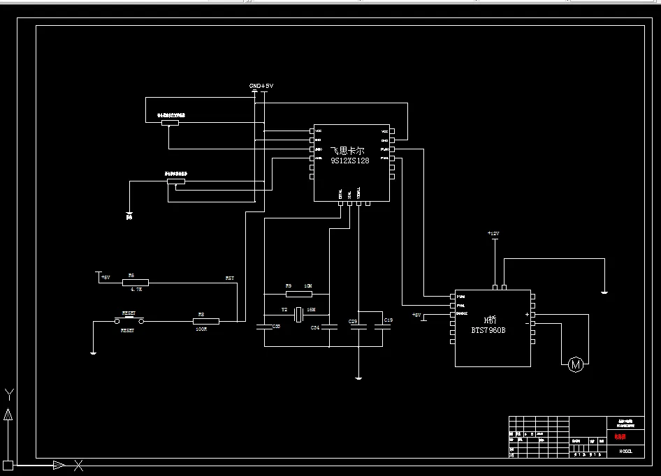
第4章 控制系统硬件设计 13
4.1 控制系统结构 13
4.2 控制系统电路设计 14
4.2.1 单片机的选择 14
4.2.2 飞思卡尔单片机的简介及优点 15
4.2.3 信号处理电路设计 17
4.3 驱动电路设计 18
4.3.1 H桥驱动电路 18
4.3.2 PWM模块及工作原理 20
4.3.3 使能控制和方向逻辑 22
4.4 直流电机控制原理 23
4.4.1直流电机控制原理 23
4.4.2 直流电机的可逆 PWM控制电路 24
4.4.3 PID控制原理 25
4.5 本章小结 27
第5章 控制系统软件设计 29
5.1 软件系统总体分析 29
5.2 控制功能软件设计 30
5.2.1 功能子程序设计 30
5.2.2 控制功能程序编写 31
5.3 本章小结 35
结论 36
参考文献 37
致谢 38
附录 39
附录 A1 39
附录 A2 43
温馨提示:
1、题目前面的备注【字母数字编号】为本站整理分类的编号,与课题内容无关,请选题时忽视;
2、若题目上备注三维,则表示文件里包含三维源文件,由于三维组成零件数量较多,为保证预览截图的简洁性,本站将三维文件夹进行了打包。三维及CAD预览截图,均为本站电脑打开软件进行截图的,保证能够打开,下载原件超高清,下载后解压即可;
3、本站所有资源如无特殊说明,都需要本地电脑安装Office2007。图纸软件为AutoCAD,PROE,UG,SolidWorks,CATIA等;
4、本站所有图文资料仅供用户学习参考,不作为任何商用或其他用途;
5、本站不保证下载资源的准确性、安全性和完整性, 不包修改,不支持退换,同时也不承担用户因使用这些下载资源对自己和他人造成任何形式的伤害或损失;
6、 下载文件中如有侵权或不适当内容,请与我们联系,我们立即纠正。