

作品包括:
Word版说明书1份,共63页,约13000字
任务书一份
开题报告一份
中期报告一份
CAD版本图纸,共3张

摘要
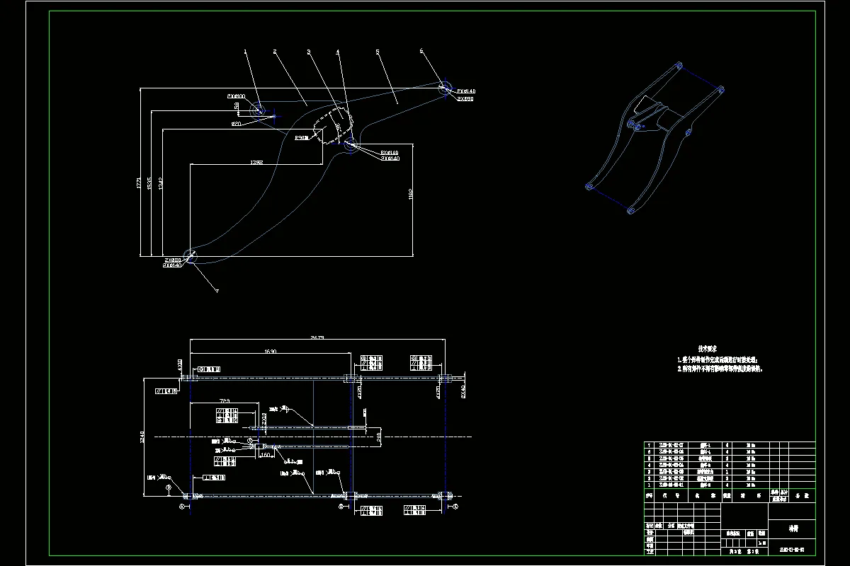
装载机是工程机械的主要机种之一,主要用于公路、铁路、建筑、水电、港口、矿山等建设工程的土石方施工。它具有重量轻、机动灵活、效率高、维修方便等特点;它既可进行铲装作业,又可用作短途运输。对于加快工程建设速度,减轻劳动强度,提高工程质量,降低工程成本都发挥着重要的作用。装载机的工作装置对于装载机来说是重中之重,所以工作装置的设计好坏直接影响到装载机的使用寿命以及工作效率等。
这次设计采用先进的现代设计方法,对这种轮式装载机的工作装置进行了总体设计到零部件设计。主要包括轮式装载机工作装置的关键零部件,如铲斗、连杆机构以及转斗油缸、举升油缸等,并对重要零件进行了刚度、强度分析。应用UG软件对轮式装载机工作装置整体进行设计,并用它对本次设计进行立体展示表达。在设计过程中,必须使工作装置运动平稳、无干涉、无死点、无自锁、有足够的强度;动臂从最底位置到最大卸载高度的举升过程中,保证铲斗中物料不洒落;在卸载后,动臂下放至铲掘位置铲斗能自动放平。
关键字:3.3m3斗容;轮式装载机;反转六连杆机构;工作装置;强度校核
目录
第1章绪论1
1.1装载机概述1
1.2装载机应用技术发展1
1.2.1国外装载机发展现状1
1.2.2国外装载机发展趋势1
1.2.3国内装载机发展现状1
1.2.4国内装载机发展趋势2
第2章装载机工作装置总体设计3
2.1工作装置的总体结构与布置3
2.2工作装置连杆机构的结构形式与特点3
2.3工作装置自由度的计算5
第3章装载机工作装置设计7
3.1铲斗设计7
3.1.1铲斗的结构形式7
3.1.2铲斗断面形状和基本参数确定8
3.1.3铲斗容量的计算10
3.2工作装置连杆系统设计12
3.2.1机构分析12
3.2.2尺寸参数设计13
3.3工作装置静力学分析21
3.3.1外载荷确定原则21
3.3.2铲斗形心的确定21
3.3.3外载荷的计算25
3.4工作机构的受力分析与计算28
3.4.1装载机的几种工况28
3.4.2联合铲装时的受力分析28
3.4.3工作机构主要零件的强度计算及液压缸的确定32
3.4.4摇臂及连杆的计算34
3.4.5关于润滑42
第4章UG软件的应用45
4.1仿真和优化45
4.2零件设计46
4.3产品设计48
第5章实体模型的制作51
总结53
附录55
参考文献57
致谢59
温馨提示:
1、题目前面的备注【字母数字编号】为本站整理分类的编号,与课题内容无关,请选题时忽视;
2、若题目上备注三维,则表示文件里包含三维源文件,由于三维组成零件数量较多,为保证预览截图的简洁性,本站将三维文件夹进行了打包。三维及CAD预览截图,均为本站电脑打开软件进行截图的,保证能够打开,下载原件超高清,下载后解压即可;
3、本站所有资源如无特殊说明,都需要本地电脑安装Office2007。图纸软件为AutoCAD,PROE,UG,SolidWorks,CATIA等;
4、本站所有图文资料仅供用户学习参考,不作为任何商用或其他用途;
5、本站不保证下载资源的准确性、安全性和完整性, 不包修改,不支持退换,同时也不承担用户因使用这些下载资源对自己和他人造成任何形式的伤害或损失;
6、 下载文件中如有侵权或不适当内容,请与我们联系,我们立即纠正。