

作品包括:
Word版说明书1份,共84页,约31000字
开题报告一份
外文翻译一份
CAD版本图纸,共10张

目录
前言1
1绪论3
1.1皮带运输机的概况3
1.1.1皮带运输机的发展史3
1.1.2皮带运输机基本结构4
1.1.3矿用皮带运输机各机型介绍5
1.2皮带运输机的发展趋势10
1.2.1国外皮带运输机技术的现状10
1.2.2国内皮带运输机技术的现状11
1.2.3国内外皮带运输机技术的差距12
1.2.4煤矿皮带运输机技术的发展趋势16
2皮带运输机的设计计算18
2.1已知原始数据及工作条件18
2.2输送带宽度的确定及核算19
2.2.1带速的确定19
2.2.2带宽的确定20
2.2.3输送带宽度的核算22
2.3圆周驱动力23
2.3.1计算公式23
2.3.2主要阻力计算24
2.3.3特种主要阻力计算26
2.3.4特种附加阻力计算27
2.3.5倾斜阻力计算28
2.4传动功率计算29
2.4.1传动滚筒轴功率( )计算29
2.4.2电动机功率计算29
2.5输送带张力计算30
2.5.1阻力计算31
2.5.2输送带不打滑条件校核34
2.5.3输送带下垂度校核35
2.5.4输送带强度校核计算36
2.6拉紧力计算36
2.7传动滚筒,改向滚筒合张力计算37
2.7.1改向滚筒合张力计算37
2.7.2传动滚筒合张力计算37
2.8传动滚筒最大扭矩计算37
3皮带运输机的传动原理38
3.1胶带的摩擦传动原理38
3.2传动装置的牵引力41
4传动装置的选用与设计43
4.1电机的选用43
4.2减速器的选用44
4.2.1传动装置的总传动比44
4.3液力偶合器47
4.4联轴器48
5皮带运输机部件的选用52
5.1输送带52
5.1.1输送带的分类: 54
5.1.2输送带的连接56
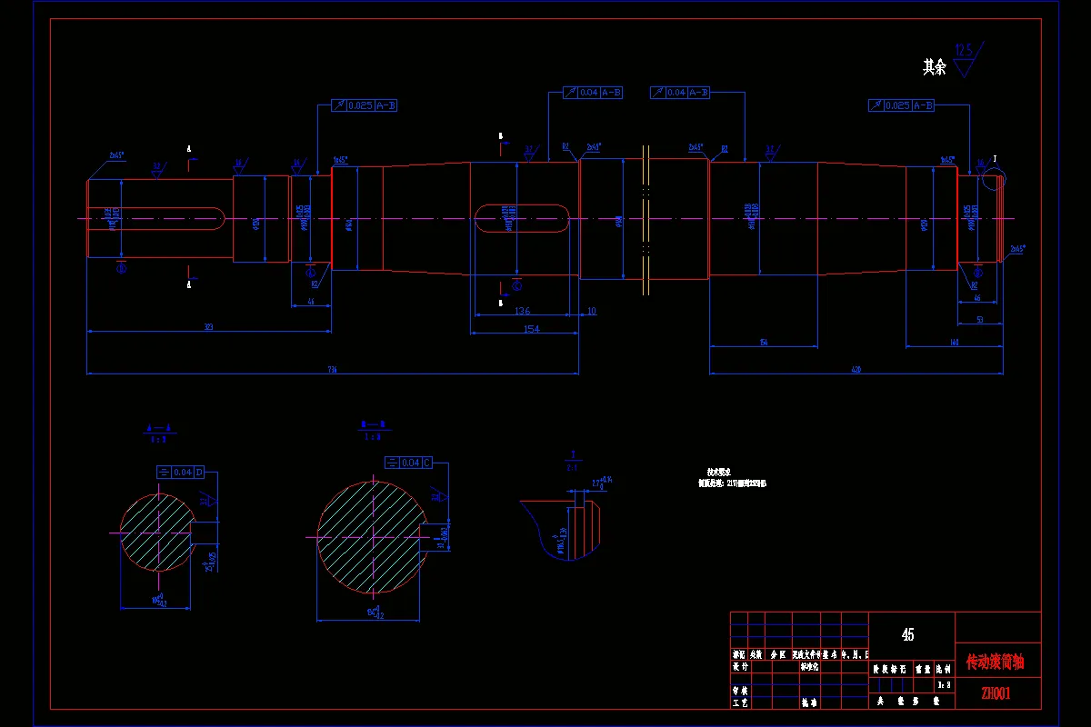
5.2传动滚筒57
5.2.1传动滚筒的作用及类型57
5.2.2传动滚筒的选型及设计58
5.2.3传动滚筒结构64
5.2.4传动滚筒的直径验算65
5.3拉紧装置66
5.4制动装置69
5.5装载装置71
5.6清扫装置72
5.7机架73
5.8改向滚筒74
5.9驱动装置架76
总结78
致谢79
参考文献80
温馨提示:
1、题目前面的备注【字母数字编号】为本站整理分类的编号,与课题内容无关,请选题时忽视;
2、若题目上备注三维,则表示文件里包含三维源文件,由于三维组成零件数量较多,为保证预览截图的简洁性,本站将三维文件夹进行了打包。三维及CAD预览截图,均为本站电脑打开软件进行截图的,保证能够打开,下载原件超高清,下载后解压即可;
3、本站所有资源如无特殊说明,都需要本地电脑安装Office2007。图纸软件为AutoCAD,PROE,UG,SolidWorks,CATIA等;
4、本站所有图文资料仅供用户学习参考,不作为任何商用或其他用途;
5、本站不保证下载资源的准确性、安全性和完整性, 不包修改,不支持退换,同时也不承担用户因使用这些下载资源对自己和他人造成任何形式的伤害或损失;
6、 下载文件中如有侵权或不适当内容,请与我们联系,我们立即纠正。