

作品包括:
Word版说明书1份,共34页,约13000字
CAD版本图纸,共8张

摘要
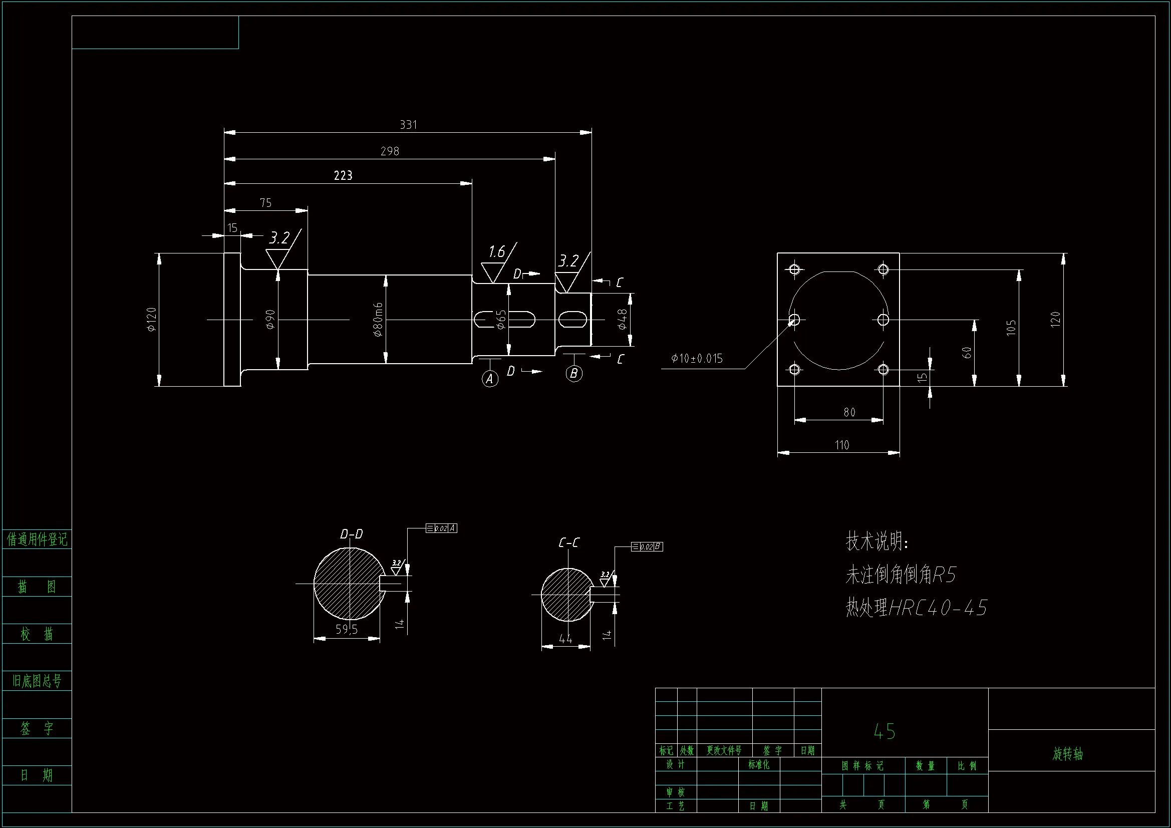
本文阐述了塞拉门焊接机器人工作台的设计,该工作台包括3个自由度,含X/Y方向的平移及翻转机构,设计主要是为了使得塞拉门在生产过程中更容易加工,更容易焊接。机械结构部分包括整体系统设计、翻转机构的设计、框架的设计等。在设计中对传动轴和基本部件的强度进行了校荷,来保证其强度要求同时需要进行焊接部分的强度校荷,来最终确定设计方案。
温馨提示:
1、题目前面的备注【字母数字编号】为本站整理分类的编号,与课题内容无关,请选题时忽视;
2、若题目上备注三维,则表示文件里包含三维源文件,由于三维组成零件数量较多,为保证预览截图的简洁性,本站将三维文件夹进行了打包。三维及CAD预览截图,均为本站电脑打开软件进行截图的,保证能够打开,下载原件超高清,下载后解压即可;
3、本站所有资源如无特殊说明,都需要本地电脑安装Office2007。图纸软件为AutoCAD,PROE,UG,SolidWorks,CATIA等;
4、本站所有图文资料仅供用户学习参考,不作为任何商用或其他用途;
5、本站不保证下载资源的准确性、安全性和完整性, 不包修改,不支持退换,同时也不承担用户因使用这些下载资源对自己和他人造成任何形式的伤害或损失;
6、 下载文件中如有侵权或不适当内容,请与我们联系,我们立即纠正。