

作品包括:
Word版说明书1份,共51页,约12000字
任务书一份
开题报告一份
外文翻译一份
CAD版本图纸,共8张
Solidworks三维图一套

摘要:首先要对起重机抓斗进行自重分配,对抓斗的结构进行设计以及计s算,然后对抓斗进行受力分析,其次,对抓斗进行验算校核,最后根据设计
参数对抓斗进行三维建模以及绘制二维工程图。
关键词:抓斗;参数;校核;三维建模
目 录
摘要 Ⅰ
Abstract Ⅱ
目录 Ⅲ
1 绪论 1
1.1 抓斗的概述 1
1.2 抓斗的发展趋势 2
1.2.1 国内起重机抓斗发展趋势 2
1.2.2 国外起重机抓斗发展趋势 3
1.3 抓斗的分类 4
2 抓斗方案的确定 8
2.1 抓斗的选用 8
2.2 抓斗的维护 8
2.3 抓斗的结构 9
2.4 抓斗的工作原理 9
3 抓斗的结构设计及计算 11
3.1 抓斗的主要技术参数 11
3.2 抓斗自重的确定 11
3.2.1 抓斗抓取能力的影响因素 11
3.2.2 抓斗的自重 12
3.2.3 抓斗自重的分配 12
3.2.4 颚板宽度 13
3.2.5 抓斗的最大开度 14
3.2.6 抓斗的其他几何参数 15
3.2.7 抓斗颚板侧面形状 15
3.2.8 滑轮组的倍率 18
3.3 抓斗各部分的具体参数 18
3.3.1 上承梁具体参数 18
3.3.2 下承梁具体参数 18
3.3.3 滑轮支撑体具体参数 18
3.3.4 撑杆具体参数 19
3.3.5 颚板具体参数 19
3.3.6 滑轮 19
3.4 抓斗的验算 19
3.4.1 对抓取能力进行验算 19
3.4.2 对颚板的强度进行校核 20
3.4.3 颚板跟撑杆链接处连接轴的校核 21
3.4.4 对连接螺栓M48强度校核 21
3.4.5 对撑杆强度进行校核 22
3.4.6 对滑轮组轴强度进行校核 22
4 对零件三维建模 23
4.1 SoidWorks软件的简介 23
4.2 SolidWorks软件常用工具栏 23
4.2.1 标准栏 23
4.2.2 视图工具栏 24
4.2.3 草图绘制工具栏 24
4.2.4 特征绘制工具栏 24
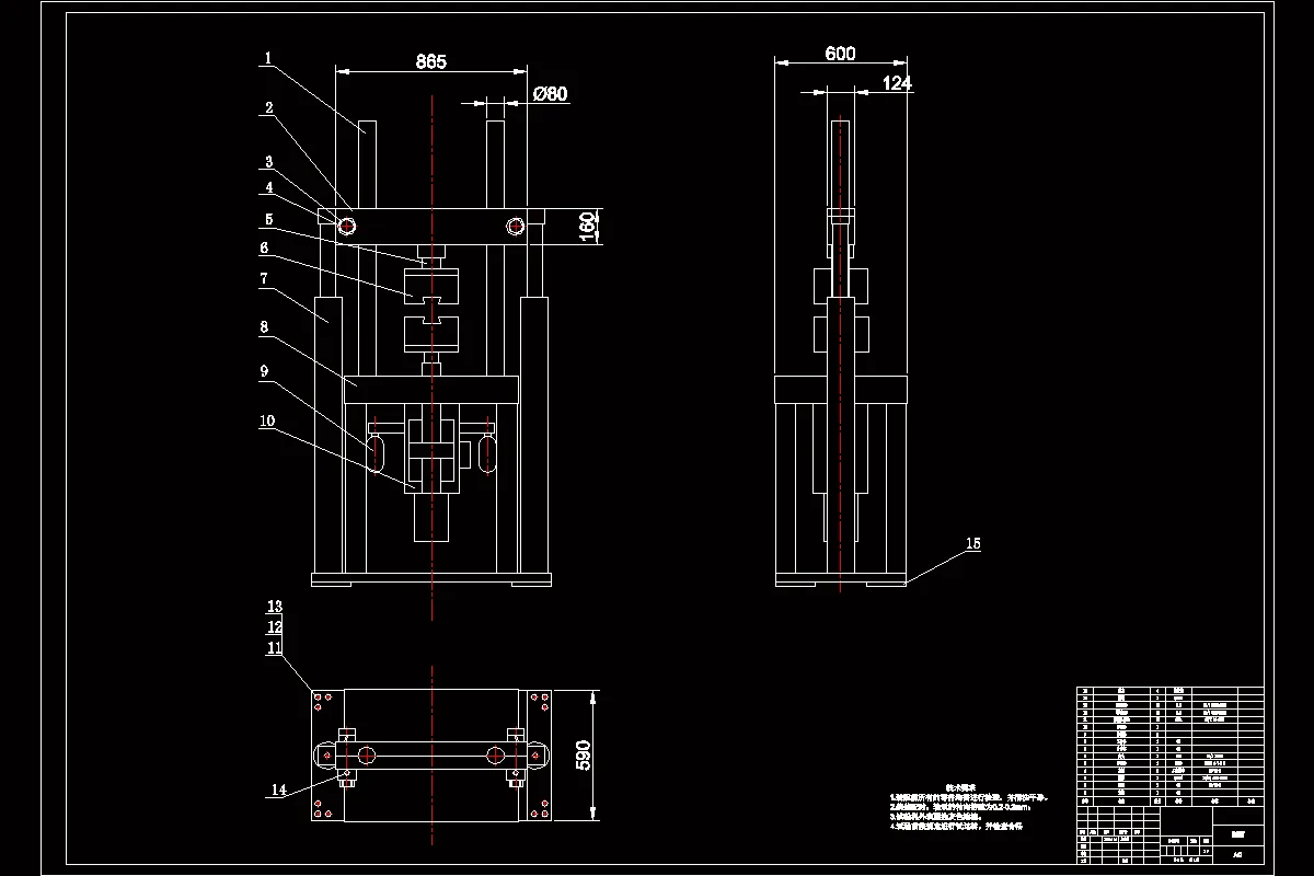
4.3 对抓斗实体进行三维建模 24
4.3.1 上承梁建模 25
4.3.2 下承梁建模 27
4.3.3 撑杆建模 28
4.3.4 垫圈建模 29
4.3.5 滑轮建模 30
4.3.6 颚板1建模 31
4.3.7 颚板2建模 33
4.3.8 滑轮装配体 34
4.3.9 抓斗装配体 35
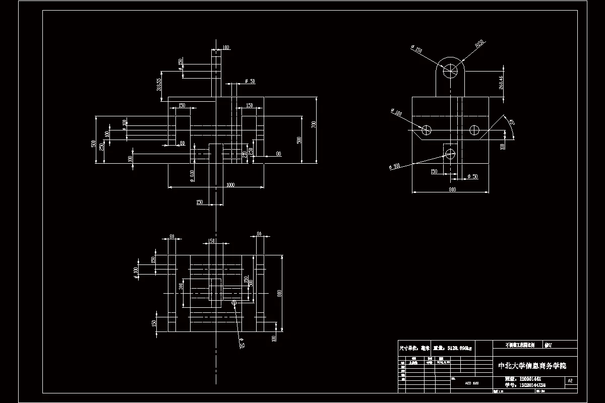
4.4 对各零件绘制二维工程图 35
4.4.1 撑杆二维工程图 35
4.4.2 上承梁二维工程图 36
4.4.3 下承梁二维工程图 37
4.4.4 滑轮支撑体二维工程图 37
4.4.5 垫圈二维工程图 38
4.4.6 滑轮二维工程图 39
4.4.7 颚板二维工程图 39
4.4.8 抓斗二维工程图 41
5 总结 42
参考文献 43
致谢 45
温馨提示:
1、题目前面的备注【字母数字编号】为本站整理分类的编号,与课题内容无关,请选题时忽视;
2、若题目上备注三维,则表示文件里包含三维源文件,由于三维组成零件数量较多,为保证预览截图的简洁性,本站将三维文件夹进行了打包。三维及CAD预览截图,均为本站电脑打开软件进行截图的,保证能够打开,下载原件超高清,下载后解压即可;
3、本站所有资源如无特殊说明,都需要本地电脑安装Office2007。图纸软件为AutoCAD,PROE,UG,SolidWorks,CATIA等;
4、本站所有图文资料仅供用户学习参考,不作为任何商用或其他用途;
5、本站不保证下载资源的准确性、安全性和完整性, 不包修改,不支持退换,同时也不承担用户因使用这些下载资源对自己和他人造成任何形式的伤害或损失;
6、 下载文件中如有侵权或不适当内容,请与我们联系,我们立即纠正。