

作品包括:
Word版说明书1份,共35页
任务书一份
开题报告一份
外文翻译一份
CAD版本图纸,共12张
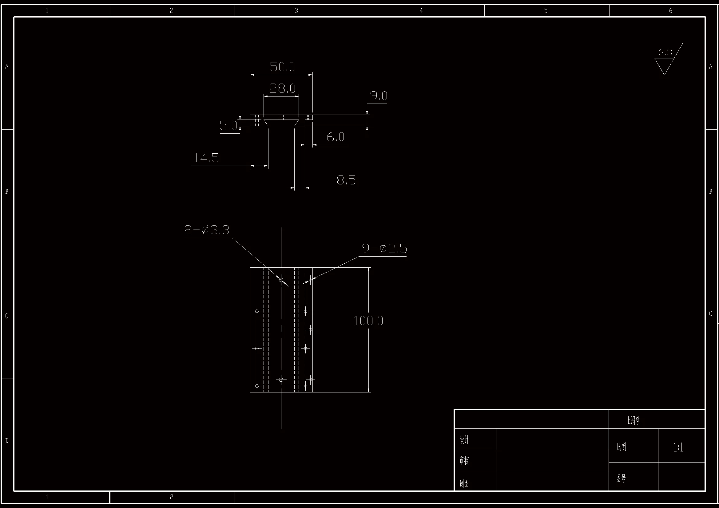
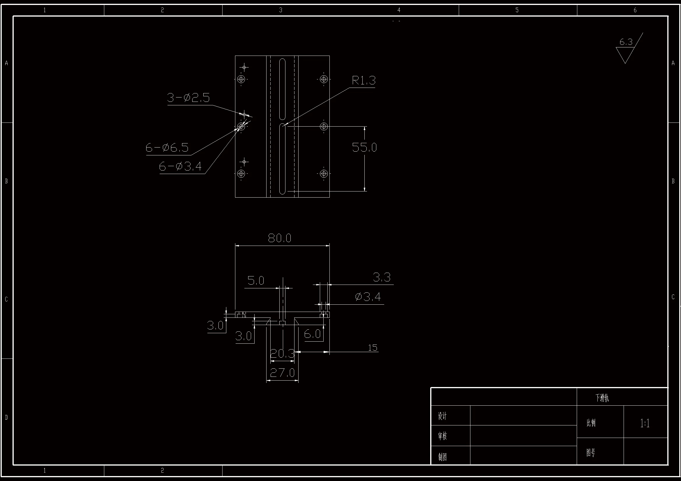
本课题所涉及的某试验装置,其调节架与微喷射装置之间采用嵌接的连接方式。调节架与微喷射装置之间可能因系统结构变形而产生附加应力和应变,这将影响实验系统正常工作甚至产生破坏作用。在结构设计上的错误或不合理,可能造成不应有的失效,使其无法满足预期的要求,实现预定的功能,同时可能给整个工程系统造成很大的影响,甚至无法工作。所以采用的材料应为强度较大的材料。为研究微喷射的线宽、快速成型精度与喷射角度的关系,设计三维调节架,实现垂直方向(Y向)的升降、水平方向(X向)的左右滑动、XY平面的旋转。行程及精度:垂直方向行程不小于200mm,精度±0.5mm,水平方向行程不小于100mm,精度±0.5mm,旋转角度不小于90°,精度±0.5°。
温馨提示:
1、题目前面的备注【字母数字编号】为本站整理分类的编号,与课题内容无关,请选题时忽视;
2、若题目上备注三维,则表示文件里包含三维源文件,由于三维组成零件数量较多,为保证预览截图的简洁性,本站将三维文件夹进行了打包。三维及CAD预览截图,均为本站电脑打开软件进行截图的,保证能够打开,下载原件超高清,下载后解压即可;
3、本站所有资源如无特殊说明,都需要本地电脑安装Office2007。图纸软件为AutoCAD,PROE,UG,SolidWorks,CATIA等;
4、本站所有图文资料仅供用户学习参考,不作为任何商用或其他用途;
5、本站不保证下载资源的准确性、安全性和完整性, 不包修改,不支持退换,同时也不承担用户因使用这些下载资源对自己和他人造成任何形式的伤害或损失;
6、 下载文件中如有侵权或不适当内容,请与我们联系,我们立即纠正。