

作品包括:
Word版说明书1份,共21页,约8500字
CAD版本图纸,共4张
![1700451857120819.webp $%3%EGQ[RH]`GJQDB)G)71M.webp](/static/upload/image/20231120/1700451857120819.webp)
摘 要
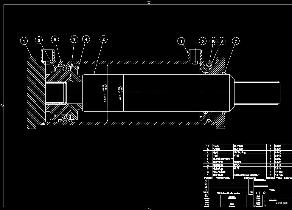
通过对半自动专用铣床液压系统的工况要求和工作原理的理解,制定了液压系统设计方案。在设计过程中最主要的是液压系统的设计,并掌握液压系统的原理,以及液压系统的典型零件装配图的认识。采用计算机软件既可以极大地提高编程质量又增加计算的准确性。
通过大量的搜集资料和认真学习研究,本文提出了基于参数要求的一套半自动专用铣床液压系统设计方法,通过计算机编程,验证了该方法能够满足要求,最终得以实现。
关键词:半自动;铣床;液压系统;设计
目 录
第一章 绪论 2
引言 2
1.1 液压传动的定义 2
1.2 液压传动的发展概况 2
1.3 液压传动的优缺点 3
第二章 液压系统的设计 4
2.1 设计目的 4
2.2 设计内容及要求 4
2.2.1 机床类型及动作循环要求 4
2.2.2 机床对液压传动系统的具体参数要求 4
2.3 负载与运动分析 5
2.4 液压缸参数 6
2.4.1 初选液压缸工作压力 6
2.4.2 计算液压缸主要尺寸 7
2.4.3 计算液压缸在工作循环中各阶段的压力、流量和功率 8
2.5 拟定液压系统图 9
2.5.1 选择基本回路 9
2.5.2 组成系统图 10
2.5.3 液压系统工作原理 10
2.5.4 技术特点 12
第三章 液压系统性能的验算 13
3.1 验算系统压力损失 13
3.2 估计系统效率、发热和温升 16
第四章 结论 18
参考文献 19
致 谢 20
温馨提示:
1、题目前面的备注【字母数字编号】为本站整理分类的编号,与课题内容无关,请选题时忽视;
2、若题目上备注三维,则表示文件里包含三维源文件,由于三维组成零件数量较多,为保证预览截图的简洁性,本站将三维文件夹进行了打包。三维及CAD预览截图,均为本站电脑打开软件进行截图的,保证能够打开,下载原件超高清,下载后解压即可;
3、本站所有资源如无特殊说明,都需要本地电脑安装Office2007。图纸软件为AutoCAD,PROE,UG,SolidWorks,CATIA等;
4、本站所有图文资料仅供用户学习参考,不作为任何商用或其他用途;
5、本站不保证下载资源的准确性、安全性和完整性, 不包修改,不支持退换,同时也不承担用户因使用这些下载资源对自己和他人造成任何形式的伤害或损失;
6、 下载文件中如有侵权或不适当内容,请与我们联系,我们立即纠正。