

作品包括:
Word版说明书1份,共52页,约17000字
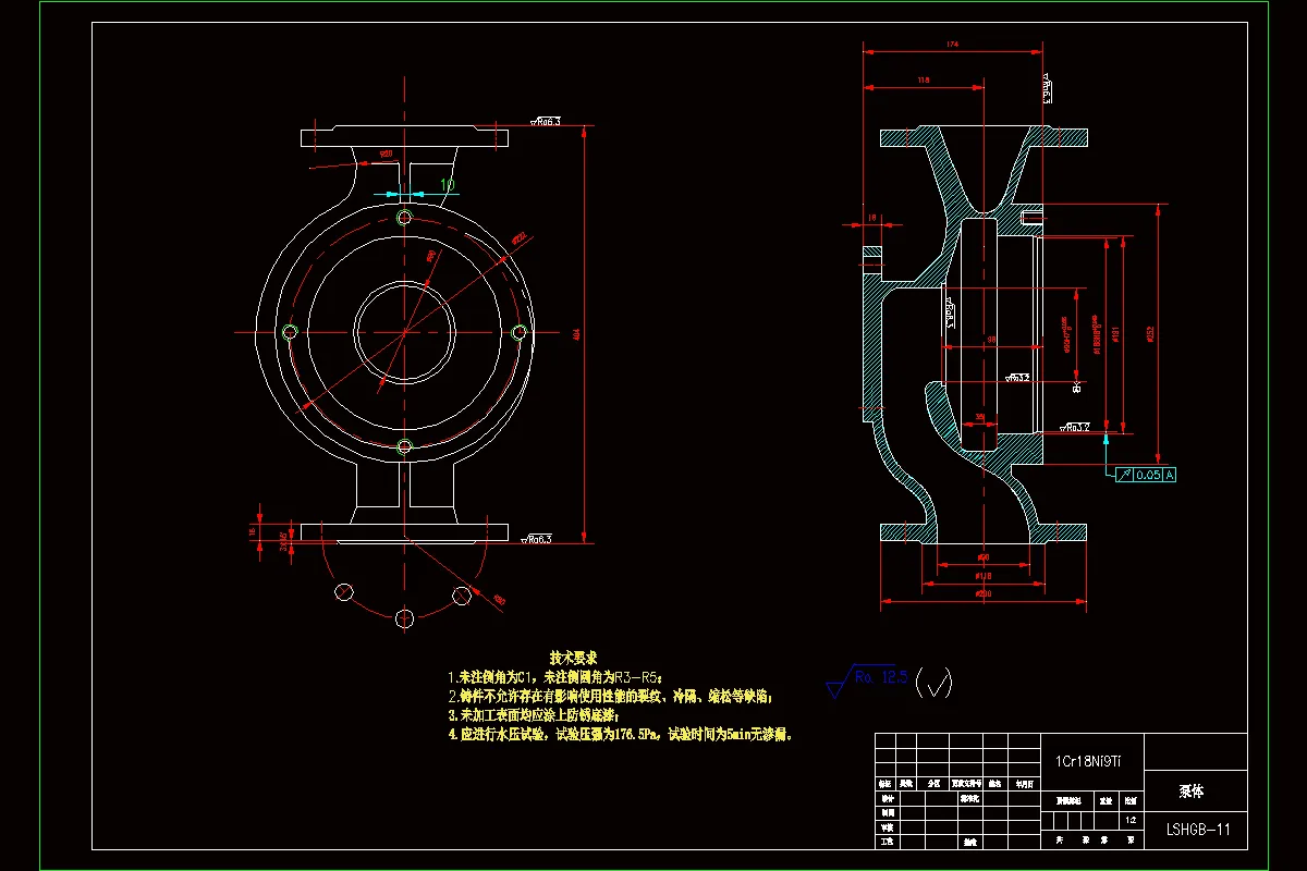
CAD版本图纸,共4张
Proe三维图一套

摘要
化工泵设计制造在化工行业的地位可以说是举足轻重,化工泵对于工业输送来说,相当于一个中枢神经,起到一个连接输送的作用。在当今工业迅速崛起的状态下,化工泵行业的优点就愈加凸现出来。
本次设计对于立式化工泵的总体设计方案以及运行方式和结构布局,提出了实用、简单并且安全可靠地设计方案,主要采用磁力驱动原理,使其在符合相应的法律法规的前提下,还要能够满足目前化工市场对立式化工泵的新需求的。
为此,作者通过网上查找和调研的方式得出结论,并且结合已有的化工泵设计手册以及相关的标准,设计出几种符合标准的立式化工泵结构方案并进行论证,最终选取合适的方案进行设计计算,以及结合计算数据通过计算机辅助进行模型和图纸的绘制,结合自己得出的结论完成本次设计。
温馨提示:
1、题目前面的备注【字母数字编号】为本站整理分类的编号,与课题内容无关,请选题时忽视;
2、若题目上备注三维,则表示文件里包含三维源文件,由于三维组成零件数量较多,为保证预览截图的简洁性,本站将三维文件夹进行了打包。三维及CAD预览截图,均为本站电脑打开软件进行截图的,保证能够打开,下载原件超高清,下载后解压即可;
3、本站所有资源如无特殊说明,都需要本地电脑安装Office2007。图纸软件为AutoCAD,PROE,UG,SolidWorks,CATIA等;
4、本站所有图文资料仅供用户学习参考,不作为任何商用或其他用途;
5、本站不保证下载资源的准确性、安全性和完整性, 不包修改,不支持退换,同时也不承担用户因使用这些下载资源对自己和他人造成任何形式的伤害或损失;
6、 下载文件中如有侵权或不适当内容,请与我们联系,我们立即纠正。