

作品包括:
Word版说明书1份
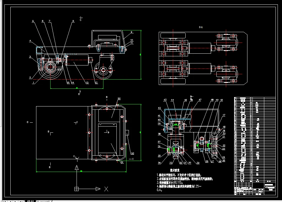
CAD版本图纸,共10张
摘要
整个钻机推进液压系统由一个变量泵提供动力油源,由三个子系统组成整个液压系统。包括推进系统、回转系统和回程系统。同时因为大流量设备,设置一套备用泵系统,用于在高压大流量时辅助主泵进行工作。具体参数:钻机推进系统控制钻机的推进和收回,推进精度 5cm,钻头尺寸42mm,钻孔深度 1-1.2m。钻头每前进10cm后退前进各两次,将孔中残留碎屑排出孔外,避免卡钻等
温馨提示:
1、题目前面的备注【字母数字编号】为本站整理分类的编号,与课题内容无关,请选题时忽视;
2、若题目上备注三维,则表示文件里包含三维源文件,由于三维组成零件数量较多,为保证预览截图的简洁性,本站将三维文件夹进行了打包。三维及CAD预览截图,均为本站电脑打开软件进行截图的,保证能够打开,下载原件超高清,下载后解压即可;
3、本站所有资源如无特殊说明,都需要本地电脑安装Office2007。图纸软件为AutoCAD,PROE,UG,SolidWorks,CATIA等;
4、本站所有图文资料仅供用户学习参考,不作为任何商用或其他用途;
5、本站不保证下载资源的准确性、安全性和完整性, 不包修改,不支持退换,同时也不承担用户因使用这些下载资源对自己和他人造成任何形式的伤害或损失;
6、 下载文件中如有侵权或不适当内容,请与我们联系,我们立即纠正。