

作品包括:
Word版说明书1份
CAD版本图纸,共7张
SW三维图一套
摘要
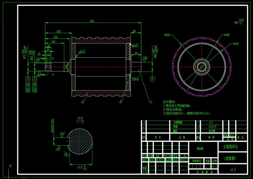
包含二维CAD(破碎机装配图,入料组件图,主辊筒焊合图,液压系统原理图,油缸装配图,油缸左端盖,导向套),包含整机SW2018三维零部件以及装配,包含设计文档。液压辊式破碎机是一种大中型破碎设备。适用于将各种物料通过双辊挤压旋转破碎成所需颗粒度的一种设备。本文设计的为双辊破碎机,是利用一对相向转动的圆辊破碎物料。物料经设备上部加料口落入两辊子之间,依靠摩擦力的作用被带入两辊子之间的间隙而逐渐被压碎,成品物料自下部漏出。遇有过硬而不能破碎的物料时,辊子自动退让,使辊子间间隙增大,过硬物料落下,凭借液压缸的作用,辊子恢复到原间隙,从而保护机器,调整两个辊子间的间隙,即可控制产品最大粒度。基本参数为:生产能力:22t/h,破碎形式:双辊旋转挤压,辊子直径:500mm,辊子转速:47r/min,物料粒度:0-50mm。
温馨提示:
1、题目前面的备注【字母数字编号】为本站整理分类的编号,与课题内容无关,请选题时忽视;
2、若题目上备注三维,则表示文件里包含三维源文件,由于三维组成零件数量较多,为保证预览截图的简洁性,本站将三维文件夹进行了打包。三维及CAD预览截图,均为本站电脑打开软件进行截图的,保证能够打开,下载原件超高清,下载后解压即可;
3、本站所有资源如无特殊说明,都需要本地电脑安装Office2007。图纸软件为AutoCAD,PROE,UG,SolidWorks,CATIA等;
4、本站所有图文资料仅供用户学习参考,不作为任何商用或其他用途;
5、本站不保证下载资源的准确性、安全性和完整性, 不包修改,不支持退换,同时也不承担用户因使用这些下载资源对自己和他人造成任何形式的伤害或损失;
6、 下载文件中如有侵权或不适当内容,请与我们联系,我们立即纠正。