

作品包括:
说明书1份,共32页,约6800字左右
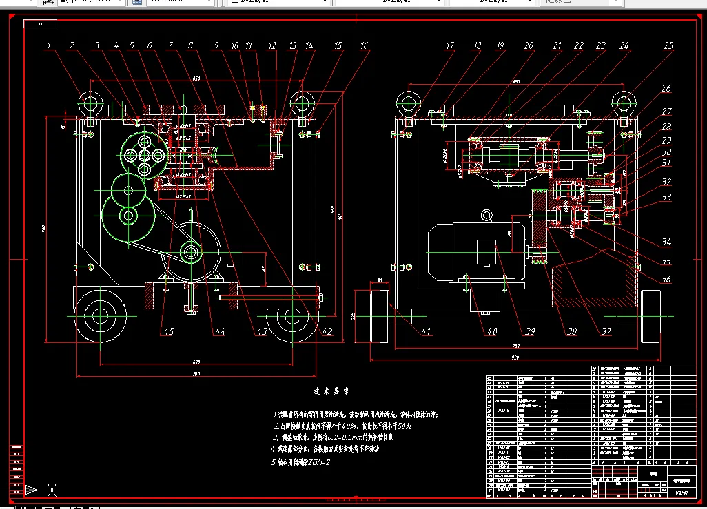
CAD版本本图纸,共10张
SW三维图一份
钢筋弯曲机设计说明书
摘 要
钢筋弯曲机是建筑业常用的工程机械之一,主要用于各种型号的钢筋的弯曲,以用于工程施工工地上。通过强度计算分析,认为现有弯曲机的大部分零件有较大的设计裕量,需要改变个别零部件及电动机功率即可大幅度提高加工能力,满足ф40钢筋的弯曲加工。.本文所设计的半自动可调速钢筋弯曲机适用于弯曲Φ6-Φ40毫米钢筋之用,本机的传动机构采用全封闭式,变速杆换挡,可使工作盘得到两种转速,钢筋的弯曲角度由工作盘侧面的挡块调节,机械部分通过电器控制实现半自动。钢筋弯曲机适用于建筑行业弯曲Φ6—Φ40钢筋之用。 本机工作程序简单,弯曲形状一致,调整简单,操作方便,性能稳定,它能将Q235Φ40圆钢或Φ8—Φ32螺纹钢筋弯曲成工程中所需要的各种形状。
关键词 钢筋弯曲机 ;弯矩 ;主轴扭矩
目 录
摘 要 I
Abstract II
第1章 绪 论 2
第2章 弯矩计算与电动机选择 3
2.1 弯矩计算与电动机选择 3
2.2 材料达到屈服极限时的始弯矩 3
第3章 v带传动设计 5
3.1 V带轮的设计计算 5
第4章 圆柱齿轮设计 8
4.1 选择材料 8
4.2 按接触强度进行初步设计 8
4.3 齿轮校核 9
4.4 齿轮及齿轮副精度的检验项目计算 12
第5章 蜗轮蜗杆设计 14
5.1 选择蜗轮蜗杆传动类型 14
5.2 选择材料 14
5.4 校核计算 19
第6章 轴的设计 21
6.1 计算作用在轴上的力 21
6.2 计算支力和弯矩 21
6.3 对截面进行校核 24
第7章 主轴设计 27
7.1 计算作用在轴上的力 27
7.2 计算支力和弯矩 27
7.3 对截面进行校核 29
第8章 轴承的选择 31
总 结 32
参考文献 33
致 谢 34
温馨提示:
1、题目前面的备注【字母数字编号】为本站整理分类的编号,与课题内容无关,请选题时忽视;
2、若题目上备注三维,则表示文件里包含三维源文件,由于三维组成零件数量较多,为保证预览截图的简洁性,本站将三维文件夹进行了打包。三维及CAD预览截图,均为本站电脑打开软件进行截图的,保证能够打开,下载原件超高清,下载后解压即可;
3、本站所有资源如无特殊说明,都需要本地电脑安装Office2007。图纸软件为AutoCAD,PROE,UG,SolidWorks,CATIA等;
4、本站所有图文资料仅供用户学习参考,不作为任何商用或其他用途;
5、本站不保证下载资源的准确性、安全性和完整性, 不包修改,不支持退换,同时也不承担用户因使用这些下载资源对自己和他人造成任何形式的伤害或损失;
6、 下载文件中如有侵权或不适当内容,请与我们联系,我们立即纠正。