

作品包括:
Word版说明书1份,共20页,约14000字
CAD版本图纸,共1张
SW三维图一份
摘 要
随着信息技术的进步和全球化制造技术的进步,企业为了提高自身的竞争力,要求配置效率更高成本更低的加工设备,
而传统机床在未来的加工业中会遇到难以克服的困难,例如在高速加工中(轨迹速度达到50m/min)和高效空间曲面加工
及机床的通用性方面将无法满足现代加工技术的要求。因此探索和研究一种现代化机床具有十分重要的意义。
虚拟轴机床与传统的串联式数控机床相比具有很多优越性。传统数控机床各自由度是串联相接的,呈悬臂结构,且
层叠嵌套致使传动链长,传动系统复杂,累计误差大,而精度低,成本昂贵,至今多数机床只是4轴联动,极少5轴。而
虚拟轴机床的并联式加工中心结构特别简单,传动链极短,刚度大、质量轻、切削效率高、响应快,特别是很容易实现
六轴联动,因而,能加工更复杂的三维曲面,且其加工精度和加工粗糙度都直接由控制程序来保证,因此,硬件成本低
,而软件附加值高,是一种技术附加值极高的机电一体化产品。
此研究课题针对现今的机加工趋向,制定了设计一部并联机床实验台的任务,作者与合作人共同设计。其中的并联
部分分配给了合作者,作者主要负责并联机床实验台的总体框架结构设计。
平台大致由并联机构——三根并联丝杠(驱动电机)、铸铁机架、装卡平台和电主轴以及弹簧铣夹头组成。
关键词:并联机构、虚轴加工、雅可比矩阵、正解算法
目 录
第1章 绪论 1
1.1课题背景与意义 1
1.2 并联机床发展历史及现状 2
1.3本文主要研究内容 5
第2章 重要零部件选型 6
2.1依照主轴功率确定电主轴型号 6
2.2 选择主轴下部刀具夹头 7
2.3选择工件的装卡方式 8
第3章 实验台支承部分及其连接的方案 11
3.1机架的设计方案 11
3.2铸造机架的材料及热处理 14
3.3机架的截面形状、壁厚及周边筋的布置 14
3.4立柱与底座的连接方式 16
3.5底座的造型 16
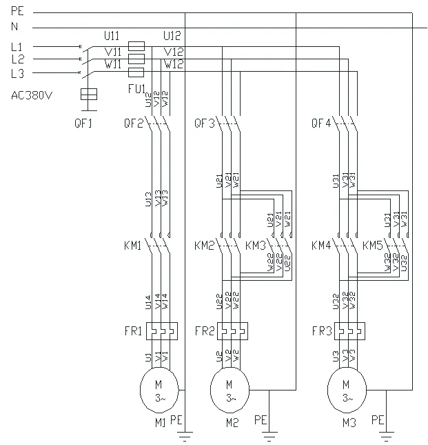
第4章 实验台驱动电路 17
4.1 电路布线方案 17
4.2 电路控制要求 17
4.3电路控制连线原理图 17
第5章 实验结果及三维建模 18
5.1 设计并联实验台结果 18
5.2 实验台SOLIDWORKS建模 18
第6章总结与展望 19
参考文献 20
致 谢 20
温馨提示:
1、题目前面的备注【字母数字编号】为本站整理分类的编号,与课题内容无关,请选题时忽视;
2、若题目上备注三维,则表示文件里包含三维源文件,由于三维组成零件数量较多,为保证预览截图的简洁性,本站将三维文件夹进行了打包。三维及CAD预览截图,均为本站电脑打开软件进行截图的,保证能够打开,下载原件超高清,下载后解压即可;
3、本站所有资源如无特殊说明,都需要本地电脑安装Office2007。图纸软件为AutoCAD,PROE,UG,SolidWorks,CATIA等;
4、本站所有图文资料仅供用户学习参考,不作为任何商用或其他用途;
5、本站不保证下载资源的准确性、安全性和完整性, 不包修改,不支持退换,同时也不承担用户因使用这些下载资源对自己和他人造成任何形式的伤害或损失;
6、 下载文件中如有侵权或不适当内容,请与我们联系,我们立即纠正。