

作品包括:
Word版设计说明书1份,共22页,约7300字
任务书一份
PPT答辩一份
CAD版本图纸,共7张
SW三维图一套
![Z2606-南疆果园有机肥施肥机的设计[含SW三维图] Z2606-南疆果园有机肥施肥机的设计[含SW三维图]](/static/upload/image/20260322/1774146421553323.webp)
前 言
果树施肥是果树生产中关键作业环节,施肥质量直接影响果树养分的吸收状况,合理施肥能使果树获得良好的生长条件。我国果树施肥技术处于刚刚起步阶段,机械化水平低,读多数果园仍才用人工作业,劳动强度大、效率低;与此同时,化肥的腐蚀性对人体产生很大的伤害。国果树高效标准生产技术要求在果树周围钻孔,并精量施肥[1]。果树挖穴定量施肥的研制,为果树的高效施肥提供了新的技术途径,可有效解决目前人工施肥劳动强度大,土壤污染严重的问题。因此,实现果树施肥机械化对解放劳动力、确保果树营养需求、提高果树施肥效率和果农增收非常重要。针对当前国内外各种常见的果树施肥方式及存在的问题进行对比分析。
关键词:挖穴;定量施肥;机械化
目 录
1 绪论 1
1.1 研究的目的和意义 1
1.2 课题所涉及的问题在国内外现状及分析 3
2 研究的主要内容 5
3 设计思路 6
3.1 工作原理 6
3.2 设计条件 6
4 组件设计计算 7
4.1 挖穴钻头 7
4.2 轴 9
4.3 锥齿轮 11
5施肥装置 14
6离合装置 15
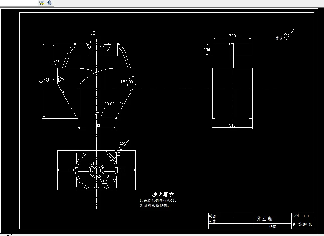
7集土装置 16
总结 17
致谢 18
参考文献 19
温馨提示:
1、题目前面的备注【字母数字编号】为本站整理分类的编号,与课题内容无关,请选题时忽视;
2、若题目上备注三维,则表示文件里包含三维源文件,由于三维组成零件数量较多,为保证预览截图的简洁性,本站将三维文件夹进行了打包。三维及CAD预览截图,均为本站电脑打开软件进行截图的,保证能够打开,下载原件超高清,下载后解压即可;
3、本站所有资源如无特殊说明,都需要本地电脑安装Office2007。图纸软件为AutoCAD,PROE,UG,SolidWorks,CATIA等;
4、本站所有图文资料仅供用户学习参考,不作为任何商用或其他用途;
5、本站不保证下载资源的准确性、安全性和完整性, 不包修改,不支持退换,同时也不承担用户因使用这些下载资源对自己和他人造成任何形式的伤害或损失;
6、 下载文件中如有侵权或不适当内容,请与我们联系,我们立即纠正。