

作品包括:
Word版设计说明书1份
开题报告一份
外文翻译一份
CAD版本图纸,共11张
SW三维图一套
摘要
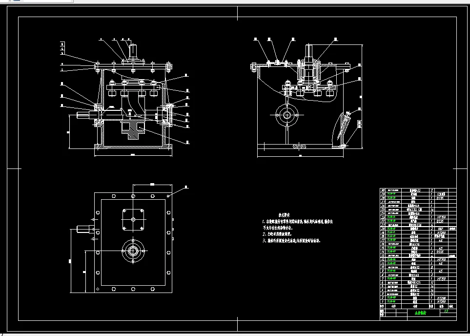
本文将介绍气动式定尺飞锯机的结构设计,飞锯机主要应用于焊管和冷弯钢的生产线上,把正在运行的管材切割成定尺长度。主要的工艺要求有三点:飞锯与钢管同步运行;飞锯可以锯切不同的定尺长度;切口必须平整。 定长飞锯结构由跟踪设备,锯切设备组成。该设计采用气缸推动飞锯小车来达到跟管材保持同步运动的目的。同样使用气缸助动锯切装置来进行摆切式切割。使用行程开关来控制飞锯小车的路程。即,将行程开关作为动作触发信号放置在适当的位置来测量小车的行程。 我国工业领域内,中小型企业规模可观,气动式飞锯机的应用能得到良好的发展,并且其结构相对简单,运营成本也较为低廉,使用和维护都不需要专业人员直接指导,大幅度地减少了企业的开支,故具有值得看好的市场前景。
温馨提示:
1、题目前面的备注【字母数字编号】为本站整理分类的编号,与课题内容无关,请选题时忽视;
2、若题目上备注三维,则表示文件里包含三维源文件,由于三维组成零件数量较多,为保证预览截图的简洁性,本站将三维文件夹进行了打包。三维及CAD预览截图,均为本站电脑打开软件进行截图的,保证能够打开,下载原件超高清,下载后解压即可;
3、本站所有资源如无特殊说明,都需要本地电脑安装Office2007。图纸软件为AutoCAD,PROE,UG,SolidWorks,CATIA等;
4、本站所有图文资料仅供用户学习参考,不作为任何商用或其他用途;
5、本站不保证下载资源的准确性、安全性和完整性, 不包修改,不支持退换,同时也不承担用户因使用这些下载资源对自己和他人造成任何形式的伤害或损失;
6、 下载文件中如有侵权或不适当内容,请与我们联系,我们立即纠正。