

作品包括:
Word版设计说明书1份
PPT答辩一份
CAD版本图纸,共8张
摘要
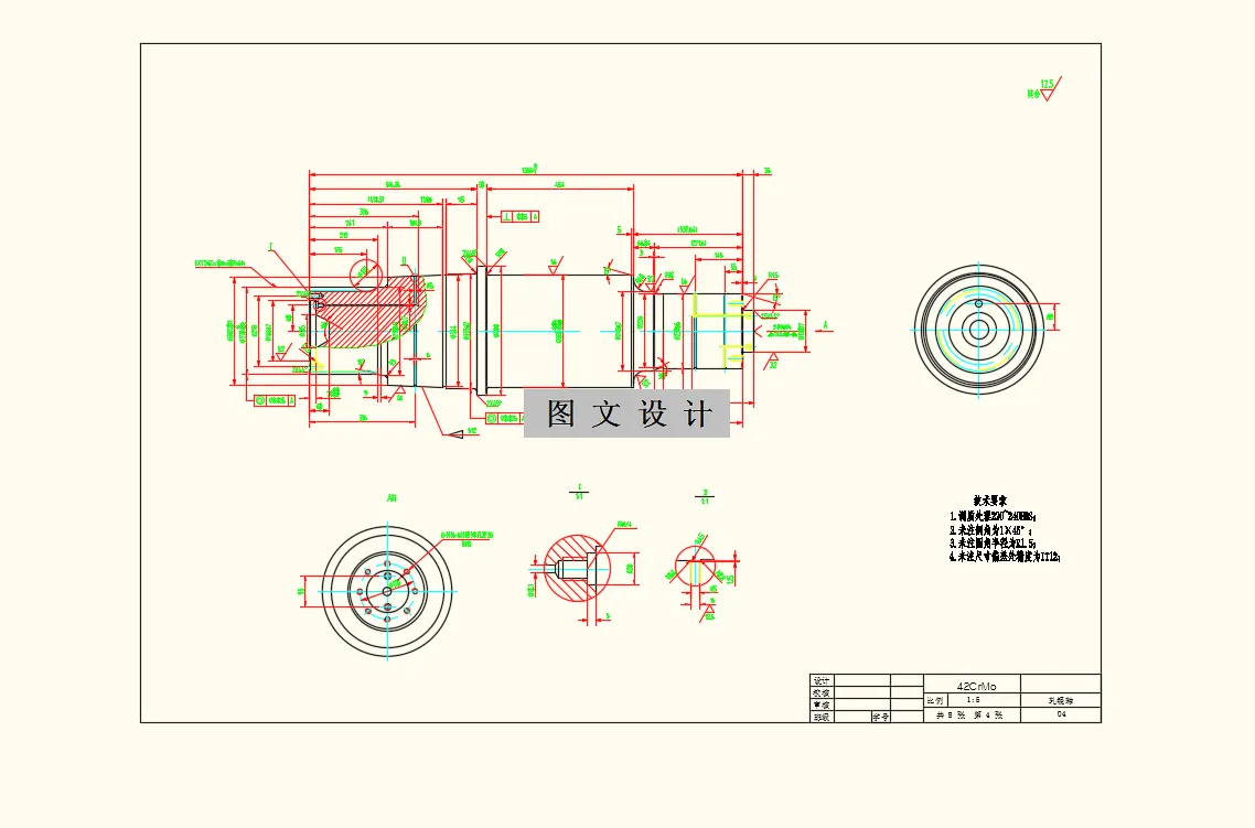
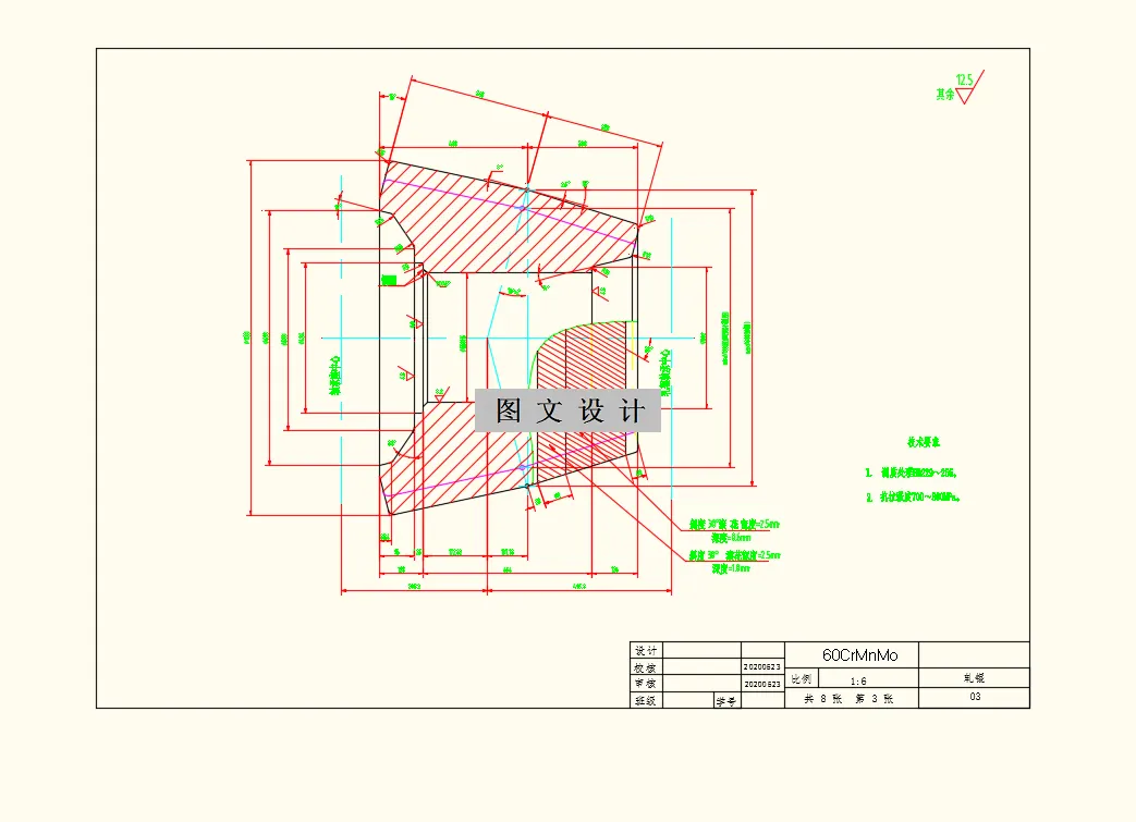
这次设计的内容是热轧无缝钢管穿孔机的转传动设计,在整个设计的过程里,详细的说明了钢管穿孔机的各个组成部分的用途以及它们对钢管穿孔机的作用以及其功能和特点,它不仅仅只是设计计算同时也是对于这次设计的详细过程的说明,也对钢管穿孔机的的内部构造组成以及它的主要设计思路理念,在根据之前的钢管穿孔机设计后的某些部件的改良和说明。穿孔是的冲击力的大小以及对传动轴的载荷力大小,从而请选择合适的电动机,而轴的设计则是根据所计算的弯矩力大小、斜轧穿孔过程咬入条件的计算、扭矩力的大小、强度的大小要求等。并且此文在穿孔机对零部件的设计上十分详细, 这篇论文的主题结构一共可分为八个部分的设计,整体结构以及设计方向和大体结构的说明,工作执行部件的设计、根据需要的轧制力以及轧锟力矩来选择电动机、传动系统各个部件的确定以及计算分析 、轧辊所能承受的轧制力矩的运算、轴的选择以及轴的校核还有轴承的选择等。 对钢管穿孔机的发展做出了总结,它的主要在组成有推入机,上下锟的调节装置,轧锟,十字万向联轴器,等等主要部件,它的工作原理是电动机带动轴再带动锟转动,推入机推入钢管,两个轧锟带动钢管旋转,让后进行钢管穿孔。 专业名称以及计量单位等均按照国家标准。
温馨提示:
1、题目前面的备注【字母数字编号】为本站整理分类的编号,与课题内容无关,请选题时忽视;
2、若题目上备注三维,则表示文件里包含三维源文件,由于三维组成零件数量较多,为保证预览截图的简洁性,本站将三维文件夹进行了打包。三维及CAD预览截图,均为本站电脑打开软件进行截图的,保证能够打开,下载原件超高清,下载后解压即可;
3、本站所有资源如无特殊说明,都需要本地电脑安装Office2007。图纸软件为AutoCAD,PROE,UG,SolidWorks,CATIA等;
4、本站所有图文资料仅供用户学习参考,不作为任何商用或其他用途;
5、本站不保证下载资源的准确性、安全性和完整性, 不包修改,不支持退换,同时也不承担用户因使用这些下载资源对自己和他人造成任何形式的伤害或损失;
6、 下载文件中如有侵权或不适当内容,请与我们联系,我们立即纠正。