

作品包括:
Word版说明书1份,共41页,约16000字
CAD版本图纸,共2张
UG三维图一份

摘 要
管道在日常生产生活中应用非常广泛,但因其结构、所处位置,以及管道中存在的物质,使得管道的检测和维修变成一项难题。管道检测机器人是专门用来检测管道内的情况,可实时将检测到的数据、图像、位置信息等传输给操作人员,并具有一定的自主性。管道机器人的出现,使得管道维护的成本降低,不需兴师动众,节省了人力物力,缩短了时间,提高了效率。
本文针对管道检测机器人系统设计这一课题,分析机器人的主要技术和重难点, 结合要求,设计完成了在气体管道中可进行自行走和质量监控的一种管道检测机器人控制系统。控制方案主要涉及三点:
* 上位机:利用 visual studio2017 进行功能开发,主要功能是实现数据的接受与发送、数据的处理等功能。
* 通讯模块:实现上位机和下位机之间的信息交互、数据传输。
*下位机:以 STM32F103 为控制核心,安装在机器人本体,实现电机、传感器等模块的控制。
结合机器人系统的总体方案,重点针对以上三点进行研究,以及各种控制、设计原理方法,在本文中进行论述。且对设计完成的控制系统进行仿真调试,仿真的结果表明该系统具有相应功能,系统稳定,满足工程需求。
关键词:管道检测机器人;控制系统;无线通讯。
目 录
第一章 绪论 1
• 课题的研究背景和意义 1
• 管道检测机器人的研究现状 2
• 国外研究现状 2
• 国内研究现状 2
• 存在的问题 2
• 主要研究内容 4
第二章 总体方案设计 5
4.2 管道检测机器人主要设计内容 5
4.3 管道检测机器人控制功能分析 5
4.4 管道检测机器人总体方案 6
• 机器人机械结构设计 6
• 机器人总体控制方案 7
• 控制系统硬件设计 8
• 控制系统软件设计 11
4.5 主要研究步骤 11
4.6 本章小结 11
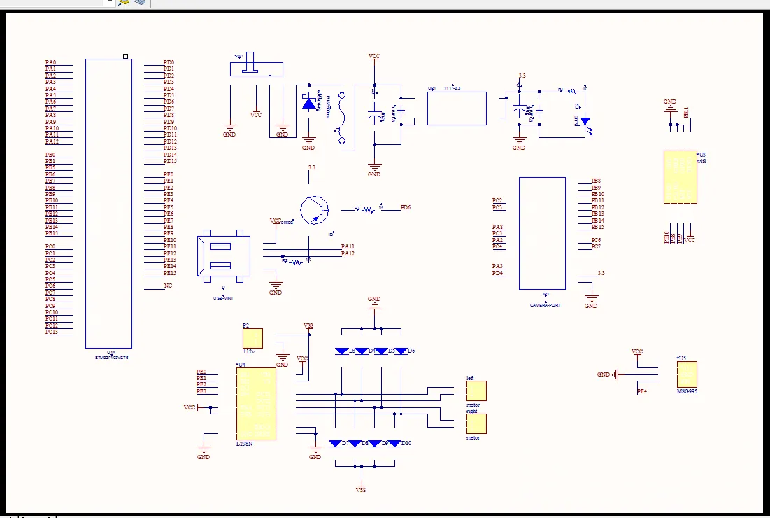
第三章 管道检测机器人控制系统硬件设计 13
4.1 管道检测机器人硬件电路基本组成 13
4.2 主控芯片的选型 13
4.3 基于 STM32 的主控板设计 14
4.3.1 主控板核心工作模块 14
4.3.2 电源供电以及降压 15
4.3.3 无线串口模块 16
4.3.4 L298N 直流电机驱动模块 18
4.3.5 OV7725 摄像头及其云台舵机 MG995 19
4.4 管道检测机器人成本估算 20
4.5 本章小结 20
第四章 管道机器人软件设计及其成本估算 21
3.1 上位机软件设计 21
3.1.1 Visual Studio 2017 介绍 21
3.1.2 上位机控制软件的功能 22
3.2 下位机软件程序编写 24
3.2.1 下位机程序编写软件介绍 24
3.2.2 下位机控制软件的功能 24
3.3 本章小结 25
总结与展望 26
致谢 28
参考文献 29
附录 31
温馨提示:
1、题目前面的备注【字母数字编号】为本站整理分类的编号,与课题内容无关,请选题时忽视;
2、若题目上备注三维,则表示文件里包含三维源文件,由于三维组成零件数量较多,为保证预览截图的简洁性,本站将三维文件夹进行了打包。三维及CAD预览截图,均为本站电脑打开软件进行截图的,保证能够打开,下载原件超高清,下载后解压即可;
3、本站所有资源如无特殊说明,都需要本地电脑安装Office2007。图纸软件为AutoCAD,PROE,UG,SolidWorks,CATIA等;
4、本站所有图文资料仅供用户学习参考,不作为任何商用或其他用途;
5、本站不保证下载资源的准确性、安全性和完整性, 不包修改,不支持退换,同时也不承担用户因使用这些下载资源对自己和他人造成任何形式的伤害或损失;
6、 下载文件中如有侵权或不适当内容,请与我们联系,我们立即纠正。