

作品包括:
Word版说明书1份,共47页,约20000字
CAD版本图纸,共11张

摘要
近年来,我国的房地产行业发展迅速,这样一来,对矿石、砂砾等的需求量大大增加。导致对矿物破碎机械的需求量也在不断提高。矿石破碎是整个矿山企业中能源消耗最大的一部分。一直以来,能源浪费就是矿石破碎行业中的重要问题。随着社会的进步和资源节约、环境友好型社会的倡导,对能源消耗巨大的破碎机行业也有了更高的要求。
颚式破碎机已经经过了许多年的发展,其结构已经比较完善,但也存在能耗、钢材原料消耗高等缺点,且部分结构仍需要优化和改进。
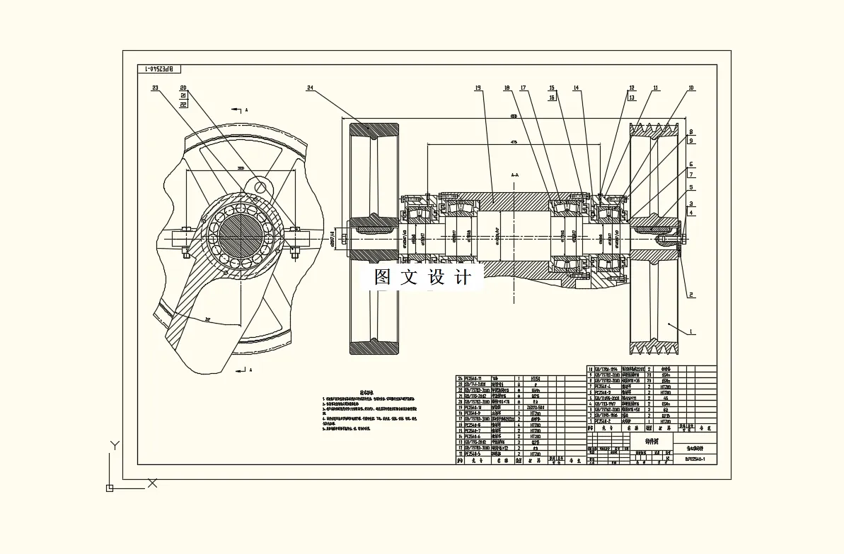
本设计为双腔复摆颚式破碎机的结构设计。主要内容包括颚式破碎机原理简介、核心部件设计如偏心轴、动颚的设计;飞轮与带轮带传动的设计;电机、动颚轴承、机架轴承的选用;推力板结构改进;齿板结构设计;调整装置、保险装置的介绍;同时也对特定型号的颚式破碎机进行了技术参数、主参数的计算。
关键词:双腔复摆颚式破碎机;结构设计;参数计算;优化改进;除尘设备
目 录
摘要 I
目录 III
1 绪论 4
1.1. 课题研究意义与背景 1
1.2. 国内外颚式破碎机研究现状 1
1.3. 颚式破碎机的发展趋势 2
2 颚式破碎机及其特点 5
2.1. 颚式破碎机的工作原理及其工作特点 5
2.2. 双腔复摆颚式破碎机的基本结构 7
3 双腔复摆颚式破碎机主要件的结构介绍和分析 9
3.1. 动颚 9
3.2. 动颚齿板 9
3.3 肘板 10
3.4 调整装置 12
3.5 飞轮 13
1.1. 保险装置 13
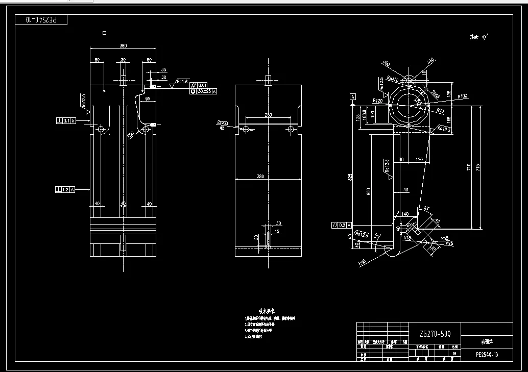
1.2. 机架结构 14
2. 双腔复摆颚式破碎机的参数设计 16
• 双腔复摆颚式破碎机的技术参数要求 16
• 双腔复摆颚式破碎机结构参数的设计 16
• 双腔复摆颚式破碎机主参数的设计 19
[4] 双腔复摆颚式破碎机重要零件的设计与校核 21
• 电动机选型 21
• 偏心轴的设计与校核 22
[5] 本设计的优化点及一些使用建议 29
• 本设计相较传统颚式破碎机的优化点 29
• 破碎机使用、维护、保养建议) 29
7 总结 31
7.1 借鉴的研究基础 31
7.2 对颚式破碎机优化的展望 31
7.3 总结 31
参考文献 32
翻译部分 33
温馨提示:
1、题目前面的备注【字母数字编号】为本站整理分类的编号,与课题内容无关,请选题时忽视;
2、若题目上备注三维,则表示文件里包含三维源文件,由于三维组成零件数量较多,为保证预览截图的简洁性,本站将三维文件夹进行了打包。三维及CAD预览截图,均为本站电脑打开软件进行截图的,保证能够打开,下载原件超高清,下载后解压即可;
3、本站所有资源如无特殊说明,都需要本地电脑安装Office2007。图纸软件为AutoCAD,PROE,UG,SolidWorks,CATIA等;
4、本站所有图文资料仅供用户学习参考,不作为任何商用或其他用途;
5、本站不保证下载资源的准确性、安全性和完整性, 不包修改,不支持退换,同时也不承担用户因使用这些下载资源对自己和他人造成任何形式的伤害或损失;
6、 下载文件中如有侵权或不适当内容,请与我们联系,我们立即纠正。