

作品包括:
Word版设计说明书1份
CAD版本图纸,共4张
摘要
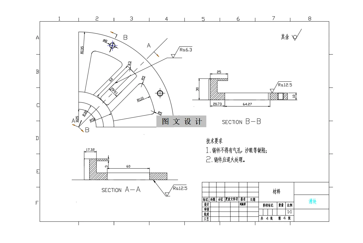
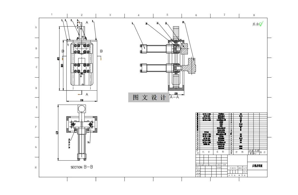
翻边工序是筒形件加工过程中尤为重要的一道工序,本文根据翻边工序的加工要求和翻边机的结构特点,对传统翻边机的缺点进行改进,设计了一种新型的卧式数控筒体翻边机。该翻边机实现了数控化,采用液压控制系统和伺服电机控制系统结合的方式,并带有自动上卸料机构,自动化程度较高。在设计过程中运用模块化设计思维,将翻边机分为多个模块结构,分开设计,最后组合在一起。各个模块相互联系,协作配合,共同完成翻边工作。与传统翻边机相比,该翻边机极大的提高了翻边效率和自动化程度,减轻了工人负担,提高了设备利用率,从而降低了生产成本。
温馨提示:
1、题目前面的备注【字母数字编号】为本站整理分类的编号,与课题内容无关,请选题时忽视;
2、若题目上备注三维,则表示文件里包含三维源文件,由于三维组成零件数量较多,为保证预览截图的简洁性,本站将三维文件夹进行了打包。三维及CAD预览截图,均为本站电脑打开软件进行截图的,保证能够打开,下载原件超高清,下载后解压即可;
3、本站所有资源如无特殊说明,都需要本地电脑安装Office2007。图纸软件为AutoCAD,PROE,UG,SolidWorks,CATIA等;
4、本站所有图文资料仅供用户学习参考,不作为任何商用或其他用途;
5、本站不保证下载资源的准确性、安全性和完整性, 不包修改,不支持退换,同时也不承担用户因使用这些下载资源对自己和他人造成任何形式的伤害或损失;
6、 下载文件中如有侵权或不适当内容,请与我们联系,我们立即纠正。