

作品包括:
Word版设计说明书1份
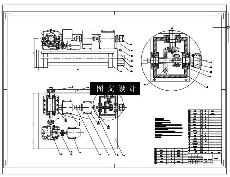
CAD版本图纸,共6张
摘要
修剪机的爬行驱动的传动机构方案以链式传动系统为主,构造简单,但传动功率较大,主要通过磨擦轮的方式驱动上下车轮同步或同向运转,动力传输途径是汽油机-链传动-磨擦轮-轮胎,利用链式传动系统和磨擦轮进行速度变换;修剪部分的传动机构方案采用了带传动传动方式,带传动的构造简洁,能够利用其打滑现象来实现修剪机工作的某些特殊要求。
温馨提示:
1、题目前面的备注【字母数字编号】为本站整理分类的编号,与课题内容无关,请选题时忽视;
2、若题目上备注三维,则表示文件里包含三维源文件,由于三维组成零件数量较多,为保证预览截图的简洁性,本站将三维文件夹进行了打包。三维及CAD预览截图,均为本站电脑打开软件进行截图的,保证能够打开,下载原件超高清,下载后解压即可;
3、本站所有资源如无特殊说明,都需要本地电脑安装Office2007。图纸软件为AutoCAD,PROE,UG,SolidWorks,CATIA等;
4、本站所有图文资料仅供用户学习参考,不作为任何商用或其他用途;
5、本站不保证下载资源的准确性、安全性和完整性, 不包修改,不支持退换,同时也不承担用户因使用这些下载资源对自己和他人造成任何形式的伤害或损失;
6、 下载文件中如有侵权或不适当内容,请与我们联系,我们立即纠正。