

作品包括:
Word设计说明书1份,共77页,约25000字
CAD版本图纸,共13张
SW三维图一套

摘 要
加快开发利用新能源是解决能源和环境问题的必由之路,风电作为目前技术最成 熟、最具市场竞争力且最有发展前景的新能源,正受到全球越来越多的关注。风力发电 系统是一个复杂的能量转换系统,风电的变流器开发和控制技术等研究均需要开展大量 的试验研究,在不具备风场环境的实验室研究风力发电技术,建立风力发电模拟系统就显得非常必要。风力发电模拟系统的建立可以提高研究的质量,缩短研究的进程,减少
研究的经费。因此建设风力发电模拟实验平台就成为实验室研究风力发电系统的关键, 对推动风力发电研究有着重要意义。
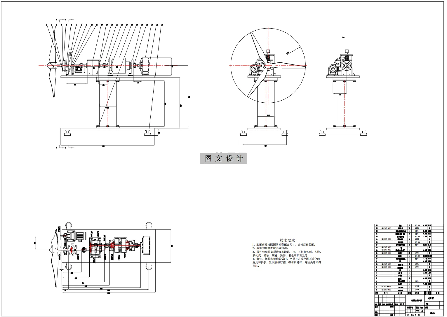
本文首先介绍风力发电模拟实验系统的意义以及国内外研究现状,分析风力发电模 拟的基本原理和构成,在此基础上搭建了一个10kW的半直驱永磁风力发电模拟实验平台。该实验平台适用于风力机的静态特性研究,其动态特性未能满足实验要求。针对该 平台的动态特性不足,文章分析研究了风力机的动态特性,包括风力机的大转动惯量特 性、风剪切效应和塔影效应等影响,并对风力机动态特性影响最大的转动惯量做了进一 步的研究,提出了风力机模拟的大转动惯量补偿方案。此外,文章还研究了模拟风力机 转矩输出的异步电动机转矩控制技术,分析了直接转矩控制的缺陷,并提出了风力机模 时转矩控制的解决方案。最后文章给出了风力发电模拟实验平台的改进设计,改进的 平台设计更接近实际风力机的动态特性,可在实验平台开展更多的风电试验研究。
本文围绕风力发电模拟实验系统展开,搭建了一个风力发电模拟实验平台,并在此 平台基础上做了改进研究和设计,进一步提高风力发电模拟实验系统的模拟效果,为风 力发电模拟提供了有益的参考。
关键词:半直驱风力发电,风力机模拟,风力机动态特性,转动惯量补偿,直接转矩 ,控制
目 录
第 1 章 绪论 1
1.1 项目研究意义 1
1.2 国内外技术方面研究现状 2
1.2.1 国内外风机故障实验台研究现状 2
1.2.2 国内齿轮箱故障试验台研究现状 4
1.3 非技术方面研究现状 6
1.3.1 安全方面 6
1.3.2 经济方面 6
1.3.3法律方面 7
1.4 项目发展趋势及其存在问题 7
1.5项目研究内容 9
第 2 章 总体方案设计与分析 11
2.12.1总体方案设计要求 11
2.2机械结构方案设计比较 12
2.2.1方案1带轮式 12
2.2.2方案2 齿轮箱一体式 13
2.2.3方案3 各单元分布联动式 13
2.4 方案评价分析 14
2.5本章小节 15
第 3 章 试验台的总体结构设计 16
3.1总体结构设计 16
3.2动力源设计 17
3.2.1电动机类型的选择 17
3.2.2确定传动装置的效率 17
3.2.3选择电动机容量 17
3.2.4确定传动装置的总传动比和分配传动比 18
3.2.5动力学参数计算 18
3.2.6各轴输入转矩 19
3.3 V带传动设计计算 21
3.3.1确定计算功率Pca 21
3.3.2选择V带的带型 21
3.3.3确定带轮的基准直径dd并验算带速v 21
3.3.4验算小带轮的包角αa 22
3.3.5计算带的根数z 22
3.3.6带轮的结构设计 22
3.4 轴承测试系统装置设计 25
3.4.1轴承测试系统研究的目的和价值 25
3.4.2 轴承测试系统总体设计 26
3.4.3试验轴承座设计 26
3.4.4加载系统设计 29
3.5 平行齿轮箱,行星齿轮箱检测系统设计 32
3.5.1总体结构设计 32
3.5.2平行齿轮箱输入轴设计计算 33
3.5.3弯曲-扭转组合强度校核 35
3.5.4刹车的选取 38
3.5.5轴承密封件的设计 39
3.5.6星齿轮箱输入轴设计计算 40
3.5.7弯曲-扭转组合强度校核 42
3.6 模拟风机实验装置设计 46
3.6.1模拟风机实验原理 46
3.6.2塔影效应分析 46
3.6.3总体结构设计 47
3.6.4叶片仿真分析 48
3.6.5 转动惯量补偿方案 49
3.7联轴器的选择 50
3.8本章小结 51
4章 控制系统设计 53
4.1 系统设计方案 53
4.2 系统控制流程 55
4.3 制动系统PLC控制过程 56
4.4 PLCI/O分配表 56
4.5 PLC的I/O配线图 57
4.6 PLC控制梯形图 57
4.7 本章小结 58
第 5 章 项目的经济性分析 59
5.1 成本核算 59
5.2 市场对比 63
5.3 本章小结 64
结 论 65
参考文献 67
温馨提示:
1、题目前面的备注【字母数字编号】为本站整理分类的编号,与课题内容无关,请选题时忽视;
2、若题目上备注三维,则表示文件里包含三维源文件,由于三维组成零件数量较多,为保证预览截图的简洁性,本站将三维文件夹进行了打包。三维及CAD预览截图,均为本站电脑打开软件进行截图的,保证能够打开,下载原件超高清,下载后解压即可;
3、本站所有资源如无特殊说明,都需要本地电脑安装Office2007。图纸软件为AutoCAD,PROE,UG,SolidWorks,CATIA等;
4、本站所有图文资料仅供用户学习参考,不作为任何商用或其他用途;
5、本站不保证下载资源的准确性、安全性和完整性, 不包修改,不支持退换,同时也不承担用户因使用这些下载资源对自己和他人造成任何形式的伤害或损失;
6、 下载文件中如有侵权或不适当内容,请与我们联系,我们立即纠正。