

作品包括:
Word版设计说明书1份
CAD版本图纸,共13张
SW三维图一套
摘要
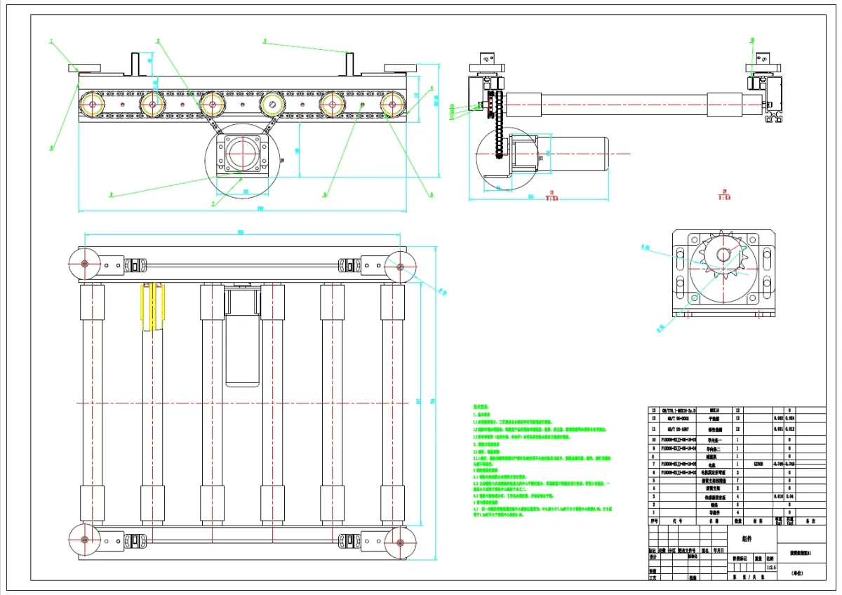
沙漠化严重的问题已经引起了全球治沙专家的关注,通过长时间与沙漠的抗战,人们找到了许多有效的方法,其中铺设草方格沙障就是一种能够有效固沙的方法,在一定程度上缓解了沙漠化的程度并且使得一些地方由沙漠变成了绿洲。本次设计草方格沙障横向铺草机构主要由输草机构和放草机构组成。输草机构主要有,料箱、带有钉子的同步带组成,放草机构就是两个可以旋转的挡板组成,左右各放置一个,由电机通过链轮带动,旋转的挡板之间的配合由齿轮带动,同步带由旋转的挡板通过链轮带动。动力由最低端的同步带轮输入,通过链轮,减速机控制。铺草机前面放置平土挡板,方便平土,后面放置压草设备。1464252
温馨提示:
1、题目前面的备注【字母数字编号】为本站整理分类的编号,与课题内容无关,请选题时忽视;
2、若题目上备注三维,则表示文件里包含三维源文件,由于三维组成零件数量较多,为保证预览截图的简洁性,本站将三维文件夹进行了打包。三维及CAD预览截图,均为本站电脑打开软件进行截图的,保证能够打开,下载原件超高清,下载后解压即可;
3、本站所有资源如无特殊说明,都需要本地电脑安装Office2007。图纸软件为AutoCAD,PROE,UG,SolidWorks,CATIA等;
4、本站所有图文资料仅供用户学习参考,不作为任何商用或其他用途;
5、本站不保证下载资源的准确性、安全性和完整性, 不包修改,不支持退换,同时也不承担用户因使用这些下载资源对自己和他人造成任何形式的伤害或损失;
6、 下载文件中如有侵权或不适当内容,请与我们联系,我们立即纠正。