

作品包括:
Word版设计说明书1份,共47页
开题报告一份
CAD版本图纸,共4张
摘要
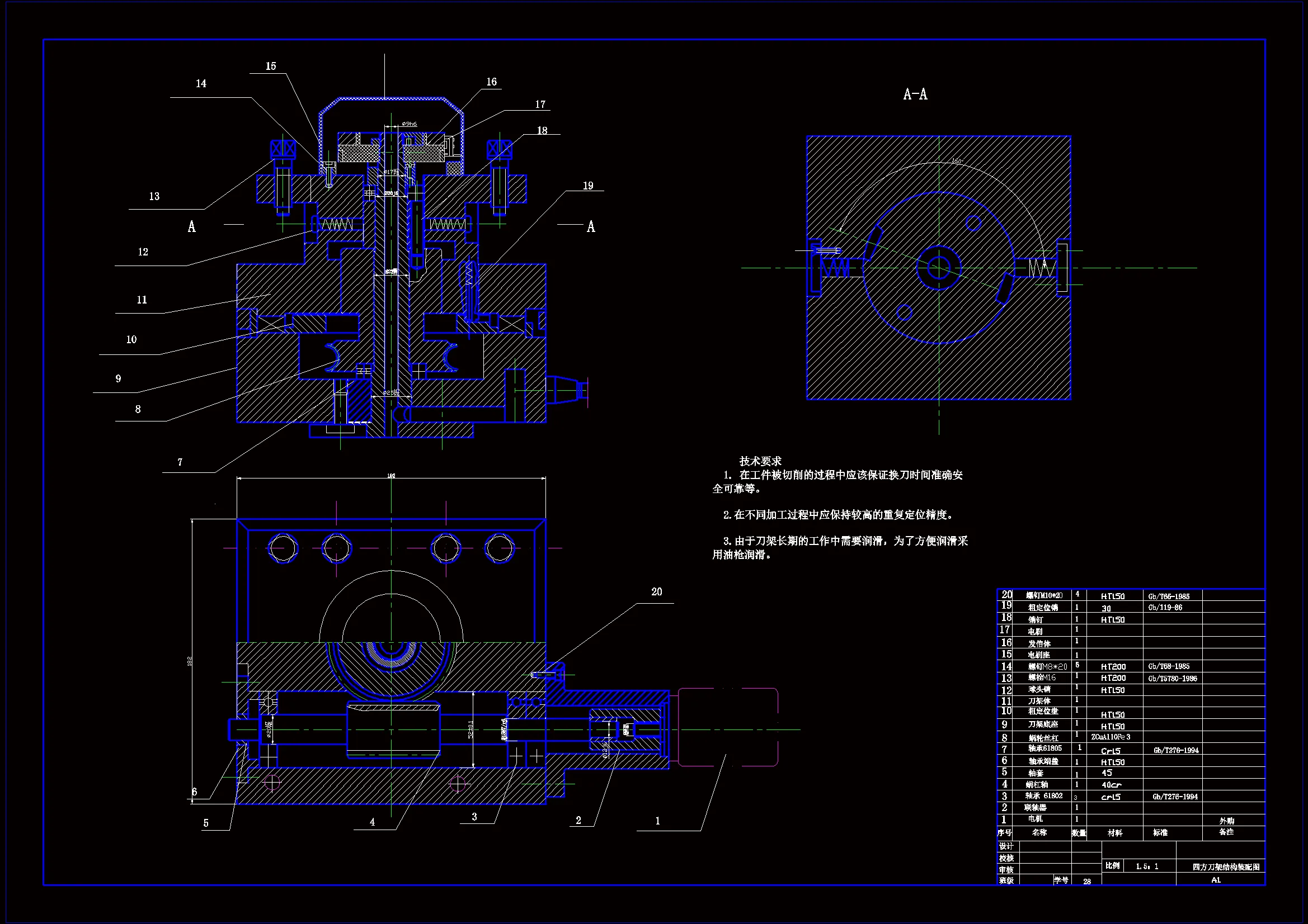
本文主要阐述了将CA6140普通车床改成经济型数控车床,通过总体方案的设计,考虑机床的类型、传动方式和执行机构的选择等;针对车床的进给机构,计算出负载转矩和转动惯量,并根据计算结果分析各结构特点,确定横向传动链的方案,采用步进电机经减速机构和滚珠丝杠相连接机构,噪声低、可靠性高。由于它属于经济型数控机床,在保证一定加工精度前提下,应该简化机构、降低成本,因此,进给伺服系统采用步进电机开环控制系统。计算选择步进电机、齿轮副联轴器、滚珠丝杠螺母副等。其中步进电机的选择包括确定系统的脉冲当量和步距角的选择以及根据距频特性来校核点击能否满足要求;通过对最大工作载荷和最大动载荷的计算初步确定滚珠丝杠螺母副的型号,再校核它是否稳定合格。根据选型的数据绘制出滚珠丝杠螺母副图以及装配图。
温馨提示:
1、题目前面的备注【字母数字编号】为本站整理分类的编号,与课题内容无关,请选题时忽视;
2、若题目上备注三维,则表示文件里包含三维源文件,由于三维组成零件数量较多,为保证预览截图的简洁性,本站将三维文件夹进行了打包。三维及CAD预览截图,均为本站电脑打开软件进行截图的,保证能够打开,下载原件超高清,下载后解压即可;
3、本站所有资源如无特殊说明,都需要本地电脑安装Office2007。图纸软件为AutoCAD,PROE,UG,SolidWorks,CATIA等;
4、本站所有图文资料仅供用户学习参考,不作为任何商用或其他用途;
5、本站不保证下载资源的准确性、安全性和完整性, 不包修改,不支持退换,同时也不承担用户因使用这些下载资源对自己和他人造成任何形式的伤害或损失;
6、 下载文件中如有侵权或不适当内容,请与我们联系,我们立即纠正。